消防电子产品环境试验方法及严酷等级GBT+16838-2021:修订间差异

来自青鸟百科
此页面具有访问限制。如果您看见此消息,则说明您没有权限访问此页面。
焦雨桐留言 | 贡献
无编辑摘要
标签移动版编辑 移动版网页编辑
焦雨桐留言 | 贡献
无编辑摘要
标签移动版编辑 移动版网页编辑
 
第479行: 第479行:
试验设备应符合GB/T2423.4—2008的相关规定。
试验设备应符合GB/T2423.4—2008的相关规定。


=== 5.9 二氧化硫 $(\mathbf{SO}_2)$ 腐蚀(耐久)试验 ===
=== 5.9 二氧化硫 <math>(\mathbf{SO}_2)</math> 腐蚀(耐久)试验 ===


==== 5.9.1 目的 ====
==== 5.9.1 目的 ====
第491行: 第491行:
5.9.2.2 试验条件要保持试验样品表面温度在露点以上。在条件试验过程中样品处于非通电状态。
5.9.2.2 试验条件要保持试验样品表面温度在露点以上。在条件试验过程中样品处于非通电状态。


5.9.2.3 试验后,试验样品立即置于温度为 $(40 \pm 2)^{\circ} \mathrm{C}$ 、相对湿度小于 $50\%$ 的条件下干燥 $16 \mathrm{~h}$ ,然后在正常大气条件下恢复 $1 \mathrm{~h} \sim 2 \mathrm{~h}$ ,恢复期结束后进行性能检测。
5.9.2.3 试验后,试验样品立即置于温度为 <math>(40 \pm 2)^{\circ} \mathrm{C}</math> 、相对湿度小于 50% 的条件下干燥 <math>16 \mathrm{~h}</math> ,然后在正常大气条件下恢复 <math>1 \mathrm{~h} \sim 2 \mathrm{~h}</math> ,恢复期结束后进行性能检测。


==== 5.9.3 严酷等级 ====
==== 5.9.3 严酷等级 ====


二氧化硫 $(\mathrm{SO}_2)$ 腐蚀(耐久)试验的严酷等级应满足表10的要求。试验样品可根据产品特性选取相对湿度为 $(75 \pm 5)\%$ $(93 \pm 3)\%$ 的试验条件。
二氧化硫 (<math>\mathrm{SO}_2</math>) 腐蚀(耐久)试验的严酷等级应满足表10的要求。试验样品可根据产品特性选取相对湿度为 <math>(75 \pm 5)\%</math> <math>(93 \pm 3)\%</math> 的试验条件。


表 10 二氧化硫 $\left( {\mathrm{{SO}}}_{2}\right)$ 腐蚀 (耐久) 试验严酷等级
表 10 二氧化硫 <math>\left( {\mathrm{{SO}}}_{2}\right)</math> 腐蚀 (耐久) 试验严酷等级


{| class="wikitable"
{| class="wikitable"
第505行: 第505行:
| colspan="2" | I、II、III和IV
| colspan="2" | I、II、III和IV
|-
|-
| 二氧化硫含量$10^{-6}$(体积比)
| 二氧化硫含量<math>10^{-6}</math>(体积比)
| rowspan="4" | 不试验
| rowspan="4" | 不试验
| colspan="2" | 25±5
| colspan="2" | 25±5
第532行: 第532行:
==== 5.10.2 要求 ====
==== 5.10.2 要求 ====


将试验样品直接紧固或通过夹具紧固刚性安装在冲击试验台上,使试验样品处于正常工作状态。启动冲击试验台,对质量为 $m$ (单位为 $\mathrm{kg}$ )的试验样品,以峰值加速度为 $(100 - 20\times m)\times 10\mathrm{m / s^2}$ ,脉冲持续时间为 $6\mathrm{ms}$ 的半正弦波脉冲,对试验样品3个相互垂直的轴线中每个方向连续冲击3次,总计18次。在条件试验过程中观察试验样品的状态。性能检测在条件试验后进行。
将试验样品直接紧固或通过夹具紧固刚性安装在冲击试验台上,使试验样品处于正常工作状态。启动冲击试验台,对质量为 m (单位为 <math>\mathrm{kg} </math>)的试验样品,以峰值加速度为 <math>(100 - 20\times m)\times 10\mathrm{m / s^2}</math> ,脉冲持续时间为 <math>6\mathrm{ms}</math> 的半正弦波脉冲,对试验样品3个相互垂直的轴线中每个方向连续冲击3次,总计18次。在条件试验过程中观察试验样品的状态。性能检测在条件试验后进行。


==== 5.10.3 严酷等级 ====
==== 5.10.3 严酷等级 ====


冲击试验的严酷等级应满足表11的要求。在表11中,$m$ 为试验样品的质量,单位为 $\mathrm{kg}$ 。本试验适用于质量 $m\leqslant 4.75\mathrm{kg}$ 的试验样品,当试验样品质量 $m > 4.75\mathrm{kg}$ 时,不进行该项试验。
冲击试验的严酷等级应满足表11的要求。在表11中,m为试验样品的质量,单位为 <math>\mathrm{kg} </math>。本试验适用于质量 <math>m\leqslant 4.75\mathrm{kg}</math> 的试验样品,当试验样品质量 <math>m > 4.75\mathrm{kg}</math> 时,不进行该项试验。


表 11 冲击试验严酷等级
表 11 冲击试验严酷等级
第577行: 第577行:
5.11.2.1 试验采用两种不同的试验方法。
5.11.2.1 试验采用两种不同的试验方法。


5.11.2.2 方法A是利用一只摆动锤头对试验样品进行碰撞试验,对试验样品边缘产生瞬间的冲击作用,适用于安装在天棚或墙面小件试验样品(例如探测器、报警按钮等)。将试验样品按其正常的工作位置安装在试验设备的刚性水平安装板上(见图B.4),并使样品处于正常工作状态,试验样品在试验前应至少通电 $15\mathrm{min}$
5.11.2.2 方法A是利用一只摆动锤头对试验样品进行碰撞试验,对试验样品边缘产生瞬间的冲击作用,适用于安装在天棚或墙面小件试验样品(例如探测器、报警按钮等)。将试验样品按其正常的工作位置安装在试验设备的刚性水平安装板上(见图B.4),并使样品处于正常工作状态,试验样品在试验前应至少通电 <math>15\mathrm{min}</math>


5.11.2.3 调整碰撞试验设备,使锤头碰撞面的中心能够从水平方向碰撞试验样品,并对准试验样品最易遭受破坏的部位进行碰撞。性能检测宜在条件试验后进行。
5.11.2.3 调整碰撞试验设备,使锤头碰撞面的中心能够从水平方向碰撞试验样品,并对准试验样品最易遭受破坏的部位进行碰撞。性能检测宜在条件试验后进行。
第624行: 第624行:
5.11.4.1 试验方法A  
5.11.4.1 试验方法A  


5.11.4.1.1 试验设备(见图B.4)主体是一个摆锤机构。摆锤的锤头由硬质铝合金 $\mathrm{AlCu_4SiMg}$ (经固溶、时效处理)制成, 外形为具有一个斜碰撞面的六面体。锤头的摆杆固定在带球轴承的钢轮毂上, 球轴承装在硬钢架的固定钢轴上。硬钢架的结构应保证在未安装试验样品时能够使摆锤自由旋转。
5.11.4.1.1 试验设备(见图B.4)主体是一个摆锤机构。摆锤的锤头由硬质铝合金 <math>\mathrm{AlCu_4SiMg}</math> (经固溶、时效处理)制成, 外形为具有一个斜碰撞面的六面体。锤头的摆杆固定在带球轴承的钢轮毂上, 球轴承装在硬钢架的固定钢轴上。硬钢架的结构应保证在未安装试验样品时能够使摆锤自由旋转。


5.11.4.1.2 锤头的外形尺寸为长 $94\mathrm{mm}$ 、宽 $76\mathrm{mm}$ 、高 $50\mathrm{mm}$ 。锤头斜切面与锤头纵轴之间的夹角为 $60^{\circ} \pm 1^{\circ}$ ,锤头的摆杆外径为 $(25 \pm 0.1)\mathrm{mm}$ 、壁厚为 $(1.6 \pm 0.1)\mathrm{mm}$
5.11.4.1.2 锤头的外形尺寸为长 <math>94\mathrm{mm}</math> 、宽 <math>76\mathrm{mm}</math> 、高 <math>50\mathrm{mm}</math> 。锤头斜切面与锤头纵轴之间的夹角为 60^<math>{\circ} \pm 1^{\circ}</math> ,锤头的摆杆外径为 <math>(25 \pm 0.1)\mathrm{mm}</math>、壁厚为 <math>(1.6 \pm 0.1)\mathrm{mm}</math>


5.11.4.1.3 锤头的纵轴距旋转轴线的径向距离为 $305 \mathrm{~mm}$ ,锤头的摆杆轴线要保证与旋转轴线垂直。外径为 $102 \mathrm{~mm}$ 、长为 $200 \mathrm{~mm}$ 的钢轮毂同心组装在直径为 $25 \mathrm{~mm}$ 的钢轴上。钢轴直径的精度取决于所用的轴承尺寸公差。
5.11.4.1.3 锤头的纵轴距旋转轴线的径向距离为 <math>305 \mathrm{~mm}</math> ,锤头的摆杆轴线要保证与旋转轴线垂直。外径为 <math>102 \mathrm{~mm}</math> 、长为 <math>200 \mathrm{~mm}</math> 的钢轮毂同心组装在直径为 <math>25 \mathrm{~mm}</math> 的钢轴上。钢轴直径的精度取决于所用的轴承尺寸公差。


5.11.4.1.4 在钢轮毂与摆杆相对的方向上装有两个外径为 $20 \mathrm{~mm}$ 、长为 $185 \mathrm{~mm}$ 的钢质配重臂,其伸出长度为 $150 \mathrm{~mm}$ 。在两个配重臂上装一个位置可调的配重块,以便使锤头与配重臂平衡。在钢轮毂的一端上装一个厚为 $12\mathrm{~mm}$ 、直径为 $150~\mathrm{mm}$ 的铝合金滑轮,在滑轮上缠绕一条缆绳,缆绳的一端固定在滑轮上,另一端系上工作重锤。
5.11.4.1.4 在钢轮毂与摆杆相对的方向上装有两个外径为 <math>20 \mathrm{~mm}</math> 、长为 <math>185 \mathrm{~mm}</math> 的钢质配重臂,其伸出长度为 <math>150 \mathrm{~mm}</math> 。在两个配重臂上装一个位置可调的配重块,以便使锤头与配重臂平衡。在钢轮毂的一端上装一个厚为 <math>12\mathrm{~mm}</math> 、直径为 <math>150~\mathrm{mm}</math> 的铝合金滑轮,在滑轮上缠绕一条缆绳,缆绳的一端固定在滑轮上,另一端系上工作重锤。


5.11.4.1.5 安装试验样品的水平安装板由钢架支撑着。安装板可以上下调整,以便使锤头的碰撞面中心从水平方向碰撞试验样品,如图B.4所示。在使用试验设备时,首先要按图B.4调整试验样品和安装板的位置,调好后,把安装板固紧在钢架上,然后摘下工作重锤通过调整配重块平衡摆锤机构。调整平衡后,把摆杆拉到水平位置上,系上工作重锤,当摆锤机构释放时,工作重锤将使锤头旋转 $(3\pi /2)$ rad碰撞试验样品。工作重锤的质量 $m$ $(0.388 / 3\pi r)\mathrm{kg}$ ,其中: $r$ 为滑轮的有效半径,当 $r$ $75~\mathrm{mm}$ 时,工作重锤质量约为 $0.55\mathrm{kg}$ ,锤头质量约为 $0.79\mathrm{kg}$
5.11.4.1.5 安装试验样品的水平安装板由钢架支撑着。安装板可以上下调整,以便使锤头的碰撞面中心从水平方向碰撞试验样品,如图B.4所示。在使用试验设备时,首先要按图B.4调整试验样品和安装板的位置,调好后,把安装板固紧在钢架上,然后摘下工作重锤通过调整配重块平衡摆锤机构。调整平衡后,把摆杆拉到水平位置上,系上工作重锤,当摆锤机构释放时,工作重锤将使锤头旋转 <math>(3\pi /2)</math> rad碰撞试验样品。工作重锤的质量 <math>m</math> <math>(0.388 / 3\pi r)\mathrm{kg}</math> ,其中: <math>r</math> 为滑轮的有效半径,当 <math>r</math> <math>75~\mathrm{mm}</math> 时,工作重锤质量约为 <math>0.55\mathrm{kg}</math> ,锤头质量约为 <math>0.79\mathrm{kg}</math>


==== 5.11.4.2 试验方法B ====
==== 5.11.4.2 试验方法B ====
第638行: 第638行:
5.11.4.2.1 由弹簧操纵的碰撞试验仪器如图 B.5 所示。该仪器由三个主要部分组成: 主体、碰撞件及装卸和释放弹簧的圆锥体。主体包括机壳、碰撞件导引器、释放机构和所有刚性固定部分。碰撞件包括锤头、锤轴和球形旋塞捏手。
5.11.4.2.1 由弹簧操纵的碰撞试验仪器如图 B.5 所示。该仪器由三个主要部分组成: 主体、碰撞件及装卸和释放弹簧的圆锥体。主体包括机壳、碰撞件导引器、释放机构和所有刚性固定部分。碰撞件包括锤头、锤轴和球形旋塞捏手。


5.11.4.2.2 锤头形状为半球形,半径为 $10 \mathrm{~mm}$ ,采用聚酰胺材料制成。锤头被固定在锤轴上,当碰撞件在释放点时,从锤头顶到圆锥体碰撞面的距离的近似值为表 14 中弹簧的压缩值。
5.11.4.2.2 锤头形状为半球形,半径为 <math>10 \mathrm{~mm}</math> ,采用聚酰胺材料制成。锤头被固定在锤轴上,当碰撞件在释放点时,从锤头顶到圆锥体碰撞面的距离的近似值为表 14 中弹簧的压缩值。


表 14 弹簧压缩值
表 14 弹簧压缩值
第665行: 第665行:
|}
|}


5.11.4.2.3 当释放夹片在释放碰撞件的点上时, 圆锥体弹簧受力约为 $5 \mathrm{~N}$ 。调节释放机构弹簧以便它们具有刚好足够的压力来保持释放夹片在预定的位置上。释放碰撞件所需的压力不能超过 $10 \mathrm{~N}$
5.11.4.2.3 当释放夹片在释放碰撞件的点上时, 圆锥体弹簧受力约为 <math>5 \mathrm{~N}</math> 。调节释放机构弹簧以便它们具有刚好足够的压力来保持释放夹片在预定的位置上。释放碰撞件所需的压力不能超过 <math>10 \mathrm{~N}</math>


5.11.4.2.4 锤轴、锤头的结构及锤弹簧的调节应达到如下效果,在锤头顶经过碰撞面前约 $1\mathrm{mm}$ 时,锤弹簧已经释放了它的所有势能。
5.11.4.2.4 锤轴、锤头的结构及锤弹簧的调节应达到如下效果,在锤头顶经过碰撞面前约 <math>1\mathrm{mm}</math> 时,锤弹簧已经释放了它的所有势能。


5.11.4.2.5 在其碰撞前的最后 $1\mathrm{mm}$ 的运行中,碰撞件只有动能,没有势能。此外,锤头顶经过碰撞面之后,若没有其他干扰,碰撞件至少再自由运行 $8\mathrm{mm}$
5.11.4.2.5 在其碰撞前的最后 <math>1\mathrm{mm}</math> 的运行中,碰撞件只有动能,没有势能。此外,锤头顶经过碰撞面之后,若没有其他干扰,碰撞件至少再自由运行 <math>8\mathrm{mm}</math>


=== 5.12 振动(正弦)(运行)试验 ===
=== 5.12 振动(正弦)(运行)试验 ===
第821行: 第821行:
==== 5.14.3 严酷等级(见表17) ====
==== 5.14.3 严酷等级(见表17) ====


自由跌落试验的严酷等级应满足表17的要求。质量为 $50\mathrm{kg}$ 及以上的试验样品不进行该项试验。
自由跌落试验的严酷等级应满足表17的要求。质量为 <math>50\mathrm{kg}</math> 及以上的试验样品不进行该项试验。


表 17 自由跌落试验严酷等级
表 17 自由跌落试验严酷等级
第862行: 第862行:
5.15.2.1 试验方法按照 GB/T 2423.16—2008 中规定的试验方法 1 进行。试验方法 1 不适用的情况下,可以考虑采用 GB/T 2423.16—2008 中规定的试验方法 2。
5.15.2.1 试验方法按照 GB/T 2423.16—2008 中规定的试验方法 1 进行。试验方法 1 不适用的情况下,可以考虑采用 GB/T 2423.16—2008 中规定的试验方法 2。


5.15.2.2 采用的试验菌种见表18,表中列出每种菌种预期的侵染性能以供参考。不管试验样品的性质如何,混合悬浮液应该使用所有这些菌种孢子。菌种和冷冻干孢子应从已认可的真菌菌种保藏中心获取。将它们放在标有接种日期的容器里。菌种培养物充分形成孢子后,制备孢子悬浮液。大多数情况下,在 $(29\pm 1)\mathrm{^\circ C}$ 条件下经过 $7\mathrm{d}\sim 14\mathrm{d}$ 培养就可以形成孢子。
5.15.2.2 采用的试验菌种见表18,表中列出每种菌种预期的侵染性能以供参考。不管试验样品的性质如何,混合悬浮液应该使用所有这些菌种孢子。菌种和冷冻干孢子应从已认可的真菌菌种保藏中心获取。将它们放在标有接种日期的容器里。菌种培养物充分形成孢子后,制备孢子悬浮液。大多数情况下,在 <math>(29\pm 1)\mathrm{^\circ C}</math> 条件下经过 <math>7\mathrm{d}\sim 14\mathrm{d}</math> 培养就可以形成孢子。


5.15.2.3 孢子悬浮液的制备:首先用无菌蒸馏水制备悬浮液,其中添加浓度为 $0.005\% \sim 0.01\%$ 的湿润剂,基于 $N-$ 甲级牛磺酸或二辛基硫代丁二酸钠的溶剂比较合适。湿润剂中不应含有促进或抑制霉菌生长的物质。向各菌管缓慢加入含有湿润剂的无菌水 $10~\mathrm{mL}$ 。将铂丝或者镍镉丝在火焰上烧至赤红以消毒并冷却,用其轻轻刮菌种表面以释放出孢子。轻轻震荡液体以使孢子分散而不分离出菌丝碎片。将悬浮液通过无菌玻璃纤维薄层或者孔径为 $40\mu \mathrm{m} \sim 100\mu \mathrm{m}$ 的微过滤器过滤到一个无菌离心管。过滤后的孢子悬浮液离心分离后,去掉上层清液。用不少于 $10~\mathrm{mL}$ 的无菌蒸馏水将沉淀物再悬浮、离心。如此清洗孢子3次。
5.15.2.3 孢子悬浮液的制备:首先用无菌蒸馏水制备悬浮液,其中添加浓度为 <math>0.005\% \sim 0.01\%</math> 的湿润剂,基于 <math>N-</math> 甲级牛磺酸或二辛基硫代丁二酸钠的溶剂比较合适。湿润剂中不应含有促进或抑制霉菌生长的物质。向各菌管缓慢加入含有湿润剂的无菌水 <math>10~\mathrm{mL}</math> 。将铂丝或者镍镉丝在火焰上烧至赤红以消毒并冷却,用其轻轻刮菌种表面以释放出孢子。轻轻震荡液体以使孢子分散而不分离出菌丝碎片。将悬浮液通过无菌玻璃纤维薄层或者孔径为 <math>40\mu \mathrm{m} \sim 100\mu \mathrm{m}</math> 的微过滤器过滤到一个无菌离心管。过滤后的孢子悬浮液离心分离后,去掉上层清液。用不少于 <math>10~\mathrm{mL}</math> 的无菌蒸馏水将沉淀物再悬浮、离心。如此清洗孢子3次。


表 18 试验菌种
表 18 试验菌种
第893行: 第893行:
5.15.2.4 试验方法1的准备:选用下列溶液稀释孢子沉淀物:如果试验样品要求外观检查,用表19中的无机盐溶液,但不含蔗糖;如果试验样品要求检查性能或测量电性能,则选用无菌蒸馏水。
5.15.2.4 试验方法1的准备:选用下列溶液稀释孢子沉淀物:如果试验样品要求外观检查,用表19中的无机盐溶液,但不含蔗糖;如果试验样品要求检查性能或测量电性能,则选用无菌蒸馏水。


5.15.2.5 用显微计数法或浊度法将孢子浓度稀释到 $1 \times 10^{6} / \mathrm{mL} \sim 2 \times 10^{6} / \mathrm{mL}$ 之间。按照相关接种规程,将相同体积的单一孢子溶液混合制备成最终孢子接种悬浊液。采用无机盐溶液配制的要在 $45 \mathrm{~h}$ 内使用,无菌蒸馏水配制的要求在 $6 \mathrm{~h}$ 内使用。喷洒接种要制备 $100 \mathrm{~mL}$ ;浸渍或涂刷接种要制备 $500 \mathrm{~mL}$
5.15.2.5 用显微计数法或浊度法将孢子浓度稀释到 <math>1 \times 10^{6} / \mathrm{mL} \sim 2 \times 10^{6} / \mathrm{mL}</math> 之间。按照相关接种规程,将相同体积的单一孢子溶液混合制备成最终孢子接种悬浊液。采用无机盐溶液配制的要在 <math>45 \mathrm{~h}</math> 内使用,无菌蒸馏水配制的要求在 <math>6 \mathrm{~h}</math> 内使用。喷洒接种要制备 <math>100 \mathrm{~mL}</math> ;浸渍或涂刷接种要制备 <math>500 \mathrm{~mL}</math>


5.15.2.6 试验方法2的准备:根据对照条(见5.15.2.7)用营养溶液稀释孢子沉淀物,调整孢子浓度到 $1\times 10^{6} / \mathrm{mL}\sim 2\times 10^{6} / \mathrm{mL}$ 。按照相关接种规程,将相同体积的单一孢子溶液混合制备成最终孢子接种悬浮液。孢子接种悬浮液要求在 $6\mathrm{h}$ 内使用。
5.15.2.6 试验方法2的准备:根据对照条(见5.15.2.7)用营养溶液稀释孢子沉淀物,调整孢子浓度到 <math>1\times 10^{6} / \mathrm{mL}\sim 2\times 10^{6} / \mathrm{mL}</math> 。按照相关接种规程,将相同体积的单一孢子溶液混合制备成最终孢子接种悬浮液。孢子接种悬浮液要求在 <math>6\mathrm{h}</math> 内使用。


5.15.2.7 对照条:对照条由白色滤纸或未经处理棉织品制成。制备对照条的营养液成分见表19。在 $20^{\circ}\mathrm{C}$ 下营养液 $\mathrm{pH}$ 值应为 $6.0\sim 6.5$ ,如果有需要可以用 $0.01\mathrm{mol}$ $\mathrm{NaOH}$ 溶液调节,然后放在高压蒸汽锅中 $(120\pm 1)^{\circ}\mathrm{C}$ 下灭菌 $20\mathrm{min}$ 。对照条用营养液浸泡,接种前,从营养液中取出、滴干。
5.15.2.7 对照条:对照条由白色滤纸或未经处理棉织品制成。制备对照条的营养液成分见表19。在 <math>20^{\circ}\mathrm{C}</math> 下营养液 <math>\mathrm{pH}</math> 值应为 <math>6.0\sim 6.5</math> ,如果有需要可以用 <math>0.01\mathrm{mol}</math> <math>\mathrm{NaOH}</math> 溶液调节,然后放在高压蒸汽锅中 <math>(120\pm 1)^{\circ}\mathrm{C}</math> 下灭菌 <math>20\mathrm{min}</math> 。对照条用营养液浸泡,接种前,从营养液中取出、滴干。


表 19 制备对照条的营养液成分
表 19 制备对照条的营养液成分
第916行: 第916行:
5.15.2.8 喷洒接种应使用医疗护理用超声雾化器,并与接种箱安全柜连接。
5.15.2.8 喷洒接种应使用医疗护理用超声雾化器,并与接种箱安全柜连接。


5.15.2.9 给小件试验样品接种时,应采用带盖子的、能够放置或悬挂样品及对照装置的玻璃或者塑料容器。容器的大小和形状应保证底部有足够敞露的水表面积,以保持容器内的相对湿度大于 $90\%$ 。悬挂放置应保证放置的试验样品不浸在水中或溅到水滴。将容器放入试验箱中以培养样品和对照条,试验箱内整个工作空间温度应均匀保持在 $28^{\circ}\mathrm{C} \sim 30^{\circ}\mathrm{C}$ 范围内。控温器运作引起的温度周期循环变化不应超过 $1^{\circ}\mathrm{C} / \mathrm{h}$
5.15.2.9 给小件试验样品接种时,应采用带盖子的、能够放置或悬挂样品及对照装置的玻璃或者塑料容器。容器的大小和形状应保证底部有足够敞露的水表面积,以保持容器内的相对湿度大于 <math>90\%</math> 。悬挂放置应保证放置的试验样品不浸在水中或溅到水滴。将容器放入试验箱中以培养样品和对照条,试验箱内整个工作空间温度应均匀保持在 <math>28^{\circ}\mathrm{C} \sim 30^{\circ}\mathrm{C}</math> 范围内。控温器运作引起的温度周期循环变化不应超过 <math>1^{\circ}\mathrm{C} / \mathrm{h}</math>


5.15.2.10 给大件试验样品接种时,应采用具有良好密封门的湿度试验箱,以防止箱内和试验室之间的空气交换。整个工作空间的相对湿度应保持到大于 $90\%$ ,不应有冷凝水从试验箱顶部或壁上滴到样品和对照条上。整个工作空间温度应均匀保持在 $28^{\circ}\mathrm{C} \sim 30^{\circ}\mathrm{C}$ 范围内。控温器运行引起的温度周期循环变化不应超过 $1^{\circ}\mathrm{C / h}$ 。为了使整个工作空间达到规定的均匀的温度和湿度,可以使箱内空气强迫循环,样品表面的空气流速不应超过 $1\mathrm{m / s}$
5.15.2.10 给大件试验样品接种时,应采用具有良好密封门的湿度试验箱,以防止箱内和试验室之间的空气交换。整个工作空间的相对湿度应保持到大于 <math>90\%</math> ,不应有冷凝水从试验箱顶部或壁上滴到样品 and 对照条上。整个工作空间温度应均匀保持在 <math>28^{\circ}\mathrm{C} \sim 30^{\circ}\mathrm{C}</math> 范围内。控温器运行引起的温度周期循环变化不应超过 <math>1^{\circ}\mathrm{C / h}</math> 。为了使整个工作空间达到规定的均匀的温度和湿度,可以使箱内空气强迫循环,样品表面的空气流速不应超过 <math>1\mathrm{m / s}</math>


5.15.2.11 在接种前,样品应当在温度 $(29\pm 1)^{\circ}\mathrm{C}$ 、相对湿度 $90\% \sim 100\%$ 的条件下至少贮存 $4\mathrm{h}$
5.15.2.11 在接种前,样品应当在温度 <math>(29\pm 1)^{\circ}\mathrm{C}</math> 、相对湿度 <math>90\% \sim 100\%</math> 的条件下至少贮存 <math>4\mathrm{h}</math>


5.15.2.12 培养条件为温度 $(29 \pm 1) ^{\circ} \mathrm{C}$ 、相对湿度 $90 \% \sim 100 \%$ 。对于小件试验样品,接种后将试验样品和3个对照条分开间距放置在容器内,并把容器放在培养箱中;阴性对照样品应放置在与存放试验样品的容器相同但无菌的容器中,不放置对照条,并将容器放在培养箱中。对于容器不能容纳的大件试验样品,接种以后将对照条和试验样品一起放在培养箱中,阴性对照样品应放置在单独专用、经过消毒的试验箱中。
5.15.2.12 培养条件为温度 <math>(29 \pm 1) ^{\circ} \mathrm{C}</math> 、相对湿度 <math>90 \% \sim 100 \%</math> 。对于小件试验样品,接种后将试验样品和3个对照条分开间距放置在容器内,并把容器放在培养箱中;阴性对照样品应放置在与存放试验样品的容器相同但无菌的容器中,不放置对照条,并将容器放在培养箱中。对于容器不能容纳的大件试验样品,接种以后将对照条 and 试验样品一起放在培养箱中,阴性对照样品应放置在单独专用、经过消毒的试验箱中。


容器或湿度箱在下列情况下打开:
容器或湿度箱在下列情况下打开:
第928行: 第928行:
——7d后检查对照条,确定孢子的活性及培养条件;
——7d后检查对照条,确定孢子的活性及培养条件;


——每 $7\mathrm{d}$ 为容器提供一次氧气,直至规定的培养周期结束;
——每 <math>7\mathrm{d}</math> 为容器提供一次氧气,直至规定的培养周期结束;


目测,进行中间检查。
目测,进行中间检查。


开放时间不宜超过 $5\mathrm{min}$ 。培养7d后,在每个对照条上用肉眼应观察到不同霉菌的生长。否则该试验无效,需要重新开始。
开放时间不宜超过 <math>5\mathrm{min}</math> 。培养7d后,在每个对照条上用肉眼应观察到不同霉菌的生长。否则该试验无效,需要重新开始。


5.15.2.13 试验期间,试验样品处于非通电状态。条件试验后进行试验样品的外观和性能检测。
5.15.2.13 试验期间,试验样品处于非通电状态。条件试验后进行试验样品的外观和性能检测。
第978行: 第978行:
5.16.2.1 试验方法按照GB/T2423.18—2012中规定进行。
5.16.2.1 试验方法按照GB/T2423.18—2012中规定进行。


5.16.2.2 盐溶液:试验所用的盐应是高品质的氯化钠 $(\mathrm{NaCl})$ ,干燥时,碘化钠的含量不超过 $0.1\%$ ,杂质的总含量不超过 $0.3\%$ 。盐溶液的质量分数应为 $(5 \pm 1)\%$ 。溶液应通过以下的方法制备,将质量为 $(5 \pm 1)$ 份的盐溶解在质量为95份的蒸馏水或者去离子水中。盐溶液的 $\mathrm{pH}$ 值在温度为 $(20 \pm 2)^{\circ} \mathrm{C}$ 时应在 $6.5 \sim 7.2$ 之间。条件试验时, $\mathrm{pH}$ 值应维持在该范围内。在保证氯化钠浓度的前提下,可以使用稀盐酸或者氢氧化钠溶液调节 $\mathrm{pH}$ 值。每一批新配置的溶液都应测量 $\mathrm{pH}$ 值。喷雾用过的盐溶液不应重复使用。
5.16.2.2 盐溶液:试验所用的盐应是高品质的氯化钠 <math>\mathrm{NaCl}</math> ,干燥时,碘化钠的含量不超过 <math>0.1\%</math> ,杂质的总含量不超过 <math>0.3\%</math> 。盐溶液的质量分数应为 <math>(5 \pm 1)\%</math> 。溶液应通过以下的方法制备,将质量为 <math>(5 \pm 1)</math> 份的盐溶解在质量为95份的蒸馏水或者去离子水中。盐溶液的 <math>\mathrm{pH}</math> 值在温度为 <math>(20 \pm 2)^{\circ} \mathrm{C}</math> 时应在 <math>6.5 \sim 7.2</math> 之间。条件试验时, <math>\mathrm{pH}</math> 值应维持在该范围内。在保证氯化钠浓度的前提下,可以使用稀盐酸或者氢氧化钠溶液调节 <math>\mathrm{pH}</math> 值。每一批新配置的溶液都应测量 <math>\mathrm{pH}</math> 值。喷雾用过的盐溶液不应重复使用。


5.16.2.3 气源:进入喷雾装置的压缩空气应不含任何杂质,如油、灰尘等。要采取措施使压缩空气的湿度满足试验条件的要求。空气的压力应适用于产生细小、潮湿、密集的雾。为了防止盐沉积堵塞喷雾装置,推荐喷嘴处的空气相对湿度应不低于 $85\%$ 。一种可行的方法是让气流以非常小的气泡形式通过一个自动保持水位的水塔,水温不应低于试验箱的温度。空气压力应能调节,以保证试验对溶液收集率的要求。
5.16.2.3 气源:进入喷雾装置的压缩空气应不含任何杂质,如油、灰尘等。要采取措施使压缩空气的湿度满足试验条件的要求。空气的压力应适用于产生细小、潮湿、密集的雾。为了防止盐沉积堵塞喷雾装置,推荐喷嘴处的空气相对湿度应不低于 <math>85\%</math> 。一种可行的方法是让气流以非常小的气泡形式通过一个自动保持水位的水塔,水温不应低于试验箱的温度。空气压力应能调节,以保证试验对溶液收集率的要求。


5.16.2.4 预处理:要规定试验前对试验样品所采用的清洁程序,清洁方法不应影响盐雾对试验样品的作用,且不能引入任何的二次腐蚀。同时规定是否需要移除临时性表面保护层。试验前尽量避免用手接触试验样品表面。
5.16.2.4 预处理:要规定试验前对试验样品所采用的清洁程序,清洁方法不应影响盐雾对试验样品的作用,且不能引入任何的二次腐蚀。同时规定是否需要移除临时性表面保护层。试验前尽量避免用手接触试验样品表面。


5.16.2.5 条件试验:将试验样品放入盐雾箱,按照正常使用状态进行试验。试验样品之间不应有接触,也不能与其他金属部件接触。在试验箱温度为 $15^{\circ}\mathrm{C} \sim 35^{\circ}\mathrm{C}$ 下喷盐雾 $2\mathrm{h}$ 。所有的暴露区域都应维持盐雾条件,用水平收集面积为 $80~\mathrm{cm}^2$ 的洁净器皿放置在暴露区域的任意一点,在收集周期内平均每小时收集量应在 $1.0\mathrm{mL} \sim 2.0\mathrm{mL}$ 溶液。至少应采用两个收集器,收集器应放置不受试验样品遮挡的位置,并避免搜集到各类冷凝水。为了得到精确的测量结果,在校准试验箱的喷雾速率时,喷雾周期不应少于 $8\mathrm{h}$ 。每次喷雾周期结束后,将试验样品转移到湿热箱中贮存,贮存条件是:温度为 $(40 \pm 2)^{\circ}\mathrm{C}$ ,相对湿度为 $(93 \pm 3)\%$ ,贮存时间按照表22中严酷等级的规定执行。
5.16.2.5 条件试验:将试验样品放入盐雾箱,按照正常使用状态进行试验。试验样品之间不应有接触,也不能与其他金属部件接触。在试验箱温度为 <math>15^{\circ}\mathrm{C} \sim 35^{\circ}\mathrm{C}</math> 下喷盐雾 <math>2\mathrm{h}</math> 。所有的暴露区域都应维持盐雾条件,用水平收集面积为 <math>80~\mathrm{cm}^2</math> 的洁净器皿放置在暴露区域的任意一点,在收集周期内平均每小时收集量应在 <math>1.0\mathrm{mL} \sim 2.0\mathrm{mL}</math> 溶液。至少应采用两个收集器,收集器应放置不受试验样品遮挡的位置,并避免搜集到各类冷凝水。为了得到精确的测量结果,在校准试验箱的喷雾速率时,喷雾周期不应少于 <math>8\mathrm{h}</math> 。每次喷雾周期结束后,将试验样品转移到湿热箱中贮存,贮存条件是:温度为 <math>(40 \pm 2)^{\circ}\mathrm{C}</math> ,相对湿度为 <math>(93 \pm 3)\%</math> ,贮存时间按照表22中严酷等级的规定执行。


5.16.2.6 恢复:试验结束后,试验样品应在自来水下冲洗 $5\mathrm{min}$ ,然后用蒸馏水或去离子水冲洗,然后晃动或者用气流干燥去掉水滴。清洗用水的温度不应超过 $35^{\circ}\mathrm{C}$ 。试验样品应在标准恢复条件下放置不少于 $1\mathrm{h}$ ,且不超过 $2\mathrm{h}$
5.16.2.6 恢复:试验结束后,试验样品应在自来水下冲洗 <math>5\mathrm{min}</math> ,然后用蒸馏水或去离子水冲洗,然后晃动或者用气流干燥去掉水滴。清洗用水的温度不应超过 <math>35^{\circ}\mathrm{C}</math> 。试验样品应在标准恢复条件下放置不少于 <math>1\mathrm{h}</math> ,且不超过 <math>2\mathrm{h}</math>


5.16.2.7 条件试验期间,试验样品处于非通电状态,条件试验后进行试验样品的外观和性能检测。
5.16.2.7 条件试验期间,试验样品处于非通电状态,条件试验后进行试验样品的外观和性能检测。
第992行: 第992行:
==== 5.16.3 严酷等级 ====
==== 5.16.3 严酷等级 ====


盐雾试验的严酷等级应满足表22的要求。对于在海洋环境或在近海地区使用的产品宜选择 $168\mathrm{h}$ 的湿热贮存周期时间进行试验,对于在含盐大气与干燥大气之间频繁交替使用的产品宜选择 $22\mathrm{h}$ 的湿热贮存周期时间进行试验。选择 $22\mathrm{h}$ 的湿热贮存周期时间进行试验时,试验循环周期结束后,有一个在试验用标准大气(温度 $23^{\circ}\mathrm{C} \pm 2^{\circ}\mathrm{C}$ ,相对湿度为 $45\% \sim 55\%$ )下为期3d的贮存周期,可以根据产品的特点选择该循环周期的重复次数为1、2、4或8。
盐雾试验的严酷等级应满足表22的要求。对于在海洋环境或在近海地区使用的产品宜选择 <math>168\mathrm{h}</math> 的湿热贮存周期时间进行试验,对于在含盐大气与干燥大气之间频繁交替使用的产品宜选择 <math>22\mathrm{h}</math> 的湿热贮存周期时间进行试验。选择 <math>22\mathrm{h}</math> 的湿热贮存周期时间进行试验时,试验循环周期结束后,有一个在试验用标准大气(温度 <math>23^{\circ}\mathrm{C} \pm 2^{\circ}\mathrm{C}</math> ,相对湿度为 <math>45\% \sim 55\%</math> )下为期3d的贮存周期,可以根据产品的特点选择该循环周期的重复次数为1、2、4或8。


表 22 盐雾试验严酷等级
表 22 盐雾试验严酷等级
第1,028行: 第1,028行:
5.17.2.1 试验方法按照GB/T2423.37—2006中规定的方法La2进行。
5.17.2.1 试验方法按照GB/T2423.37—2006中规定的方法La2进行。


5.17.2.2 试验用尘是干燥的非磨蚀性的细粉尘,能够通过筛孔为 $75\mu \mathrm{m}$ ,金属丝直径为 $50\mu \mathrm{m}$ 的平面网状筛。本试验中可以使用滑石粉。试验用尘使用次数不应超过20次,应注意维持干燥以保持尘粉细度。使用前应在 $80^{\circ}\mathrm{C}$ 下烘干 $2\mathrm{h}$ 。试验用尘的数量至少为 $2\mathrm{kg} / \mathrm{m}^{3}\times V$ (试验箱体积)。
5.17.2.2 试验用尘是干燥的非磨蚀性的细粉尘,能够通过筛孔为 <math>75\mu \mathrm{m}</math> ,金属丝直径为 <math>50\mu \mathrm{m}</math> 的平面网状筛。本试验中可以使用滑石粉。试验用尘使用次数不应超过20次,应注意维持干燥以保持尘粉细度。使用前应在 <math>80^{\circ}\mathrm{C}</math> 下烘干 <math>2\mathrm{h}</math> 。试验用尘的数量至少为 <math>2\mathrm{kg} / \mathrm{m}^{3}\times V</math> (试验箱体积)。


5.17.2.3 试验箱内的气流主要是自上而下的垂直气流,而非层流。气流速度应使尘在箱内均匀分布。
5.17.2.3 试验箱内的气流主要是自上而下的垂直气流,而非层流。气流速度应使尘在箱内均匀分布。


5.17.2.4 试验箱内的相对湿度应小于 $25\%$ ,可以通过提高试验箱温度获得。
5.17.2.4 试验箱内的相对湿度应小于 <math>25\%</math> ,可以通过提高试验箱温度获得。


5.17.2.5 将试验样品放入试验箱,并按正常使用位置安装。所有开放的孔保持开放。如果包含多个样品,要注意样品间不接触,不互相遮挡尘。条件试验结束后,试验样品仍然保留在试验箱内直至尘全部沉降。
5.17.2.5 将试验样品放入试验箱,并按正常使用位置安装。所有开放的孔保持开放。如果包含多个样品,要注意样品间不接触,不互相遮挡尘。条件试验结束后,试验样品仍然保留在试验箱内直至尘全部沉降。
第1,072行: 第1,072行:
5.18.2.2 在条件试验过程中试验样品处于不通电状态。条件试验后立即进行性能检测,并对试验样品的任何注水口进行检查。
5.18.2.2 在条件试验过程中试验样品处于不通电状态。条件试验后立即进行性能检测,并对试验样品的任何注水口进行检查。


5.18.2.3 对于冲水试验,试验期间,将试验样品安放在正常工作位置,完全裸露。水雾从垂直方向及与垂直方向成 $60^{\circ}$ 夹角方向向试验样品喷注。图B.6和图B.7为两种试验设备的试验简图,可任选其中一种进行试验。图B.6为固定式雨淋试验设备。进行试验时,试验样品与喷孔之间的最小距离不大于 $200~\mathrm{mm}$ ,水流量为 $1.8\mathrm{L / min}$ ,可用流量计测量,试验时间为 $5\mathrm{min}$ ,将试验样品水平转动 $90^{\circ}$ ,再继续进行 $5\mathrm{min}$ 。图B.7为手持式雨淋试验设备,且带有可移动的防护罩。进行试验时,试验样品与喷孔之间的最小距离为 $300~\mathrm{mm} \sim 500~\mathrm{mm}$ ,水流量为 $10\mathrm{L / min}$ ,试验时间至少为 $5\mathrm{min}$
5.18.2.3 对于冲水试验,试验期间,将试验样品安放在正常工作位置,完全裸露。水雾从垂直方向及与垂直方向成 <math>60^{\circ}</math> 夹角方向向试验样品喷注。图B.6和图B.7为两种试验设备的试验简图,可任选其中一种进行试验。图B.6为固定式雨淋试验设备。进行试验时,试验样品与喷孔之间的最小距离不大于 <math>200~\mathrm{mm}</math> ,水流量为 <math>1.8\mathrm{L / min}</math> ,可用流量计测量,试验时间为 <math>5\mathrm{min}</math> ,将试验样品水平转动 <math>90^{\circ}</math> ,再继续进行 <math>5\mathrm{min}</math> 。图B.7为手持式雨淋试验设备,且带有可移动的防护罩。进行试验时,试验样品与喷孔之间的最小距离为 <math>300~\mathrm{mm} \sim 500~\mathrm{mm}</math> ,水流量为 <math>10\mathrm{L / min}</math> ,试验时间至少为 <math>5\mathrm{min}</math>


5.18.2.4 对于浸水试验,将试验样品完全浸入到水箱中为了便于发现泄露,在水中可加入水溶性染料,如荧光素。浸水深度为 $0.15\mathrm{m}$ ,持续时间为 $0.5\mathrm{h}$
5.18.2.4 对于浸水试验,将试验样品完全浸入到水箱中为了便于发现泄露,在水中可加入水溶性染料,如荧光素。浸水深度为 <math>0.15\mathrm{m}</math> ,持续时间为 <math>0.5\mathrm{h}</math>


==== 5.18.3 严酷等级 ====
==== 5.18.3 严酷等级 ====
第1,094行: 第1,094行:
5.19.2.1 按照GB/T17626.14—2005中规定进行。
5.19.2.1 按照GB/T17626.14—2005中规定进行。


5.19.2.2 在条件试验过程中试验样品处于正常工作状态。对选定的严酷等级,顺序进行三次电压波动试验,每次电压波动序列的时间间隔最小为 $60\mathrm{~s}$ 的两倍。在起始电压为 $U_{\mathrm{n}}$ (标称电压)、 $U_{\mathrm{n}} - 10\% U_{\mathrm{n}}$ $U_{\mathrm{n}} + 10\% U_{\mathrm{n}}$ 这三种典型运行模式下均需进行试验。条件试验后进行性能检测。
5.19.2.2 在条件试验过程中试验样品处于正常工作状态。对选定的严酷等级,顺序进行三次电压波动试验,每次电压波动序列的时间间隔最小为 <math>60\mathrm{~s}</math> 的两倍。在起始电压为 <math>U_{\mathrm{n}}</math> (标称电压)、 <math>U_{\mathrm{n}} - 10\% U_{\mathrm{n}}</math> <math>U_{\mathrm{n}} + 10\% U_{\mathrm{n}}</math> 这三种典型运行模式下均需进行试验。条件试验后进行性能检测。


5.19.2.3 对于三相供电的试验样品,同时对三相进行试验。
5.19.2.3 对于三相供电的试验样品,同时对三相进行试验。
第1,100行: 第1,100行:
==== 5.19.3 严酷等级 ====
==== 5.19.3 严酷等级 ====


电压波动抗扰度试验的严酷等级应满足表24的要求。公用网络或其他轻骚扰网络的产品优先选择 $\Delta U = 8\% U_{\mathrm{n}}$ 级别,工业网络优先选择 $\Delta U = 12\% U_{\mathrm{n}}$ 级别。采用直流电压工作的产品不进行试验。
电压波动抗扰度试验的严酷等级应满足表24的要求。公用网络或其他轻骚扰网络的产品优先选择 <math>\Delta U = 8\% U_{\mathrm{n}}</math> 级别,工业网络优先选择 <math>\Delta U = 12\% U_{\mathrm{n}}</math> 级别。采用直流电压工作的产品不进行试验。


表 24 电压波动抗扰度试验严酷等级
表 24 电压波动抗扰度试验严酷等级
第1,144行: 第1,144行:
==== 5.20.2 要求 ====
==== 5.20.2 要求 ====


试验布置按照GB/T17626.11—2008的规定进行。在条件试验过程中试验样品要接通电源并处于正常工作状态。条件试验后进行性能检测。按每一种选定的试验等级和持续时间组合,顺序进行三次跌落或中断试验,两次试验之间最小间隔 $10\mathrm{~s~}$ ,电源电压的突变发生在电压过零处(或优先选择 $45^{\circ}$ $90^{\circ}$ $135^{\circ}$ $180^{\circ}$ $225^{\circ}$ $270^{\circ}$ $315^{\circ}$ ),对于三相供电的试验样品,三相应同时进行试验。
试验布置按照GB/T17626.11—2008的规定进行。在条件试验过程中试验样品要接通电源并处于正常工作状态。条件试验后进行性能检测。按每一种选定的试验等级和持续时间组合,顺序进行三次跌落或中断试验,两次试验之间最小间隔 <math>10\mathrm{~s~}</math> ,电源电压的突变发生在电压过零处(或优先选择 <math>45^{\circ}</math> <math>90^{\circ}</math> <math>135^{\circ}</math> <math>180^{\circ}</math> <math>225^{\circ}</math> <math>270^{\circ}</math> <math>315^{\circ}</math> ),对于三相供电的试验样品,三相应同时进行试验。


==== 5.20.3 严酷等级 ====
==== 5.20.3 严酷等级 ====
第1,190行: 第1,190行:
——静电放电发生器应保持与实施放电的表面垂直。对试验样品的导电表面实施接触放电;对试验样品的绝缘表面实施空气放电。对于表面涂漆的情况,应采用以下的操作程序:如设备生产者未说明漆膜为绝缘层,则发生器的电极应穿入漆膜,以便与导电层接触。如生产者指明漆膜是绝缘层,则应只进行空气放电。
——静电放电发生器应保持与实施放电的表面垂直。对试验样品的导电表面实施接触放电;对试验样品的绝缘表面实施空气放电。对于表面涂漆的情况,应采用以下的操作程序:如设备生产者未说明漆膜为绝缘层,则发生器的电极应穿入漆膜,以便与导电层接触。如生产者指明漆膜是绝缘层,则应只进行空气放电。


——试验应以单次放电的方式进行。在预选点上实施放电的时候,发生器的放电回路电缆应与受试设备的距离至少应保持 $0.2\mathrm{m}$ ,至少施加10次单次放电(最敏感的极性)。连续单次放电之间的时间间隔建议至少 $1\mathrm{s}$
——试验应以单次放电的方式进行。在预选点上实施放电的时候,发生器的放电回路电缆应与受试设备的距离至少应保持 <math>0.2\mathrm{m}</math> ,至少施加10次单次放电(最敏感的极性)。连续单次放电之间的时间间隔建议至少 <math>1\mathrm{s}</math>


——在接触放电的情况下,放电电极的顶端应在操作放电开关之前接触受试设备。
——在接触放电的情况下,放电电极的顶端应在操作放电开关之前接触受试设备。
第1,200行: 第1,200行:
——对于放置于或安装在受试设备附近的物体放电,应采用静电放电发生器对耦合板接触放电的方式进行模拟。
——对于放置于或安装在受试设备附近的物体放电,应采用静电放电发生器对耦合板接触放电的方式进行模拟。


——对于放置在受试设备下方的水平耦合板,放电时,放电电极的长轴与水平耦合板应处于同一平面,并与水平耦合板的边缘垂直。在距受试设备中心点对面的 $0.1 \mathrm{~m}$ 处水平耦合板边缘,以最敏感的极性至少对水平耦合板施加 10 次单次放电(见图 B.8)。
——对于放置在受试设备下方的水平耦合板,放电时,放电电极的长轴与水平耦合板应处于同一平面,并与水平耦合板的边缘垂直。在距受试设备中心点对面的 <math>0.1 \mathrm{~m}</math> 处水平耦合板边缘,以最敏感的极性至少对水平耦合板施加 10 次单次放电(见图 B.8)。


——对于垂直耦合板,应将尺寸为 $0.5\mathrm{m}\times 0.5\mathrm{m}$ 的耦合板平行于受试设备放置且保持 $0.1\mathrm{m}$ 的距离,应对耦合板的一个垂直边的中心,以最敏感的极性至少施加10次单次放电。放电应施加在耦合板上,通过调整耦合板位置,使受试设备四面不同的位置都受到放电试验(见图B.8、图B.9)。
——对于垂直耦合板,应将尺寸为 <math>0.5\mathrm{m}\times 0.5\mathrm{m}</math> 的耦合板平行于受试设备放置且保持 <math>0.1\mathrm{m}</math>的距离,应对耦合板的一个垂直边的中心,以最敏感的极性至少施加10次单次放电。放电应施加在耦合板上,通过调整耦合板位置,使受试设备四面不同的位置都受到放电试验(见图B.8、图B.9)。


——安装后试验的配置遵循GB/T17626.2—2018的规定。
——安装后试验的配置遵循GB/T17626.2—2018的规定。
第1,243行: 第1,243行:
5.22.2.2 在条件试验过程中试验样品要接通电源并处于工作状态。条件试验后进行性能检测。
5.22.2.2 在条件试验过程中试验样品要接通电源并处于工作状态。条件试验后进行性能检测。


5.22.2.3 首先使试验样品的一面与均匀域平面重合,用 $1\mathrm{kHz}$ 的正弦波对信号进行 $80\%$ 的幅度调制后,在 $80\mathrm{MHz} \sim 1000\mathrm{MHz}$ 的频率范围内进行扫描。当需要时,可以暂停扫描以调整射频信号电平和振荡器波段开关和天线。扫频过程频率逐步增加,步长不超过前一频率的 $1\%$ 。每一频率点上扫描驻留时间不应短于试验样品操作和反应所需时间,且不得短于 $0.5\mathrm{s}$ 。敏感点(如时钟频率)应个别考虑。
5.22.2.3 首先使试验样品的一面与均匀域平面重合,用 <math>1\mathrm{kHz}</math> 的正弦波对信号进行 80% 的幅度调制后,在 <math>80\mathrm{MHz} \sim 1000\mathrm{MHz}</math> 的频率范围内进行扫描。当需要时,可以暂停扫描以调整射频信号电平和振荡器波段开关和天线。扫频过程频率逐步增加,步长不超过前一频率的 1%。每一频率点上扫描驻留时间不应短于试验样品操作和反应所需时间,且不得短于 <math>0.5\mathrm{s}</math> 。敏感点(如时钟频率)应个别考虑。


5.22.2.4 应对试验样品的四个面分别进行试验。试验样品能以不同方向(如垂直或水平)放置使用时,各个侧面均应试验。对试验样品的每一侧面要在发射天线的两种极化状态下进行试验,一次在天线垂直极化位置,一次在天线水平极化位置。
5.22.2.4 应对试验样品的四个面分别进行试验。试验样品能以不同方向(如垂直或水平)放置使用时,各个侧面均应试验。对试验样品的每一侧面要在发射天线的两种极化状态下进行试验,一次在天线垂直极化位置,一次在天线水平极化位置。
第1,249行: 第1,249行:
==== 5.22.3 严酷等级 ====
==== 5.22.3 严酷等级 ====


射频电磁场辐射抗扰度试验的严酷等级应满足表27的要求。采用无线通信及其他射频发射装置的产品或其他特殊场合使用的产品可根据其工作频段及特点扩大试验的频率范围为 $0.8\mathrm{GHz}\sim$ $6\mathrm{GHz}$ ,并不要求试验在整个频率范围内连续进行。
射频电磁场辐射抗扰度试验的严酷等级应满足表27的要求。采用无线通信及其他射频发射装置的产品或其他特殊场合使用的产品可根据其工作频段及特点扩大试验的频率范围为 <math>0.8\mathrm{GHz}\sim</math> <math>6\mathrm{GHz}</math> ,并不要求试验在整个频率范围内连续进行。


表 27 射频电磁场辐射抗扰度试验严酷等级
表 27 射频电磁场辐射抗扰度试验严酷等级
第1,279行: 第1,279行:
5.23.2.1 在试验室进行的试验,试验配置遵循GB/T17626.4—2018的规定。
5.23.2.1 在试验室进行的试验,试验配置遵循GB/T17626.4—2018的规定。


5.23.2.2 图 B.16 为 AC 电源线试验用耦合/去耦网络, 图 B.17 为其他外连接线试验用电容耦合夹, 图 B.18 为 $50 \Omega$ 负载时单脉冲波形图, 图 B.19 为一组脉冲波形图, 图 B.20 为电瞬变脉冲发生器电原理图。
5.23.2.2 图 B.16 为 AC 电源线试验用耦合/去耦网络, 图 B.17 为其他外连接线试验用电容耦合夹, 图 B.18 为 <math>50 \Omega</math> 负载时单脉冲波形图, 图 B.19 为一组脉冲波形图, 图 B.20 为电瞬变脉冲发生器电原理图。


5.23.2.3 在条件试验过程中试验样品要接通电源并处于工作状态。条件试验后进行性能检测。
5.23.2.3 在条件试验过程中试验样品要接通电源并处于工作状态。条件试验后进行性能检测。


5.23.2.4 用图 B.16 所示耦合/去耦网络对试验样品的电源线施加规定的电压及频率的正负极性瞬变脉冲电压;用图 B.17 所示电容耦合夹对试验样品的其他外接线施加规定的电压及频率的正负极性瞬变脉冲电压,每 $300 \mathrm{~ms}$ 施加瞬变脉冲电压 $15 \mathrm{~ms}$ ,施加两次瞬变脉冲群电压的时间间隔为 $10 \mathrm{~s}$
5.23.2.4 用图 B.16 所示耦合/去耦网络对试验样品的电源线施加规定的电压及频率的正负极性瞬变脉冲电压;用图 B.17 所示电容耦合夹对试验样品的其他外接线施加规定的电压及频率的正负极性瞬变脉冲电压,每 <math>300 \mathrm{~ms}</math> 施加瞬变脉冲电压 <math>15 \mathrm{~ms}</math> ,施加两次瞬变脉冲群电压的时间间隔为 <math>10 \mathrm{~s}</math>


==== 5.23.3 严酷等级 ====
==== 5.23.3 严酷等级 ====
第1,339行: 第1,339行:
5.24.2.1 试验配置按GB/T17626.5—2019的规定进行。
5.24.2.1 试验配置按GB/T17626.5—2019的规定进行。


5.24.2.2 图B.21为交/直流线上电容耦合试验配置示例(线-线耦合),图B.22为交/直流线上电容耦合试验配置示例(线-地耦合),图B.23为交流线(三相)上电容耦合的试验配置示例(线 $\mathrm{L}_3$ -线 $\mathrm{L}_1$ 耦合),图B.24为交流线(三相)上电容耦合的试验配置示例(线 $\mathrm{L}_3$ -地耦合,信号发生器输出接地),图B.25为非屏蔽不对称互连线试验配置示例,图B.26、图B.27为非屏蔽对称工作线路试验配置示例。
5.24.2.2 图B.21为交/直流线上电容耦合试验配置示例(线-线耦合),图B.22为交/直流线上电容耦合试验配置示例(线-地耦合),图B.23为交流线(三相)上电容耦合的试验配置示例(线 <math>\mathrm{L}_3</math> -线 <math>\mathrm{L}_1</math> 耦合),图B.24为交流线(三相)上电容耦合的试验配置示例(线 <math>\mathrm{L}_3</math> -地耦合,信号发生器输出接地),图B.25为非屏蔽不对称互连线试验配置示例,图B.26、图B.27为非屏蔽对称工作线路试验配置示例。


5.24.2.3 在条件试验过程中试验样品应接通电源并处于工作状态。条件试验后进行性能检测。
5.24.2.3 在条件试验过程中试验样品应接通电源并处于工作状态。条件试验后进行性能检测。
第1,380行: 第1,380行:
==== 5.25.1 目的 ====
==== 5.25.1 目的 ====


确定消防电子产品对来自 $150\mathrm{kHz}\sim 80\mathrm{MHz}$ 频率范围内射频发射机电磁骚扰的适应性。
确定消防电子产品对来自 <math>150\mathrm{kHz}\sim 80\mathrm{MHz}</math> 频率范围内射频发射机电磁骚扰的适应性。


==== 5.25.2 要求 ====
==== 5.25.2 要求 ====
第1,390行: 第1,390行:
5.25.2.3 条件试验过程中试验样品要接通电源并处于正常工作状态,在条件试验后进行性能检测。
5.25.2.3 条件试验过程中试验样品要接通电源并处于正常工作状态,在条件试验后进行性能检测。


5.25.2.4 按试验程序设定的信号电平在 $150\mathrm{kHz}\sim 80\mathrm{MHz}$ 频率范围内扫频,骚扰信号为 $1\mathrm{kHz}$ 正弦波调幅,调制幅度为 $80\%$ 。如果需要,暂停试验并调整射频信号电平或切换耦合装置。频率递增扫频时,步长不应超过开始频率的 $1\%$ 。此后,步进的大小不应超过前一频率值的 $1\%$ 。在每一频率上的驻留时间,不应少于受试设备所需的运行和响应时间,但不应低于 $0.5\mathrm{s}$ 。对于敏感频率(例如时钟频率)应单独进行分析。
5.25.2.4 按试验程序设定的信号电平在 <math>150\mathrm{kHz}\sim 80\mathrm{MHz}</math> 频率范围内扫频,骚扰信号为 <math>1\mathrm{kHz}</math> 正弦波调幅,调制幅度为 <math>80\%</math> 。如果需要,暂停试验并调整射频信号电平或切换耦合装置。频率递增扫频时,步长不应超过开始频率的 <math>1\%</math> 。此后,步进的大小不应超过前一频率值的 <math>1\%</math> 。在每一频率上的驻留时间,不应少于受试设备所需的运行和响应时间,但不应低于 <math>0.5\mathrm{s}</math> 。对于敏感频率(例如时钟频率)应单独进行分析。


==== 5.25.3 严酷等级 ====
==== 5.25.3 严酷等级 ====
第1,431行: 第1,431行:
5.26.2.1 试验方法按照GB/T17626.8—2006的规定进行。
5.26.2.1 试验方法按照GB/T17626.8—2006的规定进行。


5.26.2.2 试验室的电磁条件应能保证正确操作试验样品,而不致影响试验结果。否则,试验应在法拉第笼中进行。试验室的背景电磁场应至少比所选定的试验等级低 $20\mathrm{dB}$
5.26.2.2 试验室的电磁条件应能保证正确操作试验样品,而不致影响试验结果。否则,试验应在法拉第笼中进行。试验室的背景电磁场应至少比所选定的试验等级低 <math>20\mathrm{dB}</math>


5.26.2.3 对于台式试验样品,试验应处于标准尺寸 $(1\mathrm{m}\times 1\mathrm{m})$ 的感应线圈产生的试验磁场中。随后感应线圈应旋转 $90^{\circ}$ ,以使试验样品暴露在不同方向的试验磁场中。
5.26.2.3 对于台式试验样品,试验应处于标准尺寸 <math>(1\mathrm{m}\times 1\mathrm{m})</math> 的感应线圈产生的试验磁场中。随后感应线圈应旋转 <math>90^{\circ}</math> ,以使试验样品暴露在不同方向的试验磁场中。


5.26.2.4 对于立式试验样品,试验样品应处于适当大小的感应线圈所产生的试验磁场中,试验应通过移动感应线圈来重复进行,在每个正交方向对试验样品整体进行试验。试验以线圈最短的一边的 $50\%$ 为步长,沿试验样品的侧面将线圈移动到不同的位置重复进行。为使试验样品暴露在不同方向的试验磁场中,感应线圈应旋转 $90^{\circ}$ ,按相同的程序进行试验。
5.26.2.4 对于立式试验样品,试验样品应处于适当大小的感应线圈所产生的试验磁场中,试验应通过移动感应线圈来重复进行,在每个正交方向对试验样品整体进行试验。试验以线圈最短的一边的 <math>50\%</math> 为步长,沿试验样品的侧面将线圈移动到不同的位置重复进行。为使试验样品暴露在不同方向的试验磁场中,感应线圈应旋转 <math>90^{\circ}</math> ,按相同的程序进行试验。


5.26.2.5 条件试验过程中试验样品要接通电源并处于正常工作状态,在条件试验后进行性能检测。
5.26.2.5 条件试验过程中试验样品要接通电源并处于正常工作状态,在条件试验后进行性能检测。
第1,462行: 第1,462行:
==== 5.27.1 目的 ====
==== 5.27.1 目的 ====


确定消防电子产品在使用环境中对低压电网 $(50\mathrm{Hz})$ 中的谐波干扰的适应性。
确定消防电子产品在使用环境中对低压电网 <math>(50\mathrm{Hz})</math> 中的谐波干扰的适应性。


==== 5.27.2 要求 ====
==== 5.27.2 要求 ====
第1,468行: 第1,468行:
5.27.2.1 试验方法按照GB/T17626.13—2006的规定进行。
5.27.2.1 试验方法按照GB/T17626.13—2006的规定进行。


5.27.2.2 试验期间,扫频的幅值依赖于频率范围。频率扫描(模拟)或阶跃(数字)的速率不小于每10倍频程 $5\mathrm{min}$ ,扫描中遇到的试验样品的性能异常的频率点以及所有的谐振点,应驻留,每个频率点的驻留时间至少为 $120~\mathrm{s}$ 。谐振点的确定应在完成扫频试验时进行。
5.27.2.2 试验期间,扫频的幅值依赖于频率范围。频率扫描(模拟)或阶跃(数字)的速率不小于每10倍频程 <math>5\mathrm{min}</math> ,扫描中遇到的试验样品的性能异常的频率点以及所有的谐振点,应驻留,每个频率点的驻留时间至少为 <math>120~\mathrm{s}</math> 。谐振点的确定应在完成扫频试验时进行。


5.27.2.3 对于三相试验样品,谐波或谐间波畸变电压应同时施加在三相的线-中性点之间,并且每个线-中性点电压中的谐波应与相应的基波电压波形有相同的相位关系,即相互有 $120^{\circ}$ 相位移。本方法要求试验发生器的输出应有中性点,并且不应有不传输同极性的3的倍数次谐波的三相输出变压器。该方法不适用于无中性点连接的三相试验样品。
5.27.2.3 对于三相试验样品,谐波或谐间波畸变电压应同时施加在三相的线-中性点之间,并且每个线-中性点电压中的谐波应与相应的基波电压波形有相同的相位关系,即相互有 <math>120^{\circ}</math> 相位移。本方法要求试验发生器的输出应有中性点,并且不应有不传输同极性的3的倍数次谐波的三相输出变压器。该方法不适用于无中性点连接的三相试验样品。


5.27.2.4 条件试验过程中试验样品要接通电源并处于正常工作状态,在条件试验后进行性能检测。
5.27.2.4 条件试验过程中试验样品要接通电源并处于正常工作状态,在条件试验后进行性能检测。
第1,648行: 第1,648行:
图B.11 静电放电发生器电原理图
图B.11 静电放电发生器电原理图


注:图中省略的 $C_{\mathrm{d}}$ 是存在于发生器与受试设备,接地参考平面以及耦合板之间的分布电容。由于此电容分布在整个发生器上,因此,在该回路中不可能标明。
注:图中省略的 <math>C_{\mathrm{d}}</math> 是存在于发生器与受试设备,接地参考平面以及耦合板之间的分布电容。由于此电容分布在整个发生器上,因此,在该回路中不可能标明。


静电放电发生器的放电电极如图B.12所示。
静电放电发生器的放电电极如图B.12所示。
第1,700行: 第1,700行:




$50\Omega$ 负载时单脉冲波形如图B.18所示。
<math>50\Omega</math> 负载时单脉冲波形如图B.18所示。


[[文件:消防电子产品环境试验方法及严酷等级 图B.18.jpg|400px]]
[[文件:消防电子产品环境试验方法及严酷等级 图B.18.jpg|400px]]


图B.18 $50\Omega$ 负载时单脉冲波形
图B.18 <math>50\Omega</math> 负载时单脉冲波形




第1,723行: 第1,723行:
标引序号说明:
标引序号说明:


* $U$ ——高压源;
* <math>U</math> ——高压源;
* $R_{\mathrm{c}}$ ——充电电阻;
 
* $C_{\mathrm{c}}$ ——储能电容器;
* <math>R_{\mathrm{c}}</math> ——充电电阻;
* $R_{\mathrm{s}}$ ——脉冲持续时间形成电阻;
 
* $R_{\mathrm{m}}$ ——阻抗匹配电阻;
* <math>C_{\mathrm{c}}</math> ——储能电容器;
* $C_{\mathrm{d}}$ ——隔直电容。
 
* <math>R_{\mathrm{s}}</math> ——脉冲持续时间形成电阻;
 
* <math>R_{\mathrm{m}}</math> ——阻抗匹配电阻;
 
* <math>C_{\mathrm{d}}</math> ——隔直电容。
 


交/直流线上电容耦合的试验配置示例(线-线耦合)如图B.21所示。
交/直流线上电容耦合的试验配置示例(线-线耦合)如图B.21所示。
第1,743行: 第1,749行:
图B.22 交/直流线上电容耦合的试验配置示例(线-地耦合)
图B.22 交/直流线上电容耦合的试验配置示例(线-地耦合)


交流线(三相)上电容耦合的试验配置示例(线 $\mathrm{L}_3$ -线 $\mathrm{L}_1$ 耦合)如图B.23所示。
交流线(三相)上电容耦合的试验配置示例(线 <math>\mathrm{L}_3</math> -线 <math>\mathrm{L}_1</math> 耦合)如图B.23所示。


[[文件:消防电子产品环境试验方法及严酷等级 图B.23.jpg|400px]]
[[文件:消防电子产品环境试验方法及严酷等级 图B.23.jpg|400px]]


图B.23 交流线(三相)上电容耦合的试验配置示例(线 $\mathbf{L}_3$ -线 $\mathbf{L}_1$ 耦合)
图B.23 交流线(三相)上电容耦合的试验配置示例(线 <math>\mathbf{L}_3</math> -线 <math>\mathbf{L}_1</math> 耦合)




交流线(三相)上电容耦合的试验配置示例(线 $\mathrm{L}_3$ -地耦合)如图B.24所示。
交流线(三相)上电容耦合的试验配置示例(线 <math>\mathrm{L}_3</math> -地耦合)如图B.24所示。


[[文件:消防电子产品环境试验方法及严酷等级 图B.24.jpg|400px]]
[[文件:消防电子产品环境试验方法及严酷等级 图B.24.jpg|400px]]


图B.24 交流线(三相)上电容耦合的试验配置示例(线 $\mathbf{L}_3$ -地耦合)
图B.24 交流线(三相)上电容耦合的试验配置示例(线 <math>\mathbf{L}_</math>3 -地耦合)




第1,763行: 第1,769行:
图B.25 非屏蔽不对称互连线的试验配置示例(线-线/线-地耦合)
图B.25 非屏蔽不对称互连线的试验配置示例(线-线/线-地耦合)


* 注1:开关 $\mathrm{S}_1$ :线-地,置于“0”;线-线,置于“1”~“4”。
 
* 注2:开关 $\mathrm{S}_2$ :试验时置于“1”~“4”但与 $\mathrm{S}_1$ 不在相同的位置。
* 注1:开关 <math>\mathrm{S}_1</math> :线-地,置于“0”;线-线,置于“1”~“4”。
 
* 注2:开关 <math>\mathrm{S}_2</math> :试验时置于“1”~“4”但与 <math>\mathrm{S}_1</math> 不在相同的位置。
 
* 注3:图中CD为隔离和耦合装置。
* 注3:图中CD为隔离和耦合装置。


非屏蔽对称工作线路试验配置示例(线-地耦合)如图B.26所示。
非屏蔽对称工作线路试验配置示例(线-地耦合)如图B.26所示。
第1,774行: 第1,784行:




耦合电阻值 $R_{\mathrm{C}}$ 的计算:
耦合电阻值 <math>R_{\mathrm{C}}</math> 的计算:


例如:当 $n = 4$ 时, $R_{\mathrm{C}} = 4\times 40\Omega = 160\Omega$
例如:当 <math>n = 4</math> 时, <math>R_{\mathrm{C}} = 4\times 40\Omega = 160\Omega</math>


选择耦合电阻值使得其并联电阻为 $40\Omega$ 。对于4线端口的试验,要求4个 $160\Omega$ 的电阻。
选择耦合电阻值使得其并联电阻为 <math>40\Omega</math> 。对于4线端口的试验,要求4个 <math>160\Omega</math> 的电阻。


作为电流补偿的 $L$ ,可以包含全部4个线圈,也可以仅包含图中被使用的成对线圈。
作为电流补偿的 <math>L</math> ,可以包含全部4个线圈,也可以仅包含图中被使用的成对线圈。


非屏蔽对称工作线路试验配置示例(线-地耦合,用电容耦合)如图B.27所示。
非屏蔽对称工作线路试验配置示例(线-地耦合,用电容耦合)如图B.27所示。
第1,791行: 第1,801行:
耦合电阻值和电容值的计算:
耦合电阻值和电容值的计算:


$R_{\mathrm{C}}$ $R_{\mathrm{D}}$ :选择耦合电阻,使其并联电阻为 $40\Omega$ 。因此,以2对线端口的试验为例,要求2个电阻,阻值分别为 $80\Omega$
<math>R_{\mathrm{C}}</math> <math>R_{\mathrm{D}}</math> :选择耦合电阻,使其并联电阻为 <math>40\Omega</math> 。因此,以2对线端口的试验为例,要求2个电阻,阻值分别为 <math>80\Omega</math>


以4对线端口为例,要求4个电阻,阻值分别为 $160\Omega$
以4对线端口为例,要求4个电阻,阻值分别为 <math>160\Omega</math>


$R_{\mathrm{A}}, R_{\mathrm{B}}, C_{1}, C_{2}, L_{1}, L_{2}, L_{3}$ :应对所有组件进行选择,以满足规定的脉冲参数。
<math>R_{\mathrm{A}}, R_{\mathrm{B}}, C_{1}, C_{2}, L_{1}, L_{2}, L_{3}</math> :应对所有组件进行选择,以满足规定的脉冲参数。


未连接CDN的发生器输出端的开路电压波形如图B.28所示。
未连接CDN的发生器输出端的开路电压波形如图B.28所示。


归一化 $U_{\mathrm{oc}}$
归一化 <math>U_{\mathrm{oc}}</math>


[[文件:消防电子产品环境试验方法及严酷等级 图B.28.jpg|400px]]
[[文件:消防电子产品环境试验方法及严酷等级 图B.28.jpg|400px]]
第1,806行: 第1,816行:




波前时间: $T_{1} = 1.67\times T = 1.2\times (1\pm 30\%)\mu \mathrm{s}$
波前时间: <math>T_{1} = 1.67\times T = 1.2\times (1\pm 30\%)\mu \mathrm{s}</math>


持续时间: $T_{2} = 50\times (1\pm 20\%)\mu \mathrm{s}$
持续时间: <math>T_{2} = 50\times (1\pm 20\%)\mu \mathrm{s}</math>


未连接CDN的发生器输出端的短路电流波形如图B.29所示。
未连接CDN的发生器输出端的短路电流波形如图B.29所示。


归一化 $I_{\mathrm{oc}}$
归一化 <math>I_{\mathrm{oc}}</math>


[[文件:消防电子产品环境试验方法及严酷等级 图B.29.jpg|400px]]
[[文件:消防电子产品环境试验方法及严酷等级 图B.29.jpg|400px]]
第1,819行: 第1,829行:




波前时间: $T_{1} = 1.25\times T = 8\times (1\pm 20\%)\mu \mathrm{s}$
波前时间: <math>T_{1} = 1.25\times T = 8\times (1\pm 20\%)\mu \mathrm{s}</math>
 
持续时间: <math>T_{2} = 20\times (1\pm 20\%) \mu \mathrm{s}</math>


持续时间: $T_{2} = 20\times (1\pm 20\%) \mu \mathrm{s}$


组合波发生器的电路原理如图B.30所示。
组合波发生器的电路原理如图B.30所示。
第1,832行: 第1,843行:
标引序号说明:
标引序号说明:


* $U$ ——高压源;
* <math>U</math> ——高压源;
* $R_{\mathrm{c}}$ ——充电电阻;
 
* $C_{\mathrm{c}}$ ——储能电容;
* <math>R_{\mathrm{c}}</math> ——充电电阻;
* $R_{\mathrm{s1}}$ $R_{\mathrm{s2}}$ ——脉冲持续时间形成电阻;
 
* $R_{\mathrm{m}}$ ——阻抗匹配电阻;
* <math>C_{\mathrm{c}}</math> ——储能电容;
* $L_{\mathrm{r}}$ —上升时间形成电感。
 
* <math>R_{\mathrm{s1}}</math> <math>R_{\mathrm{s2}}</math> ——脉冲持续时间形成电阻;
 
* <math>R_{\mathrm{m}}</math> ——阻抗匹配电阻;
 
* <math>L_{\mathrm{r}}</math> —上升时间形成电感。


单一试验样品布置如图B.31所示。
单一试验样品布置如图B.31所示。
第1,846行: 第1,862行:




样品到任何金属障碍物的距离应至少为 $0.5\mathrm{m}$
样品到任何金属障碍物的距离应至少为 <math>0.5\mathrm{m}</math>


CDNs(耦合和去耦网络)所有非激励的输入端口应用 $50\Omega$ 负载连接。
CDNs(耦合和去耦网络)所有非激励的输入端口应用 <math>50\Omega</math> 负载连接。


$T$ 应为 $50\Omega$ 的终端电阻。
<math>T</math> 应为 <math>50\Omega</math> 的终端电阻。


多单元系统的试验布置如图B.32所示。
多单元系统的试验布置如图B.32所示。
第1,859行: 第1,875行:




样品到任何金属障碍物的距离应至少为 $0.5\mathrm{m}$
样品到任何金属障碍物的距离应至少为 <math>0.5\mathrm{m}</math>


CDNs(耦合和去耦网络)所有非激励的输入端口应用 $50\Omega$ 负载连接。
CDNs(耦合和去耦网络)所有非激励的输入端口应用 <math>50\Omega</math> 负载连接。


T2应为功率衰减器(6dB)。
T2应为功率衰减器(6dB)。


负载端接属于样品的互联电缆 $(\leqslant 1\mathrm{m})$ 应置于绝缘座上。
负载端接属于样品的互联电缆 <math>(\leqslant 1\mathrm{m})</math> 应置于绝缘座上。






[[Category:消防法规]]
[[Category:消防法规]]

2026年1月9日 (五) 15:13的最新版本

引用资料


文件:消防电子产品环境试验方法及严酷等级GBT+16838-2021.pdf



前言

本文件按照GB/T1.1—2020《标准化工作导则第1部分:标准化文件的结构和起草规则》的规定起草。

本文件代替GB/T16838—2005《消防电子产品环境试验方法及严酷等级》,与GB/T16838—2005相比,除结构调整和编辑性改动外,主要技术变化如下:

  • 将严酷等级的分类由原来的4个级别改为5个级别(见4.3.1,2005年版的3.3);
  • 修改了高温(运行)试验、高温(耐久)试验、低温(运行)试验、低温(耐久)试验、恒定湿热(运行)试验、恒定湿热(耐久)试验、交变湿热(运行)试验、交变湿热(耐久)试验、水试验、电压波动抗扰度试验、电压暂降、短时中断和电压变化的抗扰度试验、静电放电抗扰度试验、射频电磁场辐射抗扰度试验、电快速瞬变脉冲群抗扰度试验、浪涌(冲击)抗扰度试验和射频场感应的传导骚扰抗扰度试验(见 5.1~5.8, 5.18~5.25,2005年版的 4.1~4.8, 4.14~4.19 和4.21);
  • 新增了对消防电子产品安全完整性等级的要求(见4.2);
  • 新增了自由跌落试验、长霉试验、盐雾试验、沙尘试验、工频磁场抗扰度试验、交流电源端口谐波、谐间波及电网信号的低频抗扰度试验项目(见5.14、5.15、5.16、5.17、5.26、5.27)。

本文件由中华人民共和国应急管理部提出。

本文件由全国消防标准化技术委员会(SAC/TC113)归口。

本文件起草单位:应急管理部沈阳消防研究所、吉林省消防救援总队、北京利达华信电子有限公司、首安工业消防有限公司、英宏消防技术(福建)有限公司。

本文件主要起草人:全瑞涛、郭锐、李海涛、王宇行、郭金龙、赵宇、王艳娥、刘美华、朱峰、陈洪颖、李伟刚、李鑫。

本文件及其所代替文件的历次版本发布情况为:

1997年首次发布为GB16838—1997;2005年第一次修订;

  • 本次为第二次修订。

消防电子产品环境试验方法及严酷等级

1 范围

本文件规定了消防电子产品的环境试验方法、严酷等级及功能安全要求。

本文件适用于各类消防电子产品。对于特殊场所使用的消防电子产品,如采用比本文件更为严酷的环境试验条件,除试验参数另行规定外,试验方法亦可参照本文件。

2 规范性引用文件

下列文件中的内容通过文中的规范性引用而构成本文件必不可少的条款。其中,注日期的引用文件,仅该日期对应的版本适用于本文件;不注日期的引用文件,其最新版本(包括所有的修改单)适用于本文件。

GB/T2423.1—2008 电工电子产品环境试验 第2部分:试验方法 试验A:低温

GB/T2423.2—2008 电工电子产品环境试验 第2部分:试验方法 试验B:高温

GB/T2423.3—2016 环境试验 第2部分:试验方法 试验Cab:恒定湿热试验

GB/T2423.4—2008 电工电子产品环境试验 第2部分:试验方法 试验Db:交变湿热(12h+12h循环)

GB/T2423.7—2018 环境试验 第2部分:试验方法 试验Ec:粗率操作造成的冲击(主要用于设备型样品)

GB/T2423.16—2008 电工电子产品环境试验 第2部分:试验方法 试验J及导则:长霉

GB/T2423.18—2012 环境试验 第2部分:试验方法 试验Kb:盐雾,交变(氯化钠溶液)

GB/T2423.19—2013 环境试验 第2部分:试验方法 试验Kc:接触点和连接件的二氧化硫试验

GB/T2423.37—2006 电工电子产品环境试验 第2部分:试验方法 试验L:沙尘试验

GB/T2423.38—2008 电工电子产品环境试验 第2部分:试验方法 试验R:水试验方法和导则

GB/T4208—2017 外壳防护等级(IP代码)

GB/T17626.2—2018 电磁兼容 试验和测量技术 静电放电抗扰度试验

GB/T 17626.3—2016 电磁兼容 试验和测量技术 射频电磁场辐射抗扰度试验

GB/T 17626.4—2018 电磁兼容 试验和测量技术 电快速瞬变脉冲群抗扰度试验

GB/T17626.5—2019 电磁兼容 试验和测量技术 浪涌(冲击)抗扰度试验

GB/T 17626.6—2017 电磁兼容 试验和测量技术 射频场感应的传导骚扰抗扰度

GB/T17626.8—2006 电磁兼容 试验和测量技术 工频磁场抗扰度试验

GB/T17626.11—2008 电磁兼容 试验和测量技术 电压暂降、短时中断和电压变化的抗扰度试验

GB/T17626.13—2006 电磁兼容 试验和测量技术 交流电源端口谐波、谐间波及电网信号的低频抗扰度试验

GB/T17626.14—2005 电磁兼容 试验和测量技术 电压波动抗扰扰度试验

GB/T20438.1—2017电气/电子/可编程电子安全相关系统的功能安全第1部分:一般要求

GB/T20438.3—2017 电气/电子/可编程电子安全相关系统的功能安全 第3部分:软件要求

3 术语和定义

本文件没有需要界定的术语和定义。

4 总则

4.1 一般要求

消防电子产品应根据使用环境和应用场所进行分类,确定其在耐受各类环境试验影响的严酷等级,及其在特定场合应用时所需达达到安全完整性等级(FSIL)。

4.2 消防电子产品的安全完整性等级(FSIL)

4.2.1 消防电子产品根据其使用要求可分为四个安全完整性等级,其等级划分等同于GB/T 20438.1—2017中的规定。其中,安全完整性等级最高为4(FSIL4),安全完整性等级最低为1(FSIL1)。

4.2.2 消防电子产品的安全完整性分为硬件安全完整性和软件安全完整性两部分,仅当硬件安全完整性和软件安全完整性均满足安全完整性等级要求时,方能声称该消防电子产品的安全完整性等级满足本文件要求。

4.2.3 为满足消防电子产品所在的安全相关系统的功能安全要求,生产者应根据应用场所确定其所需达到的安全完整性等级,并进行相应的安全完整性评估。

4.2.4 对消防电子产品安全完整性等级的评估应满足附录A的要求。

4.3 严酷等级分类

4.3.1 根据产品类型及安装使用地区和场所将消防电子产品按照下列要求划分为0、I、II、III和IV五个等级。

a)安装、使用在建筑内和类似场合的报警控制、联动、指示设备和供电设备等产品划为0级或I级;

b)安装、使用在建筑内和类似场合的各类火灾参数探测器、警报器、触发器件、模块等产品划为Ⅱ级;

c)安装、使用在半封闭式场馆、隧道等类似场合以及环境影响比较严重的场合的产品划为Ⅲ级;

d)安装、使用在户外以及环境影响严重场合的产品和车用、船用及便携式产品划为Ⅳ级。

4.3.2 对于每一项环境试验,消防电子产品可根据产品类型及安装、使用场所选择合适的试验方法和严酷等级。

4.4 试验的分类

4.4.1 环境试验分为运行试验和耐久试验。

4.4.2 运行试验用来确定消防电子产品在环境试验条件下是否满足功能要求,目的是检验产品在使用环境中正常工作的能力和验证产品在这种环境下的适应能力。产品在其试验过程中,均处于正常工作状态。

4.4.3 耐久试验是为了加速正常使用环境条件对消防电子产品的影响,考核试验环境对产品在非工作状态下产生的残留影响(非瞬时影响),目的是验证产品长时间承受使用环境的能力。

注:虽然在耐久试验过程中试验样品处于不通电状态,但可为样品提供短暂记忆存储器备用电池,以保障在试验过程中存储器的内容不丢失。

4.5 试验项目

4.5.1 试验项目见表1,试验要求附图按照附录B进行。

4.5.2 消防电子类产品应根据产品的特点和应用场合,从中选择合适的试验项目和严酷等级。其中,应用在石油化工领域等工业环境的消防电子产品应至少进行表1中的 5.1, 5.3, 5.5, 5.7, 5.9 ~ 5.12 、 5.15 ~ 5.17, 5.19 ~ 5.25 等试验;车用、船用、便携式消防电子产品应至少进行表1中的 5.1 ~ 5.13, 5.14 (便携式产品)、 5.15 ~ 5.18 等试验;应用在户外的消防电子产品应至少进行 5.1 ~ 5.9, 5.16 ~ 5.18 等试验。

表 1 试验项目

运行试验 耐久试验
章条号 试验项目 章条号 试验项目
5.1 高温(运行)试验 5.2 高温(耐久)试验
5.3 低温(运行)试验 5.4 低温(耐久)试验
5.5 恒定湿热(运行)试验 5.6 恒定湿热(耐久)试验
5.7 交变湿热(运行)试验 5.8 交变湿热(耐久)试验
5.10 冲击(运行)试验 5.9 二氧化硫(SO2)腐蚀(耐久)试验
5.11 碰撞试验 5.13 振动(正弦)(耐久)试验
5.12 振动(正弦)(运行)试验 5.14 自由跌落试验
5.18 水试验 5.15 长霉试验
5.19 电压波动抗扰度试验 5.16 盐雾试验
5.20 电压暂降、短时中断和电压变化的抗扰度试验 5.17 沙尘试验
5.21 静电放电抗扰度试验
5.22 射频电磁场辐射抗扰度试验
5.23 电快速瞬变脉冲群抗扰度试验
5.24 浪涌(冲击)抗扰度试验
5.25 射频场感应的传导骚扰抗扰度试验
5.26 工频磁场抗扰度试验
5.27 交流电源端口谐波、谐间波及电网信号的低频抗扰度试验

5 试验及严酷等级

5.1 高温(运行)试验

5.1.1 目的

确定消防电子产品在高温环境下使用的适应性。

5.1.2 要求

5.1.2.1 试验程序按GB/T2423.2—2008的规定进行。

5.1.2.2 散热试验样品应按照GB/T2423.2—2008的试验Be要求,采用温度渐变方式进行试验,将试验样品放入温度为试验室温度的试验箱中,给试验样品通电使其处于正常工作状态,调节试验箱内温度至规定的严酷等级温度,达到稳定后,保持至规定的持续时间;非散热试验样品应按照GB/T2423.2—2008的试验Bb要求,采用温度渐变方式进行试验,将试验样品放入温度为试验室温度的试验箱中,调节试验箱内温度至规定的严酷等级温度,达到稳定后给试验样品通电使其处于正常工作状态,在该高温条件下保持至规定的持续时间。当规定的试验持续时间结束时,试验样品应保持在试验箱内,然后将温度下降至试验标准条件的温度偏差范围内。试验箱内的温度变化应不超过 1°C / min (不超过 5min 时间的平均值)。恢复时间应足以使温度达到稳定,至少应达到 1h 。

5.1.2.3 中间检测通常在条件试验结束时进行。最后检测宜在恢复期结束后进行。对某些类型的产品(例如感温、感烟火灾探测器等)允许其性能检测在特定的标准检验设备中进行。

5.1.3 严酷等级

高温(运行)试验的严酷等级应满足表2的要求。

表 2 高温(运行)试验严酷等级

分级 0和I II III和IV
温度℃ 40±2 55±2 70±2
持续时间h 2a 16b 2a 16b 2a 16b
a 持续时间2h适用于小件试验样品,小件试验样品通常为体积小的产品,如探测器类产品。
b 持续时间16h适用于大件试验样品,大件试验样品通常为体积大的产品,如控制器类产品。

5.1.4 设备

试验设备应符合GB/T2423.2—2008的相关规定。

5.2 高温(耐久)试验

5.2.1 目的

确定消防电子产品长时间在高温环境下运输、放置或贮存的适应性。

5.2.2 要求

5.2.2.1 试验程序按GB/T2423.2—2008的规定进行。

5.2.2.2 按照 GB/T 2423.2—2008 的试验 Bb 要求,采用温度渐变方式进行试验。在试验过程中,试验样品处于非通电状态。将试验样品放入温度为试验室温度的试验箱中,调节试验箱内温度至规定的严酷等级温度,达到稳定后,在该高温条件下保持至规定的持续时间。当规定的试验持续时间结束时,试验样品应保持在试验箱内,然后将温度下降至试验标准条件的温度偏差范围内。试验箱内温度变化应不超过 1°C / min (不超过 5min 时间的平均值)。恢复时间应足以使温度达到稳定,至少应持续 1h 。

5.2.2.3 中间检测通常在条件试验结束时进行。最后检测宜在恢复期结束后进行。对某些类型的产品(例如感温、感烟火灾探测器等)允许其性能检测在特定的标准检验设备中进行。

5.2.3 严酷等级

高温(耐久)试验的严酷等级应满足表3的要求。

表 3 高温 (耐久) 试验严酷等级

分级 0和I II III和IV
温度℃ 不试验 55±2 70±2
持续时间d 14 14

5.2.4 设备

试验设备应符合GB/T2423.2—2008的相关规定。

5.3 低温(运行)试验

5.3.1 目的

确定消防电子产品在低温环境下使用的适应性。

5.3.2 要求

5.3.2.1 试验程序按GB/T2423.1—2008中规定进行。

5.3.2.2 散热试验样品应按照GB/T2423.1—2008的试验Ae要求,采用温度渐变方式进行试验,将试验样品放入温度为试验室温度的试验箱中,给试验样品通电使其处于正常工作状态,调节试验箱内温度至规定的严酷等级温度,达到稳定后,保持至规定的持续时间;非散热试验样品应按照GB/T2423.1—2008的试验Ab要求,采用温度渐变方式进行试验,将试验样品放入温度为试验室温度的试验箱中,调节试验箱内温度至规定的严酷等级温度,达到稳定后,给试验样品通电使其处于正常工作状态,在该低温条件下保持至规定的持续时间。当规定的试验持续时间结束时,试验样品应保留在试验箱内,然后将温度慢慢升至试验标准条件的温度偏差范围内。试验箱内的温度变化应不超过 1°C / min (不超过 5min 时间的平均值)。恢复时间应足以使温度达到稳定,至少应持续 1h 。

5.3.2.3 中间检测通常在条件试验结束时进行。最后检测宜在恢复期结束后进行。对某些类型的产品(例如感温、感烟火灾探测器等)允许其性能检测在特定的标准检验设备中进行。

5.3.3 严酷等级

低温(运行)试验的严酷等级应满足表4的要求。

表 4 低温 (运行) 试验严酷等级

分级 0 I和Ⅱ
温度 ℃ -5±2 -10±2 -25±2 -40±2
持续时间h 2a / 16b 2a / 16b 2a / 16b 2a / 16b
a 持续时间2h适用于小件试验样品。
b 持续时间16h适用于大件试验样品。

5.3.4 设备

试验设备应符合GB/T2423.1—2008的相关规定。

5.4 低温(耐久)试验

5.4.1 目的

确定消防电子产品长时间在低温环境下运输、放置或贮存的适应性。

5.4.2 要求

5.4.2.1 试验程序按GB/T2423.1—2008中规定进行。

5.4.2.2 按照 GB/T 2423.1—2008 的试验 Ab 要求,采用温度渐变方式进行试验。在试验过程中,试验样品处于非通电状态。将试验样品放入温度为试验室温度的试验箱中,调节试验箱内温度至规定的严酷等级温度,达到稳定后在该低温条件下保持至规定的持续时间。当规定的试验持续时间结束时,试验样品应保留在试验箱内,然后将温度慢慢升至试验标准条件的温度偏差范围内。试验箱内温度变化应不超过 1°C / min (不超过 5min 时间的平均值)。恢复时间应足以使温度达到稳定,至少应持续 1h 。

5.4.2.3 中间检测通常在条件试验结束时进行。最后检测宜在恢复期结束后进行。对某些类型的产品(例如感温、感烟火灾探测器等)允许其性能检测在特定的标准检验设备中进行。

5.4.3 严酷等级

低温(耐久)试验的严酷等级应满足表5的要求。

表 5 低温 (耐久) 试验严酷等级

分级 0、I和II III和IV
温度 ℃ -25±2 -40±2
持续时间 h 72 72

5.4.4 设备

试验设备应符合GB/T2423.1—2008的相关规定。

5.5 恒定湿热(运行)试验

5.5.1 目的

确定消防电子产品在高温度、高湿度环境下使用的适应性。

5.5.2 要求

5.5.2.1 试验方法按GB/T2423.3—2016中规定进行。

5.5.2.2 将试验样品放入试验箱内,试验箱和试验样品均处于标准大气环境条件下。给试验样品通电使其处于正常工作状态,调节试验箱内温度,使其达到所要求的严酷等级规定的温度值。调节温度时,温度变化速率不应超过 1°C / min ,温度稳定的平均时间不超过 5min ,且在这一过程中不应产生试验样品凝露现象。温度稳定后的 2h 内,通过调整试验箱内的湿度达到规定的试验严酷等级。待试验箱内温度和相对湿度达到规定值并稳定后,开始计算试验持续时间。

5.5.2.3 试验后应进行恢复,恢复条件为在试验结束后 0.5h 内将相对湿度降到 (75±2)% ,在之后的 0.5h 内将温度调节到试验室温度,且温度容差为 ±1°C 。恢复时间应足以使温度达到稳定,至少应持续 1h 。

5.5.2.4 在条件试验过程中试验样品应接通电源并处于正常工作状态。中间检测通常在条件试验结束时进行。最后检测宜在恢复期结束后进行。

5.5.3 严酷等级

恒定湿热(运行)试验的严酷等级应满足表6的要求。

表 6 恒定湿热 (运行) 试验严酷等级

分级 0和I II和III IV
温度°C 40±2 不试验a 不试验b
相对湿度% 93±3
持续时间d 4
a 对于等级II和III的产品一般不采用恒定湿热(运行)试验,通常采用交变湿热(运行)试验。
b 对于等级IV的产品一般不采用恒定湿热(运行)试验,可采用交变湿热(运行)试验。

5.5.4 设备

试验设备应符合GB/T2423.3—2016的相关规定。

5.6 恒定湿热(耐久)试验

5.6.1 目的

确定消防电子产品长时间在高温度、高湿度环境下运输、放置或贮存的适应性。

5.6.2 要求

5.6.2.1 试验方法按GB/T2423.3—2016中规定进行。

5.6.2.2 将试验样品放入试验箱内,试验箱和试验样品均处于标准大气环境条件下,试验样品处于非通电状态。调节试验箱内温度,使其达到所要求的严酷等级规定的温度值。调节温度期间,温度变化的速率不超过 1°C / min ,温度稳定的平均时间不超过 5min ,且在这一过程中不应产生试验样品凝露现象。温度稳定后的 2h 内,调整试验箱内相对湿度达到规定的试验严酷等级。待试验箱内温度和相对湿度达到规定值并稳定后,开始计算试验持续时间。

5.6.2.3 试验后应按照5.5.2.3的规定进行恢复。

5.6.2.4 在条件试验过程中试验样品应处于非通电状态。中间检测通常在条件试验结束时进行。最后检测宜在恢复期结束后进行。

5.6.3 严酷等级

恒定湿热(耐久)试验的严酷等级应满足表7的要求。

表 7 恒定湿热 (耐久) 试验严酷等级

分级 0、I、II、III和IV
温度℃ 40±2
相对湿度% 93±3
持续时间d 21

5.6.4 设备

试验设备应符合GB/T2423.3—2016的相关规定。

5.7 交变湿热(运行)试验

5.7.1 目的

确定消防电子产品在高湿度与温度循环变化组合且通常会在试验样品表面产生凝露的环境下使用的适应性。

5.7.2 要求

5.7.2.1 试验方法按GB/T2423.4—2008中规定进行。

5.7.2.2 将试验样品放入试验箱,将试验箱温度调至 25°C ± 3°C ,并保持到试验样品达到温度稳定为止。达到温度稳定期间,其相对湿度应在规定的试验用标准大气条件的限值内。试验样品在试验箱内稳定之后,箱内相对湿度应升到不小于 95% ,环境温度为 25°C ± 3°C 。

5.7.2.3 连续进行2次如下 24h 的循环。

a)箱内温度 3h±0.5h 之内升到规定的高温值。该阶段的相对湿度应不小于 95% ,最后 15min 内的相对湿度应不小于 90% 。

b)温度应保持在规定的高温限值 ±2°C ,直至从循环开始的 12h±30min 为止,本阶段最初和最后 15min 内相对湿度应在 90% ~ 100% ,其余时间的相对湿度应在 (93±3)% 。

c)温度降低:方法1(3h~6h内降到25°C±3°C,降温速率有特定要求)或方法2(3h~6h内降到25°C±3°C,相对湿度不小于80%)。

d)温度应保持在 25°C ± 3°C ,同时相对湿度不小于 95% ,直至 24h 一个循环结束。

5.7.2.4 试验后的恢复应在受控恢复条件进行。在试验结束 1h 内将试验箱内相对湿度降低到 (75±2)% ,在随后的 1h 内将试验箱内温度调整到试验室温度 ±1°C ;恢复时间从符合恢复条件时开始计算,持续 1h~2h 。

5.7.2.5 在条件试验过程中试验样品应接通电源并处于正常工作状态。中间检测通常在条件试验结束后立即进行。最后检测宜在恢复期结束后马上进行。

5.7.3 严酷等级

交变湿热(运行)试验的严酷等级应满足表8的要求。

表 8 交变湿热 (运行) 试验严酷等级

分级 0和I II和III IV
温度℃ 不试验a 40b±2 55±2
循环周期 2 2
a 对于等级0和I的产品一般不采用交变湿热(运行)试验,可采用恒定湿热(运行)试验。
b 对于等级II和III的产品不适合采用交变湿热(运行)试验时,可采用恒定湿热(运行)试验。

5.7.4 设备

试验设备应符合GB/T2423.4—2008的相关规定。

5.8 交变湿热(耐久)试验

5.8.1 目的

确定消防电子产品在高湿度与温度循环变化组合且通常会在试验样品表面产生凝露的条件下运输、放置或贮存的适应性。

5.8.2 要求

5.8.2.1 试验方法按GB/T2423.4—2008的规定进行。

5.8.2.2 把试验样品放置在试验箱,将试验箱温度调至 25°C ± 3°C ,并保持至试验样品达到温度稳定为止。达到温度稳定期间,其相对湿度应在规定的试验用标准大气条件的限值内。试验样品在试验箱内稳定之后,箱内的相对湿度应升到不小于 95% ,环境温度为 25°C ± 3°C 。

5.8.2.3 连续进行6次符合5.7.2.3规定的 24h 循环。

5.8.2.4 试验后应按照5.7.2.4的规定进行恢复。

5.8.2.5 在条件试验过程中试验样品处于非通电状态。性能检测宜在恢复期结束后立即进行。

5.8.3 严酷等级

交变湿热(耐久)试验的严酷等级应满足表9的要求。

表 9 交变湿热 (耐久) 试验严酷等级

分级 0、I和II III和IV
温度℃ 不试验a 55±2
循环周期 6
a 对于等级0、I和II的产品一般不采用交变湿热(耐久)试验,可采用恒定湿热(耐久)试验。

5.8.4 设备

试验设备应符合GB/T2423.4—2008的相关规定。

5.9 二氧化硫 [math]\displaystyle{ (\mathbf{SO}_2) }[/math] 腐蚀(耐久)试验

5.9.1 目的

确定消防电子产品承受大气污染之一二氧化硫气体腐蚀作用的能力。

5.9.2 要求

5.9.2.1 试验方法按GB/T2423.19—2013的规定进行。

5.9.2.2 试验条件要保持试验样品表面温度在露点以上。在条件试验过程中样品处于非通电状态。

5.9.2.3 试验后,试验样品立即置于温度为 [math]\displaystyle{ (40 \pm 2)^{\circ} \mathrm{C} }[/math] 、相对湿度小于 50% 的条件下干燥 [math]\displaystyle{ 16 \mathrm{~h} }[/math] ,然后在正常大气条件下恢复 [math]\displaystyle{ 1 \mathrm{~h} \sim 2 \mathrm{~h} }[/math] ,恢复期结束后进行性能检测。

5.9.3 严酷等级

二氧化硫 ([math]\displaystyle{ \mathrm{SO}_2 }[/math]) 腐蚀(耐久)试验的严酷等级应满足表10的要求。试验样品可根据产品特性选取相对湿度为 [math]\displaystyle{ (75 \pm 5)\% }[/math][math]\displaystyle{ (93 \pm 3)\% }[/math] 的试验条件。

表 10 二氧化硫 [math]\displaystyle{ \left( {\mathrm{{SO}}}_{2}\right) }[/math] 腐蚀 (耐久) 试验严酷等级

分级 0 I、II、III和IV
二氧化硫含量[math]\displaystyle{ 10^{-6} }[/math](体积比) 不试验 25±5
温度℃ 25±2
相对湿度% 75±5 93±3
持续时间d 21

5.9.4 设备

试验设备应符合GB/T2423.19—2013及表10的规定。

5.10 冲击(运行)试验

5.10.1 目的

确定消防电子产品承受实际使用环境中可能发生的机械冲击的能力。

5.10.2 要求

将试验样品直接紧固或通过夹具紧固刚性安装在冲击试验台上,使试验样品处于正常工作状态。启动冲击试验台,对质量为 m (单位为 [math]\displaystyle{ \mathrm{kg} }[/math])的试验样品,以峰值加速度为 [math]\displaystyle{ (100 - 20\times m)\times 10\mathrm{m / s^2} }[/math] ,脉冲持续时间为 [math]\displaystyle{ 6\mathrm{ms} }[/math] 的半正弦波脉冲,对试验样品3个相互垂直的轴线中每个方向连续冲击3次,总计18次。在条件试验过程中观察试验样品的状态。性能检测在条件试验后进行。

5.10.3 严酷等级

冲击试验的严酷等级应满足表11的要求。在表11中,m为试验样品的质量,单位为 [math]\displaystyle{ \mathrm{kg} }[/math]。本试验适用于质量 [math]\displaystyle{ m\leqslant 4.75\mathrm{kg} }[/math] 的试验样品,当试验样品质量 [math]\displaystyle{ m \gt 4.75\mathrm{kg} }[/math] 时,不进行该项试验。

表 11 冲击试验严酷等级

分级 0 I、II、III和IV
脉冲波形的类型 不试验 半正弦波
脉冲持续时间ms 6
峰值加速度m/s2 (100-20×m)×10
冲击方向数 6
每个方向冲击数 3

5.10.4 设备

试验设备应符合表11中的规定。

5.11 碰撞试验

5.11.1 目的

确定消防电子产品承受正常使用环境中可能发生的对其表面产生机械碰撞的能力。

5.11.2 要求

5.11.2.1 试验采用两种不同的试验方法。

5.11.2.2 方法A是利用一只摆动锤头对试验样品进行碰撞试验,对试验样品边缘产生瞬间的冲击作用,适用于安装在天棚或墙面小件试验样品(例如探测器、报警按钮等)。将试验样品按其正常的工作位置安装在试验设备的刚性水平安装板上(见图B.4),并使样品处于正常工作状态,试验样品在试验前应至少通电 [math]\displaystyle{ 15\mathrm{min} }[/math]

5.11.2.3 调整碰撞试验设备,使锤头碰撞面的中心能够从水平方向碰撞试验样品,并对准试验样品最易遭受破坏的部位进行碰撞。性能检测宜在条件试验后进行。

5.11.2.4 方法B是利用一只半球形的锤子对试验样品各裸露面进行碰撞试验,适用于控制与显示类产品(例如火灾报警控制器、消防电气控制装置、火灾显示盘等)。

5.11.2.5 按正常工作的要求,使试验样品处于正常工作状态。对试验样品表面上每个易损部件(如指示灯、显示器等)施加三次碰撞。在进行试验时要小心进行,以确保上一组(三次)碰撞结果不对后续各组碰撞结果产生影响,在认为可能产生影响时,不考虑发现的缺陷,取一新的试验样品,在同一位置重新进行试验。性能检测宜在条件试验后进行。

5.11.3 严酷等级

碰撞试验(试验方法A)的严酷等级应满足表12的要求。碰撞试验(试验方法B)的严酷等级应满足表13的要求。

表 12 碰撞试验(试验方法 A)严酷等级

分级 0、Ⅰ、Ⅱ、Ⅲ和Ⅳ
碰撞能量 J 1.9±0.1
锤速 m/s 1.5±0.125
每个方向碰撞次数 1

表 13 碰撞试验(试验方法 B)严酷等级

分级 0、I、II、III和IV
碰撞能量 J 0.5±0.04
每点碰撞次数 3

5.11.4 设备

5.11.4.1 试验方法A

5.11.4.1.1 试验设备(见图B.4)主体是一个摆锤机构。摆锤的锤头由硬质铝合金 [math]\displaystyle{ \mathrm{AlCu_4SiMg} }[/math] (经固溶、时效处理)制成, 外形为具有一个斜碰撞面的六面体。锤头的摆杆固定在带球轴承的钢轮毂上, 球轴承装在硬钢架的固定钢轴上。硬钢架的结构应保证在未安装试验样品时能够使摆锤自由旋转。

5.11.4.1.2 锤头的外形尺寸为长 [math]\displaystyle{ 94\mathrm{mm} }[/math] 、宽 [math]\displaystyle{ 76\mathrm{mm} }[/math] 、高 [math]\displaystyle{ 50\mathrm{mm} }[/math] 。锤头斜切面与锤头纵轴之间的夹角为 60^[math]\displaystyle{ {\circ} \pm 1^{\circ} }[/math] ,锤头的摆杆外径为 [math]\displaystyle{ (25 \pm 0.1)\mathrm{mm} }[/math]、壁厚为 [math]\displaystyle{ (1.6 \pm 0.1)\mathrm{mm} }[/math]

5.11.4.1.3 锤头的纵轴距旋转轴线的径向距离为 [math]\displaystyle{ 305 \mathrm{~mm} }[/math] ,锤头的摆杆轴线要保证与旋转轴线垂直。外径为 [math]\displaystyle{ 102 \mathrm{~mm} }[/math] 、长为 [math]\displaystyle{ 200 \mathrm{~mm} }[/math] 的钢轮毂同心组装在直径为 [math]\displaystyle{ 25 \mathrm{~mm} }[/math] 的钢轴上。钢轴直径的精度取决于所用的轴承尺寸公差。

5.11.4.1.4 在钢轮毂与摆杆相对的方向上装有两个外径为 [math]\displaystyle{ 20 \mathrm{~mm} }[/math] 、长为 [math]\displaystyle{ 185 \mathrm{~mm} }[/math] 的钢质配重臂,其伸出长度为 [math]\displaystyle{ 150 \mathrm{~mm} }[/math] 。在两个配重臂上装一个位置可调的配重块,以便使锤头与配重臂平衡。在钢轮毂的一端上装一个厚为 [math]\displaystyle{ 12\mathrm{~mm} }[/math] 、直径为 [math]\displaystyle{ 150~\mathrm{mm} }[/math] 的铝合金滑轮,在滑轮上缠绕一条缆绳,缆绳的一端固定在滑轮上,另一端系上工作重锤。

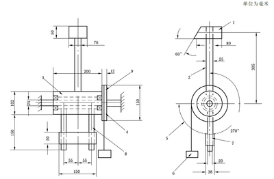
5.11.4.1.5 安装试验样品的水平安装板由钢架支撑着。安装板可以上下调整,以便使锤头的碰撞面中心从水平方向碰撞试验样品,如图B.4所示。在使用试验设备时,首先要按图B.4调整试验样品和安装板的位置,调好后,把安装板固紧在钢架上,然后摘下工作重锤通过调整配重块平衡摆锤机构。调整平衡后,把摆杆拉到水平位置上,系上工作重锤,当摆锤机构释放时,工作重锤将使锤头旋转 [math]\displaystyle{ (3\pi /2) }[/math] rad碰撞试验样品。工作重锤的质量 [math]\displaystyle{ m }[/math][math]\displaystyle{ (0.388 / 3\pi r)\mathrm{kg} }[/math] ,其中: [math]\displaystyle{ r }[/math] 为滑轮的有效半径,当 [math]\displaystyle{ r }[/math][math]\displaystyle{ 75~\mathrm{mm} }[/math] 时,工作重锤质量约为 [math]\displaystyle{ 0.55\mathrm{kg} }[/math] ,锤头质量约为 [math]\displaystyle{ 0.79\mathrm{kg} }[/math]

5.11.4.2 试验方法B

5.11.4.2.1 由弹簧操纵的碰撞试验仪器如图 B.5 所示。该仪器由三个主要部分组成: 主体、碰撞件及装卸和释放弹簧的圆锥体。主体包括机壳、碰撞件导引器、释放机构和所有刚性固定部分。碰撞件包括锤头、锤轴和球形旋塞捏手。

5.11.4.2.2 锤头形状为半球形,半径为 [math]\displaystyle{ 10 \mathrm{~mm} }[/math] ,采用聚酰胺材料制成。锤头被固定在锤轴上,当碰撞件在释放点时,从锤头顶到圆锥体碰撞面的距离的近似值为表 14 中弹簧的压缩值。

表 14 弹簧压缩值

碰撞前的动能 J 弹簧压缩的大约值 mm
0.20±0.02 13
0.35±0.03 17
0.50±0.04 20
0.70±0.05 24
1.20±0.05 28
注:碰撞前的动能E(单位为J)的近似值由下面的公式计算:
E=0.5F·C×10-3
式中:
F——弹簧被压缩时所受的力,单位为牛顿(N);
C——锤弹簧被压缩的值,单位为毫米(mm)。

5.11.4.2.3 当释放夹片在释放碰撞件的点上时, 圆锥体弹簧受力约为 [math]\displaystyle{ 5 \mathrm{~N} }[/math] 。调节释放机构弹簧以便它们具有刚好足够的压力来保持释放夹片在预定的位置上。释放碰撞件所需的压力不能超过 [math]\displaystyle{ 10 \mathrm{~N} }[/math]

5.11.4.2.4 锤轴、锤头的结构及锤弹簧的调节应达到如下效果,在锤头顶经过碰撞面前约 [math]\displaystyle{ 1\mathrm{mm} }[/math] 时,锤弹簧已经释放了它的所有势能。

5.11.4.2.5 在其碰撞前的最后 [math]\displaystyle{ 1\mathrm{mm} }[/math] 的运行中,碰撞件只有动能,没有势能。此外,锤头顶经过碰撞面之后,若没有其他干扰,碰撞件至少再自由运行 [math]\displaystyle{ 8\mathrm{mm} }[/math]

5.12 振动(正弦)(运行)试验

5.12.1 目的

确定消防电子产品在使用环境中对振动的适应性。

5.12.2 要求

5.12.2.1 将试验样品按正常安装方式刚性安装在振动试验台上,使同方向的重力作用和其使用时一样(重力影响可忽略时除外),其中的一个轴线应垂直于试验样品的正常安装平面。试验样品在上述安装方式下可放于任何高度。

5.12.2.2 振动应在试验样品的三个互相垂直的轴线上依次进行。在条件试验过程中试验样品应接通电源并处于正常工作状态。对每个规定的功能方式(例如正常工作状态、火灾报警状态或故障状态)施加给定频率范围(最小一最大一最小)的扫描循环,性能检测在条件试验结束之后进行。

5.12.2.3 对于需要在使用场所现场组装的试验样品,可根据实际情况考虑是否进行试验。

5.12.2.4 振动(正弦)(运行)试验可与振动(正弦)(耐久)试验结合进行,以使试验样品在每一轴线进行运行试验后进行耐久试验,然后进行性能检测。

5.12.3 严酷等级

振动(正弦)(运行)试验的严酷等级应满足表15的要求。试验样品可根据产品特性选取定位移或定加速度(或两者都要求)的幅值。

表 15 振动 (正弦) (运行) 试验严酷等级

分级 0和I II和III IV
频率范围Hz 10~150 10~150 10~150
加速度幅值m/s2 1或5 5或10 20
位移幅值mm 0.15 0.15 0.15
轴线数 3 3 3
扫频速率oct/min 1 1 1
每个功能状态、每个轴线上扫频循环数 1 1 1

5.12.4 设备

试验设备应符合5.12.2和表15的规定。

5.13 振动(正弦)(耐久)试验

5.13.1 目的

确定消防电子产品长时间承受振动影响的能力。

5.13.2 要求

5.13.2.1 将试验样品刚性安装在振动试验台上,使同方向的重力作用和其使用时一样(重力影响可忽略时除外),其中的一个轴线应垂直于试验样品的正常安装平面。试验样品在上述安装方式下可放于任何高度。

5.13.2.2 振动将在试验样品三个相互垂直的轴线上依次进行。

5.13.2.3 在条件试验过程中试验样品处于非通电状态。性能检测在条件试验结束后进行。

5.13.2.4 振动(正弦)(耐久)试验可与振动(正弦)(运行)试验结合进行,以使试验样品在每一轴线进行运行试验后进入耐久试验,然后进行性能检测。

5.13.2.5 对于需要在使用场所现场组装的试验样品,可根据实际情况考虑是否进行试验。

5.13.3 严酷等级

振动(正弦)(耐久)试验的严酷等级应满足表16的要求。试验样品可根据产品特性选取定位移或定加速度(或两者都要求)的幅值。

表 16 振动 (正弦) (耐久) 试验严酷等级

分级 0和I II和III IV
频率范围 Hz 10~150 10~150 10~150
加速度幅值 m/s2 5 10 20
位移幅值 mm 0.15 0.15 0.15
轴线数 3 3 3
扫频速率 oct/min 1 1 1
每个功能状态、每个轴线上扫频循环数 20 20 20

5.13.4 设备

试验设备应符合5.13.2和表16的规定。

5.14 自由跌落试验

5.14.1 目的

确定消防电子产品承受自由跌落的能力。

5.14.2 要求

5.14.2.1 试验方法按照GB/T2423.7—2018中自由跌落(方法1)的规定进行。

5.14.2.2 在试验过程中试验样品应处于非通电工作状态,试验表面应是混凝土或钢制成的平滑、坚硬且保持水平的刚性表面。

5.14.2.3 跌落高度是指试验样品在跌落前悬挂着的时候,试验表面与离它最近的样品部位之间的高度。

5.14.2.4 释放试验样品的方法是使试验样品从悬挂着的位置自由跌落。

5.14.2.5 试验后进行试验样品的外观、机械性能和功能检测。

5.14.3 严酷等级(见表17)

自由跌落试验的严酷等级应满足表17的要求。质量为 [math]\displaystyle{ 50\mathrm{kg} }[/math] 及以上的试验样品不进行该项试验。

表 17 自由跌落试验严酷等级

分级 0 I、II、III和IV
跌落高度mm 不试验 1 000 500 200
跌落次数 2 2 2
试验样品质量kg <1 <10 <50

5.14.4 设备

试验设备应符合GB/T2423.7—2018的相关规定。

5.15 长霉试验

5.15.1 目的

确定消防电子产品在潮湿的长霉条件下贮存及使用的适应性。

5.15.2 要求

5.15.2.1 试验方法按照 GB/T 2423.16—2008 中规定的试验方法 1 进行。试验方法 1 不适用的情况下,可以考虑采用 GB/T 2423.16—2008 中规定的试验方法 2。

5.15.2.2 采用的试验菌种见表18,表中列出每种菌种预期的侵染性能以供参考。不管试验样品的性质如何,混合悬浮液应该使用所有这些菌种孢子。菌种和冷冻干孢子应从已认可的真菌菌种保藏中心获取。将它们放在标有接种日期的容器里。菌种培养物充分形成孢子后,制备孢子悬浮液。大多数情况下,在 [math]\displaystyle{ (29\pm 1)\mathrm{^\circ C} }[/math] 条件下经过 [math]\displaystyle{ 7\mathrm{d}\sim 14\mathrm{d} }[/math] 培养就可以形成孢子。

5.15.2.3 孢子悬浮液的制备:首先用无菌蒸馏水制备悬浮液,其中添加浓度为 [math]\displaystyle{ 0.005\% \sim 0.01\% }[/math] 的湿润剂,基于 [math]\displaystyle{ N- }[/math] 甲级牛磺酸或二辛基硫代丁二酸钠的溶剂比较合适。湿润剂中不应含有促进或抑制霉菌生长的物质。向各菌管缓慢加入含有湿润剂的无菌水 [math]\displaystyle{ 10~\mathrm{mL} }[/math] 。将铂丝或者镍镉丝在火焰上烧至赤红以消毒并冷却,用其轻轻刮菌种表面以释放出孢子。轻轻震荡液体以使孢子分散而不分离出菌丝碎片。将悬浮液通过无菌玻璃纤维薄层或者孔径为 [math]\displaystyle{ 40\mu \mathrm{m} \sim 100\mu \mathrm{m} }[/math] 的微过滤器过滤到一个无菌离心管。过滤后的孢子悬浮液离心分离后,去掉上层清液。用不少于 [math]\displaystyle{ 10~\mathrm{mL} }[/math] 的无菌蒸馏水将沉淀物再悬浮、离心。如此清洗孢子3次。

表 18 试验菌种

序号 名称 菌种编号a 侵染性能
1 黑曲霉 ATCC 6275 许多材料
2 土曲霉 ATCC 10690 塑料
3 球毛壳霉 ATCC 6205 纤维素
4 树脂子囊霉 DSM 1203 碳氢化合物为主的润滑剂
5 宛氏拟青霉 ATCC 18502 塑料和皮革
6 绳状青霉 ATCC 36839 许多材料特别是织物
7 短帚霉 ATCC 36840 橡胶
8 绿色木霉 ATCC 9645 纤维素、织物以及塑料
a有关菌种相应的中国微生物研究所菌种保藏号:黑曲霉 AS 3.3928、土曲霉 AS 3.3935、球毛壳霉 AS 3.963、宛氏拟青霉 AS 3.4253、绳状青霉 AS 3.3875、短帚霉 AS 3.3985、绿色木霉 AS 3.2942。

5.15.2.4 试验方法1的准备:选用下列溶液稀释孢子沉淀物:如果试验样品要求外观检查,用表19中的无机盐溶液,但不含蔗糖;如果试验样品要求检查性能或测量电性能,则选用无菌蒸馏水。

5.15.2.5 用显微计数法或浊度法将孢子浓度稀释到 [math]\displaystyle{ 1 \times 10^{6} / \mathrm{mL} \sim 2 \times 10^{6} / \mathrm{mL} }[/math] 之间。按照相关接种规程,将相同体积的单一孢子溶液混合制备成最终孢子接种悬浊液。采用无机盐溶液配制的要在 [math]\displaystyle{ 45 \mathrm{~h} }[/math] 内使用,无菌蒸馏水配制的要求在 [math]\displaystyle{ 6 \mathrm{~h} }[/math] 内使用。喷洒接种要制备 [math]\displaystyle{ 100 \mathrm{~mL} }[/math] ;浸渍或涂刷接种要制备 [math]\displaystyle{ 500 \mathrm{~mL} }[/math]

5.15.2.6 试验方法2的准备:根据对照条(见5.15.2.7)用营养溶液稀释孢子沉淀物,调整孢子浓度到 [math]\displaystyle{ 1\times 10^{6} / \mathrm{mL}\sim 2\times 10^{6} / \mathrm{mL} }[/math] 。按照相关接种规程,将相同体积的单一孢子溶液混合制备成最终孢子接种悬浮液。孢子接种悬浮液要求在 [math]\displaystyle{ 6\mathrm{h} }[/math] 内使用。

5.15.2.7 对照条:对照条由白色滤纸或未经处理棉织品制成。制备对照条的营养液成分见表19。在 [math]\displaystyle{ 20^{\circ}\mathrm{C} }[/math] 下营养液 [math]\displaystyle{ \mathrm{pH} }[/math] 值应为 [math]\displaystyle{ 6.0\sim 6.5 }[/math] ,如果有需要可以用 [math]\displaystyle{ 0.01\mathrm{mol} }[/math][math]\displaystyle{ \mathrm{NaOH} }[/math] 溶液调节,然后放在高压蒸汽锅中 [math]\displaystyle{ (120\pm 1)^{\circ}\mathrm{C} }[/math] 下灭菌 [math]\displaystyle{ 20\mathrm{min} }[/math] 。对照条用营养液浸泡,接种前,从营养液中取出、滴干。

表 19 制备对照条的营养液成分

试剂 浓度/(g/L) 试剂 浓度/(g/L)
磷酸二氢钾(KH2PO4) 0.7 氯化钾(KCL) 0.5
磷酸氢二钾(K2HPO4) 0.3 硫酸亚铁(FeSO4·7H2O) 0.01
硫酸镁(MgSO4·7H2O) 0.5 蔗糖 30.0
硝酸钠(NaNO3) 2.0

5.15.2.8 喷洒接种应使用医疗护理用超声雾化器,并与接种箱安全柜连接。

5.15.2.9 给小件试验样品接种时,应采用带盖子的、能够放置或悬挂样品及对照装置的玻璃或者塑料容器。容器的大小和形状应保证底部有足够敞露的水表面积,以保持容器内的相对湿度大于 [math]\displaystyle{ 90\% }[/math] 。悬挂放置应保证放置的试验样品不浸在水中或溅到水滴。将容器放入试验箱中以培养样品和对照条,试验箱内整个工作空间温度应均匀保持在 [math]\displaystyle{ 28^{\circ}\mathrm{C} \sim 30^{\circ}\mathrm{C} }[/math] 范围内。控温器运作引起的温度周期循环变化不应超过 [math]\displaystyle{ 1^{\circ}\mathrm{C} / \mathrm{h} }[/math]

5.15.2.10 给大件试验样品接种时,应采用具有良好密封门的湿度试验箱,以防止箱内和试验室之间的空气交换。整个工作空间的相对湿度应保持到大于 [math]\displaystyle{ 90\% }[/math] ,不应有冷凝水从试验箱顶部或壁上滴到样品 and 对照条上。整个工作空间温度应均匀保持在 [math]\displaystyle{ 28^{\circ}\mathrm{C} \sim 30^{\circ}\mathrm{C} }[/math] 范围内。控温器运行引起的温度周期循环变化不应超过 [math]\displaystyle{ 1^{\circ}\mathrm{C / h} }[/math] 。为了使整个工作空间达到规定的均匀的温度和湿度,可以使箱内空气强迫循环,样品表面的空气流速不应超过 [math]\displaystyle{ 1\mathrm{m / s} }[/math]

5.15.2.11 在接种前,样品应当在温度 [math]\displaystyle{ (29\pm 1)^{\circ}\mathrm{C} }[/math] 、相对湿度 [math]\displaystyle{ 90\% \sim 100\% }[/math] 的条件下至少贮存 [math]\displaystyle{ 4\mathrm{h} }[/math]

5.15.2.12 培养条件为温度 [math]\displaystyle{ (29 \pm 1) ^{\circ} \mathrm{C} }[/math] 、相对湿度 [math]\displaystyle{ 90 \% \sim 100 \% }[/math] 。对于小件试验样品,接种后将试验样品和3个对照条分开间距放置在容器内,并把容器放在培养箱中;阴性对照样品应放置在与存放试验样品的容器相同但无菌的容器中,不放置对照条,并将容器放在培养箱中。对于容器不能容纳的大件试验样品,接种以后将对照条 and 试验样品一起放在培养箱中,阴性对照样品应放置在单独专用、经过消毒的试验箱中。

容器或湿度箱在下列情况下打开:

——7d后检查对照条,确定孢子的活性及培养条件;

——每 [math]\displaystyle{ 7\mathrm{d} }[/math] 为容器提供一次氧气,直至规定的培养周期结束;

目测,进行中间检查。

开放时间不宜超过 [math]\displaystyle{ 5\mathrm{min} }[/math] 。培养7d后,在每个对照条上用肉眼应观察到不同霉菌的生长。否则该试验无效,需要重新开始。

5.15.2.13 试验期间,试验样品处于非通电状态。条件试验后进行试验样品的外观和性能检测。

5.15.3 严酷等级

长霉试验方法1的严酷等级应满足表20的要求。

表 20 长霉试验严酷等级 (试验方法 1)

分级 0和I IIa (III和IV)b
培养周期d 不试验 28 28或56
a可根据产品的使用环境确定是否进行试验。
b可根据产品的特点和相关规范的要求选择不同的培养周期。

长霉试验方法2的严酷等级应满足表21的要求。

表 21 长霉试验严酷等级 (试验方法 2)

分级 0和I IIa、III和IV
培养周期d 不试验 28
a可根据产品的使用环境确定是否进行试验。

5.15.4 设备

试验设备应符合GB/T2423.16—2008的规定。

5.16 盐雾试验

5.16.1 目的

确定消防电子产品在含盐大气条件下使用的适应性。

5.16.2 要求

5.16.2.1 试验方法按照GB/T2423.18—2012中规定进行。

5.16.2.2 盐溶液:试验所用的盐应是高品质的氯化钠 [math]\displaystyle{ \mathrm{NaCl} }[/math] ,干燥时,碘化钠的含量不超过 [math]\displaystyle{ 0.1\% }[/math] ,杂质的总含量不超过 [math]\displaystyle{ 0.3\% }[/math] 。盐溶液的质量分数应为 [math]\displaystyle{ (5 \pm 1)\% }[/math] 。溶液应通过以下的方法制备,将质量为 [math]\displaystyle{ (5 \pm 1) }[/math] 份的盐溶解在质量为95份的蒸馏水或者去离子水中。盐溶液的 [math]\displaystyle{ \mathrm{pH} }[/math] 值在温度为 [math]\displaystyle{ (20 \pm 2)^{\circ} \mathrm{C} }[/math] 时应在 [math]\displaystyle{ 6.5 \sim 7.2 }[/math] 之间。条件试验时, [math]\displaystyle{ \mathrm{pH} }[/math] 值应维持在该范围内。在保证氯化钠浓度的前提下,可以使用稀盐酸或者氢氧化钠溶液调节 [math]\displaystyle{ \mathrm{pH} }[/math] 值。每一批新配置的溶液都应测量 [math]\displaystyle{ \mathrm{pH} }[/math] 值。喷雾用过的盐溶液不应重复使用。

5.16.2.3 气源:进入喷雾装置的压缩空气应不含任何杂质,如油、灰尘等。要采取措施使压缩空气的湿度满足试验条件的要求。空气的压力应适用于产生细小、潮湿、密集的雾。为了防止盐沉积堵塞喷雾装置,推荐喷嘴处的空气相对湿度应不低于 [math]\displaystyle{ 85\% }[/math] 。一种可行的方法是让气流以非常小的气泡形式通过一个自动保持水位的水塔,水温不应低于试验箱的温度。空气压力应能调节,以保证试验对溶液收集率的要求。

5.16.2.4 预处理:要规定试验前对试验样品所采用的清洁程序,清洁方法不应影响盐雾对试验样品的作用,且不能引入任何的二次腐蚀。同时规定是否需要移除临时性表面保护层。试验前尽量避免用手接触试验样品表面。

5.16.2.5 条件试验:将试验样品放入盐雾箱,按照正常使用状态进行试验。试验样品之间不应有接触,也不能与其他金属部件接触。在试验箱温度为 [math]\displaystyle{ 15^{\circ}\mathrm{C} \sim 35^{\circ}\mathrm{C} }[/math] 下喷盐雾 [math]\displaystyle{ 2\mathrm{h} }[/math] 。所有的暴露区域都应维持盐雾条件,用水平收集面积为 [math]\displaystyle{ 80~\mathrm{cm}^2 }[/math] 的洁净器皿放置在暴露区域的任意一点,在收集周期内平均每小时收集量应在 [math]\displaystyle{ 1.0\mathrm{mL} \sim 2.0\mathrm{mL} }[/math] 溶液。至少应采用两个收集器,收集器应放置不受试验样品遮挡的位置,并避免搜集到各类冷凝水。为了得到精确的测量结果,在校准试验箱的喷雾速率时,喷雾周期不应少于 [math]\displaystyle{ 8\mathrm{h} }[/math] 。每次喷雾周期结束后,将试验样品转移到湿热箱中贮存,贮存条件是:温度为 [math]\displaystyle{ (40 \pm 2)^{\circ}\mathrm{C} }[/math] ,相对湿度为 [math]\displaystyle{ (93 \pm 3)\% }[/math] ,贮存时间按照表22中严酷等级的规定执行。

5.16.2.6 恢复:试验结束后,试验样品应在自来水下冲洗 [math]\displaystyle{ 5\mathrm{min} }[/math] ,然后用蒸馏水或去离子水冲洗,然后晃动或者用气流干燥去掉水滴。清洗用水的温度不应超过 [math]\displaystyle{ 35^{\circ}\mathrm{C} }[/math] 。试验样品应在标准恢复条件下放置不少于 [math]\displaystyle{ 1\mathrm{h} }[/math] ,且不超过 [math]\displaystyle{ 2\mathrm{h} }[/math]

5.16.2.7 条件试验期间,试验样品处于非通电状态,条件试验后进行试验样品的外观和性能检测。

5.16.3 严酷等级

盐雾试验的严酷等级应满足表22的要求。对于在海洋环境或在近海地区使用的产品宜选择 [math]\displaystyle{ 168\mathrm{h} }[/math] 的湿热贮存周期时间进行试验,对于在含盐大气与干燥大气之间频繁交替使用的产品宜选择 [math]\displaystyle{ 22\mathrm{h} }[/math] 的湿热贮存周期时间进行试验。选择 [math]\displaystyle{ 22\mathrm{h} }[/math] 的湿热贮存周期时间进行试验时,试验循环周期结束后,有一个在试验用标准大气(温度 [math]\displaystyle{ 23^{\circ}\mathrm{C} \pm 2^{\circ}\mathrm{C} }[/math] ,相对湿度为 [math]\displaystyle{ 45\% \sim 55\% }[/math] )下为期3d的贮存周期,可以根据产品的特点选择该循环周期的重复次数为1、2、4或8。

表 22 盐雾试验严酷等级

分级 0、I和II III和IV
喷雾周期 不试验 4
每个喷雾周期时间h 2
湿热贮存周期 4
每个湿热贮存周期时间h 168或22

5.16.4 设备

试验设备应符合GB/T2423.18—2012中的规定。

5.17 沙尘试验

5.17.1 目的

确定消防电子产品的抵御灰尘的密封性能。

5.17.2 要求

5.17.2.1 试验方法按照GB/T2423.37—2006中规定的方法La2进行。

5.17.2.2 试验用尘是干燥的非磨蚀性的细粉尘,能够通过筛孔为 [math]\displaystyle{ 75\mu \mathrm{m} }[/math] ,金属丝直径为 [math]\displaystyle{ 50\mu \mathrm{m} }[/math] 的平面网状筛。本试验中可以使用滑石粉。试验用尘使用次数不应超过20次,应注意维持干燥以保持尘粉细度。使用前应在 [math]\displaystyle{ 80^{\circ}\mathrm{C} }[/math] 下烘干 [math]\displaystyle{ 2\mathrm{h} }[/math] 。试验用尘的数量至少为 [math]\displaystyle{ 2\mathrm{kg} / \mathrm{m}^{3}\times V }[/math] (试验箱体积)。

5.17.2.3 试验箱内的气流主要是自上而下的垂直气流,而非层流。气流速度应使尘在箱内均匀分布。

5.17.2.4 试验箱内的相对湿度应小于 [math]\displaystyle{ 25\% }[/math] ,可以通过提高试验箱温度获得。

5.17.2.5 将试验样品放入试验箱,并按正常使用位置安装。所有开放的孔保持开放。如果包含多个样品,要注意样品间不接触,不互相遮挡尘。条件试验结束后,试验样品仍然保留在试验箱内直至尘全部沉降。

5.17.2.6 条件试验期间,试验样品处于非通电状态,条件试验后进行试验样品的目视检查和性能检测。

5.17.3 严酷等级

沙尘试验的严酷等级应满足表23的要求。

表 23 沙尘试验严酷等级

分级 0、Ⅰ和Ⅱ Ⅲ和Ⅳ
气压 不试验 标准大气压
持续时间h 8

5.17.4 设备

试验设备应符合GB/T2423.37—2006中的相关规定。

5.18 水试验

5.18.1 目的

确定消防电子产品在使用环境中抵御水的性能。

5.18.2 要求

5.18.2.1 按照GB/T2423.38—2008中规定进行。

5.18.2.2 在条件试验过程中试验样品处于不通电状态。条件试验后立即进行性能检测,并对试验样品的任何注水口进行检查。

5.18.2.3 对于冲水试验,试验期间,将试验样品安放在正常工作位置,完全裸露。水雾从垂直方向及与垂直方向成 [math]\displaystyle{ 60^{\circ} }[/math] 夹角方向向试验样品喷注。图B.6和图B.7为两种试验设备的试验简图,可任选其中一种进行试验。图B.6为固定式雨淋试验设备。进行试验时,试验样品与喷孔之间的最小距离不大于 [math]\displaystyle{ 200~\mathrm{mm} }[/math] ,水流量为 [math]\displaystyle{ 1.8\mathrm{L / min} }[/math] ,可用流量计测量,试验时间为 [math]\displaystyle{ 5\mathrm{min} }[/math] ,将试验样品水平转动 [math]\displaystyle{ 90^{\circ} }[/math] ,再继续进行 [math]\displaystyle{ 5\mathrm{min} }[/math] 。图B.7为手持式雨淋试验设备,且带有可移动的防护罩。进行试验时,试验样品与喷孔之间的最小距离为 [math]\displaystyle{ 300~\mathrm{mm} \sim 500~\mathrm{mm} }[/math] ,水流量为 [math]\displaystyle{ 10\mathrm{L / min} }[/math] ,试验时间至少为 [math]\displaystyle{ 5\mathrm{min} }[/math]

5.18.2.4 对于浸水试验,将试验样品完全浸入到水箱中为了便于发现泄露,在水中可加入水溶性染料,如荧光素。浸水深度为 [math]\displaystyle{ 0.15\mathrm{m} }[/math] ,持续时间为 [math]\displaystyle{ 0.5\mathrm{h} }[/math]

5.18.3 严酷等级

本试验用于安装在户外、地面的产品或对防水有要求的其他产品。严酷等级及对应的防护要求按照GB/T4208—2017的规定。

5.18.4 设备

试验设备应符合GB/T2423.38—2008的相关规定。

5.19 电压波动抗扰度试验

5.19.1 目的

确定消防电子产品在公用和工业供电网络中使用遭受正和负的低幅值电压波动的适应性。

5.19.2 要求

5.19.2.1 按照GB/T17626.14—2005中规定进行。

5.19.2.2 在条件试验过程中试验样品处于正常工作状态。对选定的严酷等级,顺序进行三次电压波动试验,每次电压波动序列的时间间隔最小为 [math]\displaystyle{ 60\mathrm{~s} }[/math] 的两倍。在起始电压为 [math]\displaystyle{ U_{\mathrm{n}} }[/math] (标称电压)、 [math]\displaystyle{ U_{\mathrm{n}} - 10\% U_{\mathrm{n}} }[/math][math]\displaystyle{ U_{\mathrm{n}} + 10\% U_{\mathrm{n}} }[/math] 这三种典型运行模式下均需进行试验。条件试验后进行性能检测。

5.19.2.3 对于三相供电的试验样品,同时对三相进行试验。

5.19.3 严酷等级

电压波动抗扰度试验的严酷等级应满足表24的要求。公用网络或其他轻骚扰网络的产品优先选择 [math]\displaystyle{ \Delta U = 8\% U_{\mathrm{n}} }[/math] 级别,工业网络优先选择 [math]\displaystyle{ \Delta U = 12\% U_{\mathrm{n}} }[/math] 级别。采用直流电压工作的产品不进行试验。

表 24 电压波动抗扰度试验严酷等级

分级 0、I、II、III和IV
电压阶跃幅值 起始电压为Un时 ΔU=±8%Un
ΔU=±12%Un
起始电压为Un-10%Un时 ΔU=+8%Un
ΔU=+12%Un
起始电压为Un+10%Un时 ΔU=-8%Un
ΔU=-12%Un
分级 0、I、II、III和IV
电压波动的重复周期s 5
每周期的电压波动持续时间S 2
每种起始电压的试验持续时间min 2

5.19.4 设备

试验设备应符合GB/T17626.14—2005的相关规定。

5.20 电压暂降、短时中断和电压变化的抗扰度试验

5.20.1 目的

确定与低压供电网络连接的消防电子产品对电压暂降、短时中断和电压变化的适应性。

5.20.2 要求

试验布置按照GB/T17626.11—2008的规定进行。在条件试验过程中试验样品要接通电源并处于正常工作状态。条件试验后进行性能检测。按每一种选定的试验等级和持续时间组合,顺序进行三次跌落或中断试验,两次试验之间最小间隔 [math]\displaystyle{ 10\mathrm{~s~} }[/math] ,电源电压的突变发生在电压过零处(或优先选择 [math]\displaystyle{ 45^{\circ} }[/math][math]\displaystyle{ 90^{\circ} }[/math][math]\displaystyle{ 135^{\circ} }[/math][math]\displaystyle{ 180^{\circ} }[/math][math]\displaystyle{ 225^{\circ} }[/math][math]\displaystyle{ 270^{\circ} }[/math][math]\displaystyle{ 315^{\circ} }[/math] ),对于三相供电的试验样品,三相应同时进行试验。

5.20.3 严酷等级

电压暂降、短时中断和电压变化的抗扰度试验的严酷等级应满足表25的要求。

表 25 电压暂降、短时中断和电压变化的抗扰度试验严酷等级

分级 0、I、II、III和IV
电压等级(为参考电压的百分比)% 70 40 0
持续时间周期 25 10 1

5.20.4 设备

试验设备应符合GB/T17626.11—2008的规定。

5.21 静电放电抗扰度试验

5.21.1 目的

确定消防电子产品对带静电人员、物体接触引起的静电放电现象的适应性。

5.21.2 要求

5.21.2.1 试验配置遵循 GB/T 17626.2—2018 的规定。台式设备试验布置实例见图 B.8, 落地式设备试验的布置见图 B.9, 静电放电发生器输出电流波形见图 B.10, 静电放电发生器电原理图见图 B.11, 静电放电发生器的放电电极见图 B.12。

5.21.2.2 在条件试验过程中试验样品要接通电源并处于工作状态,条件试验后进行性能检测。

5.21.2.3 对试验样品直接施加的放电试验按以下要求进行。

——静电放电仅施加于操作人员正常使用试验样品时可能接触的点和面上。

——静电放电发生器应保持与实施放电的表面垂直。对试验样品的导电表面实施接触放电;对试验样品的绝缘表面实施空气放电。对于表面涂漆的情况,应采用以下的操作程序:如设备生产者未说明漆膜为绝缘层,则发生器的电极应穿入漆膜,以便与导电层接触。如生产者指明漆膜是绝缘层,则应只进行空气放电。

——试验应以单次放电的方式进行。在预选点上实施放电的时候,发生器的放电回路电缆应与受试设备的距离至少应保持 [math]\displaystyle{ 0.2\mathrm{m} }[/math] ,至少施加10次单次放电(最敏感的极性)。连续单次放电之间的时间间隔建议至少 [math]\displaystyle{ 1\mathrm{s} }[/math]

——在接触放电的情况下,放电电极的顶端应在操作放电开关之前接触受试设备。

——在空气放电的情况下, 放电电极的圆形放电头应尽可能快地接近并触及受试设备 (不要造成机械损伤)。每次放电之后, 应将静电放电发生器的放电电极从受试设备移开, 然后重新触发发生器, 进行新的单次放电, 这个程序应当重复直至放电完成为止。

5.21.2.4 对试验样品间接施加的放电试验按以下要求进行。

——对于放置于或安装在受试设备附近的物体放电,应采用静电放电发生器对耦合板接触放电的方式进行模拟。

——对于放置在受试设备下方的水平耦合板,放电时,放电电极的长轴与水平耦合板应处于同一平面,并与水平耦合板的边缘垂直。在距受试设备中心点对面的 [math]\displaystyle{ 0.1 \mathrm{~m} }[/math] 处水平耦合板边缘,以最敏感的极性至少对水平耦合板施加 10 次单次放电(见图 B.8)。

——对于垂直耦合板,应将尺寸为 [math]\displaystyle{ 0.5\mathrm{m}\times 0.5\mathrm{m} }[/math] 的耦合板平行于受试设备放置且保持 [math]\displaystyle{ 0.1\mathrm{m} }[/math]的距离,应对耦合板的一个垂直边的中心,以最敏感的极性至少施加10次单次放电。放电应施加在耦合板上,通过调整耦合板位置,使受试设备四面不同的位置都受到放电试验(见图B.8、图B.9)。

——安装后试验的配置遵循GB/T17626.2—2018的规定。

5.21.3 严酷等级

静电放电抗扰度试验的严酷等级应满足表26的要求。

表 26 静电放电抗扰度试验严酷等级

分级 0、Ⅰ、Ⅱ、Ⅲ和Ⅳ
试验电压:接触放电 kV 6
空气放电 kV 8
每个试验点放电次数 10

5.21.4 设备

试验设备应符合GB/T17626.2—2018的规定。

5.22 射频电磁场辐射抗扰度试验

5.22.1 目的

确定消防电子产品在辐射电磁场环境下工作的适应性。

5.22.2 要求

5.22.2.1 试验布置按GB/T17626.3—2016的规定进行,图B.13为典型的试验设施举例。图B.14为落地式试验设备的试验布置图,图B.15为台式试验样品的试验布置图。

5.22.2.2 在条件试验过程中试验样品要接通电源并处于工作状态。条件试验后进行性能检测。

5.22.2.3 首先使试验样品的一面与均匀域平面重合,用 [math]\displaystyle{ 1\mathrm{kHz} }[/math] 的正弦波对信号进行 80% 的幅度调制后,在 [math]\displaystyle{ 80\mathrm{MHz} \sim 1000\mathrm{MHz} }[/math] 的频率范围内进行扫描。当需要时,可以暂停扫描以调整射频信号电平和振荡器波段开关和天线。扫频过程频率逐步增加,步长不超过前一频率的 1%。每一频率点上扫描驻留时间不应短于试验样品操作和反应所需时间,且不得短于 [math]\displaystyle{ 0.5\mathrm{s} }[/math] 。敏感点(如时钟频率)应个别考虑。

5.22.2.4 应对试验样品的四个面分别进行试验。试验样品能以不同方向(如垂直或水平)放置使用时,各个侧面均应试验。对试验样品的每一侧面要在发射天线的两种极化状态下进行试验,一次在天线垂直极化位置,一次在天线水平极化位置。

5.22.3 严酷等级

射频电磁场辐射抗扰度试验的严酷等级应满足表27的要求。采用无线通信及其他射频发射装置的产品或其他特殊场合使用的产品可根据其工作频段及特点扩大试验的频率范围为 [math]\displaystyle{ 0.8\mathrm{GHz}\sim }[/math] [math]\displaystyle{ 6\mathrm{GHz} }[/math] ,并不要求试验在整个频率范围内连续进行。

表 27 射频电磁场辐射抗扰度试验严酷等级

分级 0、I、II、III和IV
频率范围 MHz 80~1000
场强 V/m 10

5.22.4 设备

试验设备应符合GB/T17626.3—2016的规定。

5.23 电快速瞬变脉冲群抗扰度试验

5.23.1 目的

确定消防电子产品对感性负载瞬变产生的各种快速低能量脉冲干扰的适应性。

5.23.2 要求

5.23.2.1 在试验室进行的试验,试验配置遵循GB/T17626.4—2018的规定。

5.23.2.2 图 B.16 为 AC 电源线试验用耦合/去耦网络, 图 B.17 为其他外连接线试验用电容耦合夹, 图 B.18 为 [math]\displaystyle{ 50 \Omega }[/math] 负载时单脉冲波形图, 图 B.19 为一组脉冲波形图, 图 B.20 为电瞬变脉冲发生器电原理图。

5.23.2.3 在条件试验过程中试验样品要接通电源并处于工作状态。条件试验后进行性能检测。

5.23.2.4 用图 B.16 所示耦合/去耦网络对试验样品的电源线施加规定的电压及频率的正负极性瞬变脉冲电压;用图 B.17 所示电容耦合夹对试验样品的其他外接线施加规定的电压及频率的正负极性瞬变脉冲电压,每 [math]\displaystyle{ 300 \mathrm{~ms} }[/math] 施加瞬变脉冲电压 [math]\displaystyle{ 15 \mathrm{~ms} }[/math] ,施加两次瞬变脉冲群电压的时间间隔为 [math]\displaystyle{ 10 \mathrm{~s} }[/math]

5.23.3 严酷等级

电快速瞬变脉冲群抗扰度试验的严酷等级应满足表28的要求。工业用产品应选用表中的最大值进行试验。

表 28 电快速瞬变脉冲群抗扰度试验严酷等级

分级 0、I、II、III和IV
重复频率kHz 5或100
试验电压峰值kV 供电电源端口,保护接地(PE) I/O(输入/输出)信号、数据和控制端口
0.5 0.25
1 0.5
2 1
4 2
极性 正、负
施加电压次数 3
每次脉冲群施加电压的时间min 1

5.23.4 设备

试验设备应符合GB/T17626.4—2018的规定。

5.24 浪涌(冲击)抗扰度试验

5.24.1 目的

确定消防电子产品对开关和雷电瞬变过电压引起的单极性浪涌(冲击)的适应性。

5.24.2 要求

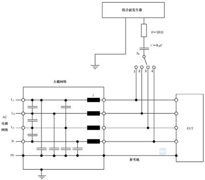
5.24.2.1 试验配置按GB/T17626.5—2019的规定进行。

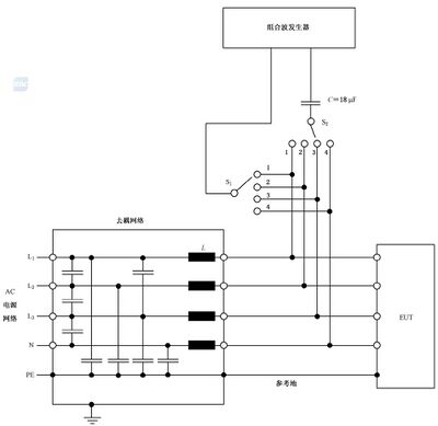
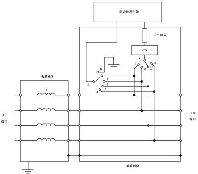
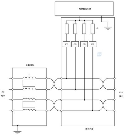
5.24.2.2 图B.21为交/直流线上电容耦合试验配置示例(线-线耦合),图B.22为交/直流线上电容耦合试验配置示例(线-地耦合),图B.23为交流线(三相)上电容耦合的试验配置示例(线 [math]\displaystyle{ \mathrm{L}_3 }[/math] -线 [math]\displaystyle{ \mathrm{L}_1 }[/math] 耦合),图B.24为交流线(三相)上电容耦合的试验配置示例(线 [math]\displaystyle{ \mathrm{L}_3 }[/math] -地耦合,信号发生器输出接地),图B.25为非屏蔽不对称互连线试验配置示例,图B.26、图B.27为非屏蔽对称工作线路试验配置示例。

5.24.2.3 在条件试验过程中试验样品应接通电源并处于工作状态。条件试验后进行性能检测。

5.24.2.4 按图B.21~图B.24所示对试验样品的交/直流线分别施加浪涌脉冲,按图B.25对非屏蔽不对称互连线施加浪涌脉冲,按图B.26、图B.27对非屏蔽对称工作线路施加浪涌脉冲。

5.24.2.5 在选定的点上施加浪涌脉冲至少五次正极性、五次负级性,浪涌脉冲重复率至少为每分钟一次。

5.24.2.6 按线-线和线-地的方式施加浪涌脉冲。进行线-地试验时,如果没有其他规定,试验电压需依次地加到每根线和地之间。

5.24.2.7 图 B.28 为试验过程中开路电压波形,图 B.29 为试验过程中短路电流波形。图 B.30 为组合波发生器电路原理图。

5.24.3 严酷等级

浪涌(冲击)抗扰度试验的严酷等级应满足表29的要求。试验样品可根据产品特性选取表中对应的开路电压进行试验,工业用产品宜选用表中开路电压的最大值进行试验。

表 29 浪涌 (冲击) 抗扰度试验严酷等级

分级 0、I、II、III和IV
线-线 线-地
开路试验电压kV 0.5 1.0
1.0 2.0
2.0 4.0

5.24.4 设备

试验设备应符合GB/T17626.5—2019的规定。

5.25 射频场感应的传导骚扰抗扰度试验

5.25.1 目的

确定消防电子产品对来自 [math]\displaystyle{ 150\mathrm{kHz}\sim 80\mathrm{MHz} }[/math] 频率范围内射频发射机电磁骚扰的适应性。

5.25.2 要求

5.25.2.1 试验配置按GB/T17626.6—2017的规定进行。

5.25.2.2 图B.31为单一试验样品试验布置图;图B.32为多单元系统的试验布置图。

5.25.2.3 条件试验过程中试验样品要接通电源并处于正常工作状态,在条件试验后进行性能检测。

5.25.2.4 按试验程序设定的信号电平在 [math]\displaystyle{ 150\mathrm{kHz}\sim 80\mathrm{MHz} }[/math] 频率范围内扫频,骚扰信号为 [math]\displaystyle{ 1\mathrm{kHz} }[/math] 正弦波调幅,调制幅度为 [math]\displaystyle{ 80\% }[/math] 。如果需要,暂停试验并调整射频信号电平或切换耦合装置。频率递增扫频时,步长不应超过开始频率的 [math]\displaystyle{ 1\% }[/math] 。此后,步进的大小不应超过前一频率值的 [math]\displaystyle{ 1\% }[/math] 。在每一频率上的驻留时间,不应少于受试设备所需的运行和响应时间,但不应低于 [math]\displaystyle{ 0.5\mathrm{s} }[/math] 。对于敏感频率(例如时钟频率)应单独进行分析。

5.25.3 严酷等级

射频场感应的传导骚扰抗扰度试验的严酷等级应满足表30的要求。试验样品可根据产品特性选取表中合适的电压进行试验,工业用产品宜选用表中的最大值进行试验。

表 30 射频场感应的传导骚扰抗扰度试验严酷等级

分级 0、I、II、III和IV
频率范围 150 kHz~80 MHz
电压 (dBμV) 120 129.5 140
电压 (V) (1) (3) (10)

5.25.4 设备

试验设备应符合GB/T17626.6—2017的规定。

5.26 工频磁场抗扰度试验

5.26.1 目的

确定消防电子产品在使用环境中对工频磁场干扰的适应性。

5.26.2 要求

5.26.2.1 试验方法按照GB/T17626.8—2006的规定进行。

5.26.2.2 试验室的电磁条件应能保证正确操作试验样品,而不致影响试验结果。否则,试验应在法拉第笼中进行。试验室的背景电磁场应至少比所选定的试验等级低 [math]\displaystyle{ 20\mathrm{dB} }[/math]

5.26.2.3 对于台式试验样品,试验应处于标准尺寸 [math]\displaystyle{ (1\mathrm{m}\times 1\mathrm{m}) }[/math] 的感应线圈产生的试验磁场中。随后感应线圈应旋转 [math]\displaystyle{ 90^{\circ} }[/math] ,以使试验样品暴露在不同方向的试验磁场中。

5.26.2.4 对于立式试验样品,试验样品应处于适当大小的感应线圈所产生的试验磁场中,试验应通过移动感应线圈来重复进行,在每个正交方向对试验样品整体进行试验。试验以线圈最短的一边的 [math]\displaystyle{ 50\% }[/math] 为步长,沿试验样品的侧面将线圈移动到不同的位置重复进行。为使试验样品暴露在不同方向的试验磁场中,感应线圈应旋转 [math]\displaystyle{ 90^{\circ} }[/math] ,按相同的程序进行试验。

5.26.2.5 条件试验过程中试验样品要接通电源并处于正常工作状态,在条件试验后进行性能检测。

5.26.3 严酷等级

工频磁场抗扰度试验的严酷等级应满足表31的要求。

表 31 工频磁场抗扰度试验严酷等级

分级 0和I II III和IV
磁场强度 A/m 1 3 10
30a
a 剩余电流式电气火灾监控探测器或类似场合使用的产品应选用的等级。

5.26.4 设备

试验设备应符合GB/T17626.8—2006的规定。

5.27 交流电源端口谐波、谐间波及电网信号的低频抗扰度试验

5.27.1 目的

确定消防电子产品在使用环境中对低压电网 [math]\displaystyle{ (50\mathrm{Hz}) }[/math] 中的谐波干扰的适应性。

5.27.2 要求

5.27.2.1 试验方法按照GB/T17626.13—2006的规定进行。

5.27.2.2 试验期间,扫频的幅值依赖于频率范围。频率扫描(模拟)或阶跃(数字)的速率不小于每10倍频程 [math]\displaystyle{ 5\mathrm{min} }[/math] ,扫描中遇到的试验样品的性能异常的频率点以及所有的谐振点,应驻留,每个频率点的驻留时间至少为 [math]\displaystyle{ 120~\mathrm{s} }[/math] 。谐振点的确定应在完成扫频试验时进行。

5.27.2.3 对于三相试验样品,谐波或谐间波畸变电压应同时施加在三相的线-中性点之间,并且每个线-中性点电压中的谐波应与相应的基波电压波形有相同的相位关系,即相互有 [math]\displaystyle{ 120^{\circ} }[/math] 相位移。本方法要求试验发生器的输出应有中性点,并且不应有不传输同极性的3的倍数次谐波的三相输出变压器。该方法不适用于无中性点连接的三相试验样品。

5.27.2.4 条件试验过程中试验样品要接通电源并处于正常工作状态,在条件试验后进行性能检测。

5.27.3 严酷等级

0级、I级、Ⅱ级产品采用GB/T17626.13—2006规定的等级2,Ⅲ级和Ⅳ级产品采用GB/T17626.13—2006规定的等级3。

5.27.4 设备

试验设备应符合GB/T17626.13—2006的规定。

附录A

(规范性)

消防电子产品安全完整性等级的评估

A.1 消防电子产品的整体安全生命周期

A.1.1 消防电子产品的整体安全生命周期见图 A.1。对消防电子产品安全完整性等级的评估应覆盖其整体生命安全周期的各个阶段。

A.1.2 生产者应规定能够有效执行消防电子产品整体安全生命周期各阶段所需的信息,这些信息应文档化。对文档的编制、执行、管理和控制等活动应满足GB/T20438.1—2017第5章的要求。

A.1.3 消防电子产品在整体安全生命周期各个阶段的活动,如风险分析,确定安全完整性等级和执行标准,产品实现,安装和试运行,安全确认和测试,操作、维护和修理,修改和改型,以及退役或处置等均应满足GB/T20438.1—2017第7章的要求。

A.1.4 消防电子产品应在功能安全评估前按实际使用状态组成完整系统或等效系统。

图A.1 消防电子产品的整体安全生命周期

A.2 硬件安全完整性等级评估

A.2.1 流程

消防电子产品硬件安全完整性等级评估流程见图A.2。

图A.2 消防电子产品硬件安全完整性等级评估流程图

A.2.2 文件审核

应将所有能够保证消防电子产品的硬件实现并满足其功能安全要求的信息文档化。对文件的审核应覆盖消防电子产品硬件实现的各个阶段,如FSIL等级的确定,执行标准和规范的确定,功能安全确认计划的编制,产品硬件的实现,产品的操作、维护和修理,产品的修改和改型,以及产品的退役或处置等。文档的编制、执行、管理和控制等活动应满足A.1.3的要求。

A.2.3 硬件评估

按照GB/T20438.1—2017的规定计算消防电子产品在低要求操作模式下的平均失效概率(PFDAVG),或在高要求或连续操作模式下的每小时危险失效概率(PFH),评估消防电子产品的硬件设计是否满足其声称的安全完整性等级(FSIL)的要求。

A.2.4 产品测试

消防电子产品应根据其产品标准进行性能测试。对于应用在特定场合的消防电子产品,还应根据其声称的安全完整性等级,确定其在耐受各类环境试验影响的严酷等级。

A.3 软件安全完整性等级评估

A.3.1 评估流程

如图A.3所示为消防电子产品软件安全完整性等级评估的流程图。软件安全完整性等级的评估分为文件审核和软件评估两部分。

A.3.2 文件审核

应将所有能够保证消防电子产品的软件实现并满足其功能安全要求的信息文档化。对文件的审核应覆盖消防电子产品软件实现的各个阶段,如软件功能安全要求的确定,软件结构的确定,软件与硬件的兼容性分析,软件验证和确认计划的编制,软件的设计和开发,验证或测试用软件的选择,软硬件的集成,软件的测试,功能安全的确认,软件的操作和维护等。文档的编制、执行、管理和控制等活动应满足A.1.3的要求。

A.3.3 软件评估

对消防电子产品的软件评估应符合GB/T20438.3—2017的规定。软件设计和开发所采用的技术,软件的集成、测试、验证、维护和修改所采取的措施均应符合GB/T20438.3—2017中附录A的规定。

图A.3 消防电子产品软件安全完整性等级的评估流程图

附录B

(规范性)

试验要求附图

试验稳定阶段如图B.1所示。

图B.1 试验稳定阶段


试验循环方法如图B.2所示。

a)试验循环方法1 图B.2 试验循环方法


图B.2 试验循环方法(续)


受控条件下恢复如图B.3所示。

图B.3 受控条件下的恢复


碰撞试验设备如图B.4所示。

单位为毫米

图B.4 碰撞试验设备图

标引序号说明:

  • 1——锤头;
  • 2——摆杆;
  • 3——钢轮毂;
  • 4——球轴承;
  • 6——工作重锤;
  • 7——配重块;
  • 8——配重臂;
  • 9——滑轮。


弹簧操纵的碰撞试验仪器如图B.5所示。

单位为毫米

图B.5 弹簧操纵的碰撞试验仪器


固定式雨淋试验装置简图如图B.6所示。

单位为毫米

图B.6 固定式雨淋试验装置简图


手持式雨淋试验装置简图如图B.7所示。

单位为毫米

图B.7 手持式雨淋试验装置简图


台式试验样品的试验简图如图B.8所示。

图B.8 台式试验样品的试验简图


柜式样品的试验简图如图B.9所示。

图B.9 柜式样品的试验简图

静电放电发生器输出电流波形如图B.10所示。


图B.10 静电放电发生器输出电流波形

静电放电发生器电原理如图B.11所示。

图B.11 静电放电发生器电原理图

注:图中省略的 [math]\displaystyle{ C_{\mathrm{d}} }[/math] 是存在于发生器与受试设备,接地参考平面以及耦合板之间的分布电容。由于此电容分布在整个发生器上,因此,在该回路中不可能标明。

静电放电发生器的放电电极如图B.12所示。

b) 接触放电 图B.12 静电放电发生器的放电电极


放电开关(例如,真空继电器)应尽可能靠近放电电极头安装。

典型的试验设施举例如图B.13所示。

图B.13 典型的试验设施举例


注:图中为了简明而省略了墙上和顶部的吸波材料。

落地式试验设备的试验布置如图B.14所示。

图B.14 落地式试验设备的试验布置


注:本图为了简明而省略了墙上的吸波材料。

台式设备的试验布置如图B.15所示。

图B.15 台式设备的试验布置


AC电源线试验用耦合/去耦网络如图B.16所示。

图B.16 AC电源线试验用耦合/去耦网络


其他外连接线试验用电容耦合夹如图B.17所示。

图B.17 其他外连接线试验用电容耦合夹


[math]\displaystyle{ 50\Omega }[/math] 负载时单脉冲波形如图B.18所示。

图B.18 [math]\displaystyle{ 50\Omega }[/math] 负载时单脉冲波形


一组脉冲波形如图B.19所示。

图B.19 一组脉冲波形图


电瞬变脉冲发生器电原理如图B.20所示。

图B.20 电瞬变脉冲发生器电原理图


标引序号说明:

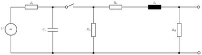
  • [math]\displaystyle{ U }[/math] ——高压源;
  • [math]\displaystyle{ R_{\mathrm{c}} }[/math] ——充电电阻;
  • [math]\displaystyle{ C_{\mathrm{c}} }[/math] ——储能电容器;
  • [math]\displaystyle{ R_{\mathrm{s}} }[/math] ——脉冲持续时间形成电阻;
  • [math]\displaystyle{ R_{\mathrm{m}} }[/math] ——阻抗匹配电阻;
  • [math]\displaystyle{ C_{\mathrm{d}} }[/math] ——隔直电容。


交/直流线上电容耦合的试验配置示例(线-线耦合)如图B.21所示。

图B.21 交/直流线上电容耦合的试验配置示例(线-线耦合)


交/直流线上电容耦合的试验配置示例(线-地耦合)如图B.22所示。

图B.22 交/直流线上电容耦合的试验配置示例(线-地耦合)

交流线(三相)上电容耦合的试验配置示例(线 [math]\displaystyle{ \mathrm{L}_3 }[/math] -线 [math]\displaystyle{ \mathrm{L}_1 }[/math] 耦合)如图B.23所示。

图B.23 交流线(三相)上电容耦合的试验配置示例(线 [math]\displaystyle{ \mathbf{L}_3 }[/math] -线 [math]\displaystyle{ \mathbf{L}_1 }[/math] 耦合)


交流线(三相)上电容耦合的试验配置示例(线 [math]\displaystyle{ \mathrm{L}_3 }[/math] -地耦合)如图B.24所示。

图B.24 交流线(三相)上电容耦合的试验配置示例(线 [math]\displaystyle{ \mathbf{L}_ }[/math]3 -地耦合)


非屏蔽不对称互连线的试验配置示例(线-线/线-地耦合)如图B.25所示。

图B.25 非屏蔽不对称互连线的试验配置示例(线-线/线-地耦合)


  • 注1:开关 [math]\displaystyle{ \mathrm{S}_1 }[/math] :线-地,置于“0”;线-线,置于“1”~“4”。
  • 注2:开关 [math]\displaystyle{ \mathrm{S}_2 }[/math] :试验时置于“1”~“4”但与 [math]\displaystyle{ \mathrm{S}_1 }[/math] 不在相同的位置。
  • 注3:图中CD为隔离和耦合装置。


非屏蔽对称工作线路试验配置示例(线-地耦合)如图B.26所示。

图B.26 非屏蔽对称工作线路试验配置示例(线-地耦合)


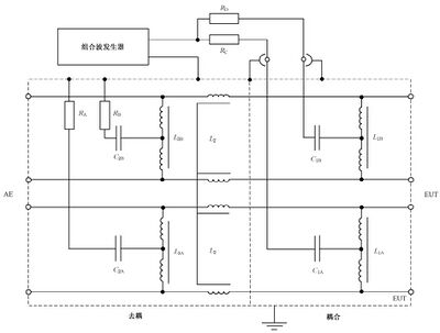
耦合电阻值 [math]\displaystyle{ R_{\mathrm{C}} }[/math] 的计算:

例如:当 [math]\displaystyle{ n = 4 }[/math] 时, [math]\displaystyle{ R_{\mathrm{C}} = 4\times 40\Omega = 160\Omega }[/math]

选择耦合电阻值使得其并联电阻为 [math]\displaystyle{ 40\Omega }[/math] 。对于4线端口的试验,要求4个 [math]\displaystyle{ 160\Omega }[/math] 的电阻。

作为电流补偿的 [math]\displaystyle{ L }[/math] ,可以包含全部4个线圈,也可以仅包含图中被使用的成对线圈。

非屏蔽对称工作线路试验配置示例(线-地耦合,用电容耦合)如图B.27所示。

图B.27 非屏蔽对称工作线路试验配置示例(线-地耦合,用电容耦合)


耦合电阻值和电容值的计算:

[math]\displaystyle{ R_{\mathrm{C}} }[/math][math]\displaystyle{ R_{\mathrm{D}} }[/math] :选择耦合电阻,使其并联电阻为 [math]\displaystyle{ 40\Omega }[/math] 。因此,以2对线端口的试验为例,要求2个电阻,阻值分别为 [math]\displaystyle{ 80\Omega }[/math]

以4对线端口为例,要求4个电阻,阻值分别为 [math]\displaystyle{ 160\Omega }[/math]

[math]\displaystyle{ R_{\mathrm{A}}, R_{\mathrm{B}}, C_{1}, C_{2}, L_{1}, L_{2}, L_{3} }[/math] :应对所有组件进行选择,以满足规定的脉冲参数。

未连接CDN的发生器输出端的开路电压波形如图B.28所示。

归一化 [math]\displaystyle{ U_{\mathrm{oc}} }[/math]

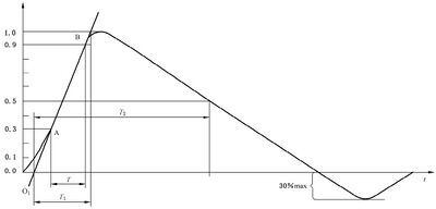
图B.28 未连接CDN的发生器输出端的开路电压波形(1.2/50 μs)


波前时间: [math]\displaystyle{ T_{1} = 1.67\times T = 1.2\times (1\pm 30\%)\mu \mathrm{s} }[/math]

持续时间: [math]\displaystyle{ T_{2} = 50\times (1\pm 20\%)\mu \mathrm{s} }[/math]

未连接CDN的发生器输出端的短路电流波形如图B.29所示。

归一化 [math]\displaystyle{ I_{\mathrm{oc}} }[/math]

图B.29 未连接CDN的发生器输出端的短路电流波形(8/20 μs)


波前时间: [math]\displaystyle{ T_{1} = 1.25\times T = 8\times (1\pm 20\%)\mu \mathrm{s} }[/math]

持续时间: [math]\displaystyle{ T_{2} = 20\times (1\pm 20\%) \mu \mathrm{s} }[/math]


组合波发生器的电路原理如图B.30所示。

图B.30 组合波发生器的电路原理图


标引序号说明:

  • [math]\displaystyle{ U }[/math] ——高压源;
  • [math]\displaystyle{ R_{\mathrm{c}} }[/math] ——充电电阻;
  • [math]\displaystyle{ C_{\mathrm{c}} }[/math] ——储能电容;
  • [math]\displaystyle{ R_{\mathrm{s1}} }[/math][math]\displaystyle{ R_{\mathrm{s2}} }[/math] ——脉冲持续时间形成电阻;
  • [math]\displaystyle{ R_{\mathrm{m}} }[/math] ——阻抗匹配电阻;
  • [math]\displaystyle{ L_{\mathrm{r}} }[/math] —上升时间形成电感。

单一试验样品布置如图B.31所示。

图B.31 单一试验样品布置图


样品到任何金属障碍物的距离应至少为 [math]\displaystyle{ 0.5\mathrm{m} }[/math]

CDNs(耦合和去耦网络)所有非激励的输入端口应用 [math]\displaystyle{ 50\Omega }[/math] 负载连接。

[math]\displaystyle{ T }[/math] 应为 [math]\displaystyle{ 50\Omega }[/math] 的终端电阻。

多单元系统的试验布置如图B.32所示。

图B.32 多单元系统的试验布置图


样品到任何金属障碍物的距离应至少为 [math]\displaystyle{ 0.5\mathrm{m} }[/math]

CDNs(耦合和去耦网络)所有非激励的输入端口应用 [math]\displaystyle{ 50\Omega }[/math] 负载连接。

T2应为功率衰减器(6dB)。

负载端接属于样品的互联电缆 [math]\displaystyle{ (\leqslant 1\mathrm{m}) }[/math] 应置于绝缘座上。