JTG-U-JBF4386C-IR2U-Ex点型红外火焰探测器/点型紫外火焰探测器

参考资料
文件:JTG-U-JBF4386C-IR2U-Ex 使用说明书.pdf
检验报告
文件:JTG-U-JBF4386C-IR2U-Ex 检验报告1 .pdf
文件:JTG-U-JBF4386C-IR2U-Ex 检验报告2.pdf
认证证书
文件:JTG-U-JBF4386C-IR2U-Ex 认证证书1.pdf
文件:JTG-U-JBF4386C-IR2U-Ex 认证证书2.pdf
高清图片
文件:JTG-U-JBF4386C-IR2U-Ex高清图片.zip
接线图
1 概述
点型红外火焰探测器、点型紫外火焰探测器(以下简称火焰探测器),使用专门设计的IR(红外)传感器和UV(紫外)传感器采集火焰的红外和紫外特征信号,通过内置的高速微处理器和先进的信号处理算法,可有效的区分出真实的火焰辐射与干扰源。该火焰探测器具有污染检测的功能,可靠性高、报警速度快、可设置多级灵敏度,满足不同场合的需求;优良的隔爆和防护设计,能够满足在各种严酷的工业场景中使用。
1.1 产品特点
· 采用工业标准要求设计,性能稳定可靠。
· 核心电路采用SMT表面贴装工艺,可靠性高,一致性好。
· 三色指示灯可显示正常工作状态、火警及故障状态。
· 可设置多级灵敏度。
· 红外、紫外双光谱特征,通过智能算法,进行火焰判断,报警速度快,探测距离远、误报率低。
· 同时具有火警和故障继电器接口。
· 支持编址和非编址两种工作模式。
· 具有污染检测的功能。
· 具有RS485接口(Modbus协议)和4~20mA接口。
· 外壳采用高强压铸铝,产品隔爆性好,防护等级达到IP67,抗粉尘污染、抗潮湿及抗腐蚀能力强等特点。
· 通过30V/m射频电磁场辐射抗扰度测试。
· 该火焰探测器具有优良的抗干扰能力,不受风雨、高温、高湿及自然人工光源等影响,可良好的工作于室内或室外等各种严酷的工业现场环境下。
1.2 适用范围
· 火焰探测器主要适用场所有:油库、交通隧道、飞机库、化工设备场所、液化气站等各种易燃、易爆工业领域中,及火灾萌发初期无阴燃阶段或较少阴燃阶段,直接产生明火为主的场所。
· 火焰探测器适用于含有Ⅱ类 A、B、C 级 T1~T6 组可燃气体或粉尘与空气形成的爆炸性混合物的 1 区、2 区及 21 区、22 区危险场所。
· 特别说明:该火焰探测器不适用于非碳氢类气体及金属燃烧场合中探测火灾使用。
1.3 型号组成
2 工作原理
点型红外火焰探测器+点型紫外火焰探测器是一种复合式多波段红外、紫外感光式火灾探测器,通过多通道红外和紫外传感器接收的碳氢化合物燃烧时火焰发出的红外光和紫外光。再根据不同红外波段和紫外波段的特征,使用先进的信号处理和智能报警逻辑判断算法,准确、快速的报出火警信息。
3 性能参数
| 产品型号 | JTG-U-JBF4386C-IR2U-Ex |
| 产品名称 | 点型红外火焰探测器、点型紫外火焰探测器 |
| 传感器数量 | 2 个红外传感器、1 个紫外传感器 |
| 执行标准 | |
| 标准号及名称 | GB 15631-2008《特种火灾探测器》 |
| GB 12791-2006《点型紫外火焰探测器》 | |
| GB/T 3836.1-2021《爆炸性环境 第 1 部分:设备通用要求》 | |
| GB/T 3836.2-2021《爆炸性环境第 2 部分:由隔爆外壳“d”保护的设备》 | |
| GB/T 3836.31-2021《爆炸性环境第 31 部分:由防粉尘点燃外壳“t”保护的设备》 | |
| 环境特性 | |
| 工作温度 | -40~+75℃ |
| 贮存温度 | -40~+85℃ |
| 相对湿度 | ≤95%(无凝露) |
| 防爆特性 | |
| 防护等级 | IP67 |
| 防爆标志 | Ex db IIC T6 Gb(气体防爆) |
| Ex tb IIIC T80℃ Db(粉尘防爆) | |
| 防爆合格证号 | CE23.2011X、CE23.8006X |
| 电气特性 | |
| 工作电压 | 总线电压:DC24V,控制器提供(无极性); 电源电压:DC24V(DC13VDC30V,无极性) |
| 监视电流 | 回路:≤770uA(DC24V);电源:≤27mA(DC24V) |
| 报警电流 | 回路:≤830uA(DC24V);电源:≤39mA(DC24V) |
| 确认灯 | 监视状态绿色闪亮,报警状态红色常亮,故障状态黄色常亮 |
| 通讯特性 | |
| 工作模式 | 编址模式、非编模式 |
| 线制 | 编址模式:四线制(回路线无极性、电源线无极性) 非编模式:二线制(电源线无极性) |
| 通讯接口 | RS485(Modbus协议):4~20mA输出接口: |
| 故障继电器 | 3A@30VDC,常闭触点 |
| 火警继电器 | 3A@30VDC,常开触点,常闭触点 |
| 编址范围 | 115协议:1~200 625协议:1~252 |
| 编址方式 | 专用电子编码器 |
| 最远传输距离 | 1000m(RVS2×1.0mm) |
| 兼容性 | |
| 控制器兼容性 | JBF-11SF系列、JBF-11SF-C系列及JBF51SOX系列控制器 |
| 机械特性 | |
| 外观 | RAL3003宝石红 |
| 外壳材质 | 压铸铝 |
| 产品质量 | 约1030g(含安装架) |
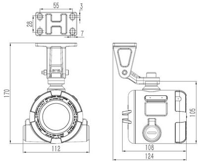
| 外形尺寸 | L×W×H:112mm×105mm×108mm(不含安装架) |
| 电气接口 | 2×M20×1.5mm |
| 探测特性 | |
| 保护区域 | 详见3.1 |
| 响应时间 | ≤30s |
| 光谱范围 | 红外3.8um~5.1um,紫外180nm~260nm |
| 灵敏度 | 1级 |
| 灵敏度 | 4级灵敏度可调,1级最灵敏,4级最迟钝
说明:1、出厂默认为3级,可通过强磁棒进行调节,也可通过编码器进行调节; 2、监视状态每次绿灯闪烁次数表示灵敏度级别:绿灯闪烁1次为1级、2次为 2级、3次为3级、4次为4级。 |
| 认证特性 | |
| 认证特性 | 消防认证、防爆认证 |
| 其他性能 | |
| 污染检测 | 有 |
| 火警继电器不保持 功能 | 此功能默认为开
说明:当探测器报警后,如果火源熄灭,在60s内,探测器自动恢复为正常监视状态, 同时火警继电器复位,可通过编码器和磁棒进行修改。 |
3.1保护区域
· 探测范围
视场范围≤120°;灵敏度等级:I级。
图1 探测区域示意图
· 3级灵敏度探测距离
| 燃烧物 | 火源大小 | 最大探测距离 |
|---|---|---|
| 正庚烷 | 0.1m×(0.3m×0.3m) | 45m |
| 乙醇 | 0.1m×(0.3m×0.3m) | 35m |
| 汽油 | 0.1m×(0.3m×0.3m) | 30m |
说明:火焰探测器灵度越高,探测距离越远,相应的误报率也会越高,客户需根据现场情况选择灵度。
4安装调试
4.1安装说明/步骤
警告:火焰探测器安装前,务必切断火焰探测器供电线路的电源。
注意:
1、现场安装时,按GB/T3836.15-2017标准要求、配用与环境相适应的已取得防爆合格证的电缆引入装置及封堵件,采用耐高温电缆。
2、火焰探测器的设置应参考《火灾自动报警设计规范》(GB50116-2013)及其他相关规范标准执行。
3、所有连接线截面积不小于1.0mm,连接线末端剥去大约6mm的绝缘护套,连接到火焰探测器的接线端子上。
4、电缆引入装置及封堵件需与产品配套订购或自配:
电缆引入装置:JBF-CG-M20×1.5mm或JBF-CGC-M20×1.5mm;
封堵件:JBF-Hp-M20×1.5mm或JBF-HpC-M20×1.5mm。
5、检查外部连接线是否存在短路故障。
图2 产品尺寸图(单位:mm)
图4 接线端子图
表1 接线端子定义
| 名称 | 端子定义 |
|---|---|
| FR-C、FR-NO、 FR-NC | FR-C和FR-NO火警继电器常开触点,火警状态闭合 FR-C和FR-NC火警继电器常闭触点,火警状态断开 |
| FL-C、FL-NC | 故障继电器常闭触点,故障状态断开,断电状态断开 |
| V1、V2 | DC24V电源线,无极性 编址模式和非编址模式都需要连接 |
| L1、L2 | 消防两总线,无极性,编址模式时与专用消防总线连接,非编址模式时悬空 |
| AA、BB | RS485信号,AA为RS485+,BB为RS485- |
| MAS | 4~20mA输出接口,与V1、V2端子一起使用 正常:4mA±1%;故障:≤2mA;火警:15mA±1% |
4.1.1安装说明/步骤1(编址模式)
· 回路总线建议使用双绞线,导线截面积不小于1.0mm2。
· 安装之前用专用电子编码器对其写入相应地址码,此地址码应与工程软件中的地址码相一致。
· 将消防二总线接在L1、L2端子上,接线无极性;将电源线接在V1、V2端子上,接线无极性,如图5。
· RS485、4~20mA输出接口、火警继电器和故障继电器根据客户实际需求连接。
· 火焰探测器在布线检查之后、调试之前安装,以防止因不恰当安装作业造成损失。
图5 编址模式接线图
说明:回路带载数量建议≤200个,同一回路存在其他现场部件时,需经过计算后确定带载数量。
4.1.2安装说明/步骤2(非编模式)
· 将DC24V电源接在V1、V2端子上,接线无极性,L1、L2端子保持悬空,如图6。
· RS485、4~20mA输出接口、火警继电器和故障继电器根据客户实际需求连接。
· 火焰探测器在布线检查之后、调试之前安装,以防止因不恰当安装作业造成损失。
图6 非编模式接线图
4.1.3 安装说明/步骤3(4~20mA接口)
· 如图7所示,火焰探测器的4~20mA输出功能,需配合V1、V2电源使用。
· 将4~20mA输入设备的负载电阻连接到火焰探测器MAS与24V电源负端进行采样。并将4~20mA输入设备按照4mA±1%正常监视、≤2mA故障状态、15mA±1%火警状态进行电流检测设置。
注意:RLOAD负载电阻阻值要求≤600Ω。
图7 4~20mA输出接口接线图
4.2 调试方法
4.2.1 编址模式调试方法
1、安装前,先使用专用电子编码器对火焰探测器进行编码。
2、将火焰探测器DC24V电源线连接好,并将回路线连接到控制器上,对其进行登记。
3、在火焰探测器窗口前约10厘米位置晃动火源或模拟火源,使得火焰探测器报出火警,控制器显示火警信息,说明火焰探测器报警工作正常。
4、复位火灾报警控制器,火焰探测器恢复正常监视状态。
4.2.2 非编模式调试方法
1、使用专用电子编码器对JBF4137A中继模块进行编码。
2、按图6接线图将火焰探测器与中继模块连接好。
3、在控制器上对中继模块进行登记。
4、在火焰探测器窗口前约10厘米位置晃动火源或模拟火源,使得火焰探测器报出火警,控制器显示火警信息,说明火焰探测器报警工作正常。
5、复位火灾报警控制器,火焰探测器恢复正常监视状态。
4.2.3磁棒设置功能调试方法
探测器正常上电运行后,可以通过磁棒设置灵敏度、报警自恢复、污染故障开关等功能,磁棒贴近有效区域见图8深色部分。
图8磁棒贴近区域示意图
1、灵敏度设置方法:
磁棒贴近火焰探测器,探测器识别到磁棒红灯闪烁一下,磁棒贴近时间小于5秒并挪开,灵敏度+1。
2、报警自恢复设置方法:
磁棒贴近火焰探测器,探测器识别到磁棒红灯闪烁一下,磁棒贴近时间大于5秒小于9秒并挪开,探测器黄灯闪烁,进入报警模式设置,如果黄灯闪一下,代表自恢复,此时再次将磁棒贴近时间大于5秒小于9秒并挪开,黄灯变为闪两下,此时为报警保持模式,等待26秒以上,探测器自动退出设置模式。
3、污染故障开关设置方法:
磁棒贴近火焰探测器,探测器识别到磁棒红灯闪烁一下,磁棒贴近时间大于10秒并挪开,探测器红灯闪烁,进入污染故障开关设置,如果红灯闪一下,代表关闭,此时再次将磁棒贴近时间大于10秒并挪开,红灯变为闪两下,此时打开,等待26秒以上,探测器自动退出设置模式。
5 故障分析与排除
| 故障现象 | 原因分析 | 排除方法 |
|---|---|---|
| 巡检灯不亮,报故障 | 1.电源线未接通 | 检测并接通电源接线 |
| 2.接触不良 | 重新接线 | |
| 3.接线错误 | 按接线端子接线图检查并正确接线 | |
| 火焰探测器报警后无输出信号 | 1.输出线连接不正确 | 检查输出线,并按接线图正确接线 |
| 2.输出线断路或开路 | ||
| 火焰探测器上电后经常误报 | 1.现场环境影响 | 排除周围环境干扰 |
| 2.灵敏度设置不合理 | 根据现场实际情况调节灵敏度 |
6 保养、维护
· 火焰探测器金属外壳端子应就近连接到大地,接地务必可靠。
· 维修保养时,注意保护隔爆面,所有隔爆面不得有损坏或锈蚀。
· 严禁带电开盖,非专业人员不得随意安装、拆卸。
· 火焰探测器必须按照国家标准及其有关法规要求,进行定期测试和维护保养,每一年至少对探测器窗口进行一次清洁处理,每月进行一次测试保养。
7 开箱及检查
打开包装后,应该包括:
| 火焰探测器 | 1 台 | |
| 产品使用说明书 | 1 份 | |
| 安装支架 | 2 件 | |
| 配件,其中含: 内六角圆柱头螺钉 M10×20 内六角圆柱头螺钉 M6×14 内六角平端紧定螺钉 M4×5 弹性垫圈 10 平垫圈 10 弹性垫圈 6 平垫圈 6 |
1 个;(用于安装支架与产品间连接) 2 个;(用于安装支架间的固定) 1 个;(用于安装支架间的固定) 1 个;(用于安装支架与产品间防松紧固) 1 个;(用于安装支架与产品间防松紧固) 2 个;(用于安装支架间防松紧固) 2 个;(用于安装支架间防松紧固) |
1 盒 |
如发现任意项有缺失或有损坏,请速与我们联系,我们将立即补全产品的缺失项,或者在确定是非人为因素造成的破损下,无条件的为客户更换新的产品。
8 注意事项、免责声明
· 火警和故障继电器根据客户实际需求连接,提供具有 3A@30VDC 触点容量的触点,外接其他设备或负载应不超过继电器触点容量。
· 须配装与此产品防爆等级适用的并取得强制性认证的电缆引入装置和封堵件。
· 在使用中,必须严格按照本说明书的描述进行安装与调试。
· 本公司保留对本说明书的最终解释权。

