JBF-BOX6信号处理单元箱BOX6
参考资料
1 概述
JBF-BOX2/4/6型信号处理单元箱是青鸟消防股份有限公司设计开发的信号单元安装箱,具有简洁、耐用、便于安装等特点,其中JBF-BOX2型号内部能够安装2个JBF4310-LA信号处理单元,JBF-BOX4型号内部能够安装4个JBF4310-LA信号处理单元或2个JBF4311-LA的信号处理单元,JBF-BOX6型号内部能够安装6个JBF4310-LA信号处理单元或4个JBF4311-LA的信号处理单元,信号处理单元箱具有IP30的防护等级。
1.1 产品特点
- 信号单元箱支持上下两面的安装操作,每面分别具有5/7/9个安装孔,便于安装选择。
- 信号单元箱内置镀锌的安装板,安装一个8位接线端子;便于信号处理单元接线和连接后悬挂安装。
- 信号单元箱具有倒流功能设计,引流从上面流下的小水流。
1.2 型号组成
2 产品参数
机械特性
| 项目 | 参数 |
|---|---|
| 外壳材质 | 冷轧钢板 |
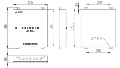
| 外形尺寸 | BOX2 LxWxH:500mm×100mm×384mm |
| BOX4 LxWxH:500mm×100mm×596mm | |
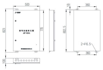
| BOX6 LxWxH:500mm×100mm×823mm | |
| IP等级 | IP30 |
3 安装说明
3.1 产品尺寸图 (尺寸单位:mm)
推荐接地线和端子接线图
JBF-BOX2 信号处理单元箱 BOX2
JBF-BOX4 信号处理单元箱 BOX4
JBF-BOX6 信号处理单元箱 BOX6
3.2 产品安装示意图 (尺寸单位:mm)
4 保养、维护
定期进行开箱状态检测,对钥匙和折页检修,建议每1-2年一次。
5 开箱及检查
打开包装后,本产品应该包括:
| 包含内容 |
|---|
| 信号处理单元箱:1个 |
| 产品使用说明书:1份 |
| JBF-BOX接地线:1条 |
| 8位端子排:1个 |
| M4螺钉:2个 |
| 接地片标识:1个 |
如发现任意项有缺失或有损坏,请速与我们联系,补全产品的缺失项,或者在确定是非人为因素造成的破损下,无条件的为客户更换新的产品。
6 注意事项、免责声明
- 在使用中,必须严格按照本说明书的描述进行安装与调试。
- 本公司保留对本说明书的最终解释权。
