JBF6372 火灾声光警报器
参考资料
1 概述
JBF6372火灾声光警报器(以下简称声光)是青鸟消防开发的内置朱鹦芯片且具备短路隔离功能的火灾声光警报器。当监控区域发生火灾时,控制器发出联动控制命令驱动火灾声光警报器发出高分贝火警声和光信号进行报警。
1.1 产品特点
- 内置青鸟消防自研的火灾报警专用微处理器「朱鹦」;
- 有极性二总线产品;
- 内置短路隔离器;
- 外壳结构件使用ABS阻燃材料,阻燃等级UL94V-0;
- 射频电磁场辐射抗扰度能力大于80 V/m;
- 多种报警音调选择,具备声光分控功能;
- 具备编址、非编址工作模式。
1.2 适用范围
- 适用于机场候机厅、轨道交通、电子厂房、高端酒店、写字楼等场所;
- 应用设计遵照国家标准 GB50116-2013《火灾自动报警系统设计规范》。
1.3 型号组成
2 工作原理
声光由总线接口、火警声电路和LED灯电路及相应的处理电路组成,当接收到控制器发出的启动命令,声光警报器会发出火警声和光的报警信号。
3 性能参数
环境特性
| 工作温度 | -10~+55℃ |
| 贮存温度 | -20~+65℃ |
| 相对湿度 | ≤93±3%,40±2℃ (无凝露) |
防爆特性
| 防爆标志 | 不涉及 |
电气特性
| 额定工作电压 | 总线24V(13V~28V)调制型,控制器提供 |
| 监视电流 | ≤150uA(总线24V) |
| 报警电流 | ≤4.5mA(总线24V) |
| 音调类型 | 2种:火警音、滴滴滴音 |
| 声压级 | 80dB~120dB(总线24V,A计权) |
| 变调周期 | 3s~5s |
| 闪光频率 | 1.0Hz~1.5Hz |
通讯特性
| 线制 | 有极性二总线 |
| 编址范围 | 1~252(仅支持62协议) |
| 编址方式 | 编码器编址方式 |
| 最远传输距离 | Class A 3000m, Class B 1500m (RVS2×1.5mm²) |
机械特性
| 外观 | PANTONE T085-2-1 红色透明 |
| 外壳材质 | PC(上壳)+ABS(底座),阻燃等级UL94V-0 |
| 产品质量 | 约146g |
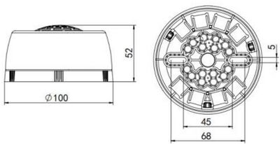
| 外形尺寸 | Φ100mm×H52mm(含底座) |
认证特性
| 消防产品强制3C认证 |
执行标准
- GB26851-2011《火灾声和/或光警报器》
4 安装调试
4.1 编址模式安装说明/步骤
- 火灾声光警报器采用明装方式。
- 布线施工后,将火灾声光警报器底座固定在墙上(使用M4螺钉),安装孔距为45mm~68mm,外形及安装尺寸如图1所示:(单位mm)
- 施工中建议使用截面积≥1.0mm²的阻燃双绞线(ZR-RVS2*1.0mm²);
- 支路接法:端子1、2接回路总线LA⁺/LA⁻或LB⁺/LB⁻,区分极性;端子7、8为出线接下一底座的端子2、1,如图2所示:
- 环路接法:端子1接回路二总线LA⁺,端子2接回路二总线LA⁻,区分极性;端子7、8为出线接下一底座的端子2、1;最后一只声光端子7、8连接回路二总线的LB⁻、LB⁺,如图3所示:
- 产品在布线检查后、调试之前安装,以防止因不恰当安装作业造成损失。
- 安装之前用编码器对其写入相应地址码,此编码应与工程软件中的编码相一致。
4.2 非编址模式安装说明/步骤
- 安装前用电子编码器将其设置为非编模式;
- 端子1连接DC24V线正极、端子2连接DC24V线负极,通过控制DC24V的通断,实现非编声光的启停控制。
4.3 调试方法
- 首先用电子编码器对火灾声光警报器写入地址码1~252
- 地址码写入成功后,将火灾声光警报器连接到控制器上,对其进行登记。
- 接收到控制器发出的启动命令,火灾声光警报器发出声、光报警信号。
- 可通过编码器对火灾声光警报器进行设置:
| 类别 | 通过编码器进行设置 | 备注 |
|---|---|---|
| 音调设置 | 火警声 | 出厂默认 |
| 滴滴滴声 | ||
| 工作模式 | 声光类型 | |
| 警报类型 | 出厂默认 | |
| 只声类型 | ||
| 只光类型 | ||
| 运行模式 | 编址模式 | 出厂默认 |
| 非编模式 |
5 故障分析与排除
| 故障现象 | 原因分析 | 排除方法 | 备注 |
|---|---|---|---|
| 控制器报故障 | 消防二总线未连接好 | 检查连接线 | |
| 现场部件地址码与工程软件中地址码不一致 | 参照工程软件中地址码重新对现场部件写入地址码 | ||
| 登记失败 | 运行模式为非编模式 | 使用编码器更改产品为编址模式 | |
| 地址不在正常范围 | 参照编码器说明书重新编码,编码范围1~252 | ||
| 同回路现场部件重号 | 使用编码器重新编码 |
6 保养、维护
- 日常维护、保养、校准。
定期进行报警试验,建议每半年一次。
- 根据GB29837-2013《火灾探测报警产品的维修保养与报废》相关规定,产品使用寿命一般不超过12年。
7 开箱及检查
打开包装后,本产品应该包括:
| 火灾声光警报器(不含底座) |
| 产品使用说明书 |
如发现任意项有缺失或有损坏,请速与当地经销商联系。
8 注意事项、免责声明
- 在使用中,必须严格按照本说明书的描述进行安装与使用。
- 本公司保留对本说明书的最终解释权。
