J-ZFJC-E20W-18Z2A B型吸顶筒灯

参考资料
文件:18Z1A、18Z2A、18Z3A集中电源消防应急照明灯具说明书A5 1722329770237.pdf
检验报告
文件:J-ZFJC-E20W-18Z2A 检验报告.pdf ID636.pdf
认证证书
文件:J-ZFJC-E20W-18Z2A 认证证书.pdf ID636.pdf
高清图片
一、灯具特点及注意事项
1.本订其设计满足 GB 17945-2010《消防应急照明和疏散指示系统》要求,灯具采用 6 线制,电源 3 线(火线、零线、地线),通讯 2 线(总线输出+、总线输出-),强启线(需要时接入),灯具需配套专用电源使用。灯具通信线采用无极性低压(24V 或 36V)通讯,通讯端严禁接入AC220V/DC216V 强电,接入强电将造成灯具无法通讯。灯具输入电源端采用高压 AC220V 或 DC216V供电。
2.该系列灯具采用高亮 LED,有独立地址、巡检功能,控制部分采用单片机控制,集成度高,可靠性强。
3.本系列消防应急照明灯具防护等级为 IP65,灯具内部已进行密封处理
- 注 意:电源输入线和通信线应采用分管铺设。
二、技术参数及灯具尺寸
| 额定电源电压: | AC220V 或 DC216V | 工作方式: | 非持续型 |
| 主电功耗: | 15W/20W/30W | 应急输出光通量: | ≥50lm |
| 防护等级: | IP65 | 安装方式: | 吸顶 |
| 灯具应急时间: | 90min | 额定工作频率: | 50Hz |
| 光源参数: | DC2.8V-DC3.0V,0.5W | ||
| 执行标准: | GB 17945-2010 | 防护方式:封胶方式 | |
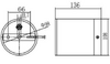
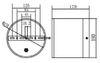
灯具外形和尺寸:
| 灯具外形和尺寸: | ||
|---|---|---|
| 15W | 20W | 30W |
三、型号说明
四、工作原理
五、使用说明
1. 该灯具受集中控制系统控制,灯具可接受由系统发来的指令改变灯具的工作状态,同时系统会对灯具的各种状态进行监视,实时上报灯具状态。
2.本系列 B 型应急灯具必须和我公司配套的应急照明集中电源使用,不可独立使用。
六、灯具地址
1. 出厂地址:我司灯具出厂前已写入出厂地址,地址码见灯具二维码标签
(8 位)
2. 编码地址:现场编址,使用编码器输入 1-999(详细操作请参考 B 型编码器说明书)
按实际需求记录出厂地址或编码地址,并记录在施工图纸所对应的位置,并将整理好的施工图纸妥善存档,用于后期的系统调试。
注:1.禁止安装未记录地址码的灯具;
2.灯具的编码时操作需要与我司配套产品使用;
3.使用编码器编址时,同一电源下,灯具编址不可重复。
七、接线及安装说明
警告:安装设备前,请务必切断回路电源,电线接头需做防水、绝缘处理。
1.B 型灯具直接接大电源和分配电;
将 B 型灯具的通讯线(2 线)接入应急照明分配电装置的输出回路;灯具的电源输入线(3线)接入大电源的 220V 输出回路,确保线路连接牢固工整;强启线需要时接入,接入应急照明分配电装置的输出回路+;
接线如下图所示:
2. B 型灯具配接 B 型电源
将 B 型灯具的通讯线(2 线)接入 B 型电源的总线输出回路;灯具的电源输入线(3 线)接入 B 型电源 220V 输出回路,确保线路连接牢固工整;强启线需要时接入,接入 B 型电源的总线输出回路+;
接线如下图所示:
八、安装方式
在图纸设计位置,按照图示建议开孔尺寸开孔,按照上图接线方法接线,确保接线无误及灯具安装牢固美观。
九、维修保养和排除故障
本产品为消防产品,应由受过培训的专业人员进行安装、调试和维修;灯具应安装或贮存于通风、干燥、无腐蚀环境的地方,以免内部元器件受潮。应尽量避免灯具受到摩擦、敲击和冲击,以防止外壳产生变形、破损等损坏现象。
十、常见故障及处理方法
| 故障现象 | 原因分析 | 排除方法 |
|---|---|---|
| 灯具接入系统后 应急不亮 | 1、线路故障 2、总线回路故障、主电输 出故障 |
1、检查灯具接线、测量接线处电压是否 正常; 2、总线输出回路是否正常,主电 220V 是 否正常; |
| 单台灯具通讯故 障 | 1、灯具是否正常 2、ID 号错误 |
1、检查灯具是否正常应急,如果可以, 证明灯具正常; 2、检查系统中录入的 ID 号码是否正确。 |
| 光源的更换方法 | 光源故障或损坏 | 联系专业维修工作人员进行更换 |
十一、安全使用注意事项
1.使用前,请您务必详细阅读此说明书,方可接通电源。
2.本产品必须由具有专业资格的人员进行安装、调试和维修作业。保内保外维修,均可以联系本公司售后服务部,用户不要自行拆开或维修,以防发生意外。
3.安装设备前,请务必切断回路电源,电线接头需做防水、绝缘处理。
4.本系列消防应急照明灯具防护等级为 IP65,灯具内部已进行密封处理,请按照实际使用环境选择和匹配 IP 防护等级的产品;安装环境不匹配导致的产品性能问题,本公司不负任何责任。
5.如果您对安装或使用还有疑问,请向销售商咨询。