JBFFHX3 防护箱
参考资料
1 概述
防护箱设计用于为控制器提供全面保护,提高防护等级,适用于多种恶劣环境。
1.1 适用范围
广泛应用于石油化工、管廊等需求高防护等级项目现场。
1.2 型号组成
2 性能参数
2.1 机械特性
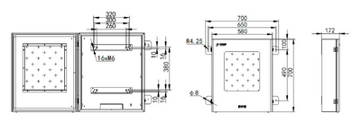
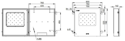
外形尺寸
| JBF-FHX1(带安装孔) | 800mm×740mm×162mm |
| JBF-FHX2(带安装孔) | 700mm×700mm×172mm |
| JBF-FHX3(带安装孔) | 450mm×500mm×125mm |
| JBF-FHX3(2mm 不锈钢)(带安装孔) | 450mm×500mm×126mm |
开孔尺寸
| JBF-FHX1(带安装孔) | 750mm×520mm,固定孔大小为φ8mm |
| JBF-FHX2(带安装孔) | 650mm×490mm,固定孔大小为φ8mm |
| JBF-FHX3(带安装孔) | 429mm×425mm,固定孔大小为φ5.5mm |
| JBF-FHX3(2mm 不锈钢)(带安装孔) | 429mm×425mm,固定孔大小为φ5.5mm |
2.2 适用范围
| 产品型号 | 适用产品(包含但不仅限于) |
|---|---|
| JBF-FHX1 | 配接我公司的21SF-C壁挂系列产品 |
| JBF-FHX2(直接安装) | JBF-62S20-4、JBF-61S30、JBF-61S30-H、JBF-PWMS、JBF-51S01、JBF-51S02、JBF-51S04、JBF-51S05、JBF-51S06、JBF-52S01、JBF-52S04 |
| JBF-FHX2(拆卸安装板) | JB-QB-JBF5010、JB-QB-JBF5011、JB-QB-JBF5012、JBF5015、JBF5016 |
| JBF-FHX3/JBF-FHX3(2mm不锈钢) | JBF-62S20、JBF-62S30、JBF-62S60、JBF5009、JBF5013、JBF5017、JBF51S41、JBF-52S02、JBF-52S03 |
外形尺寸(单位:mm)
JBF-FHX1 防护箱结构尺寸图
JBF-FHX2 防护箱结构尺寸图
JBF-FHX3 防护箱结构尺寸图
JBF-FHX3(2MM不锈钢)防护箱结构尺寸图
开箱清单
检查产品包装箱中是否含有以下物品:
| 产品型号 | 包含物品 | |
|---|---|---|
| JBF-FHX1/2 | 防护箱 | 1台 |
| 防护箱安装说明书 | 1份 | |
| PG7 防水接头 | 1个 | |
| PG13.5 防水接头 | 2个 | |
| JBF-FHX3 | 防护箱 | 1台 |
| 防护箱安装说明书 | 1份 | |
| JBF-FHX3(2MM 不锈钢) | 防护箱 | 1台 |
| 防护箱安装说明书 | 1份 | |
| 橡胶堵头 Φ22mm | 5个 | |
如发现任意项有缺失或有损坏,请速与当地经销商联系。
3 安装调试
1. 将防护箱固定到墙上, 安装孔参照防护箱结构图;
2. 将防水接头固定在防护箱进出线孔位上,注意拧紧且不得戳破防水接头顶部保护膜。
3. 将线路穿入防水接头并锁死(强弱电线注意分开布置);
4. 将控制器固定在防护箱内并完成接线。
注意:
- 防护箱的所有过线孔均应安装防水接头或堵头;
- 根据防水接头表选择合适的出线孔并锁紧接头,保证不用的防水接头顶部保护膜完好。
| 规格 | 适用电缆(mm) | 扳手直径(mm) |
|---|---|---|
| PG7 | 3-6.5 | 16 |
| PG13.5 | 6-12 | 24 |
| PG21 | 12-18 | 33 |
4 注意事项、免责声明
- 在使用中,必须严格按照本说明书的描述进行安装与调试。
- 本公司保留对本说明书的最终解释权。
