JBF5136C 中继模块
参考资料
1 概述
JBF5136C中继模块(以下简称模块)主要用于延长62协议回路总线通信距离、扩展62协议回路总线的带载能力,同时具备输出回路隔离功能。JBF5136C中继模块可将带载的现场部件发出的火警、故障、联动、反馈等信息上传至控制器,并可接收来自控制器的启动、测试、复位等控制指令。可广泛应用于民商用及工业等对通讯距离有延长要求的场所。
1.1 产品特点
- 内置微处理器;
- 采用SMT表面贴装工艺;
- DC24V电源供电;
- 仅支持62协议回路总线通讯距离的延长,延长距离≤1000m(采用RVS 2×1.0mm²线缆);
- 具备带载设备的状态监测功能;
- 回路总线输入端无极性要求,回路输出端配接有极性设备时需区分正负极(如63系列现场部件);回路输入端与回路输出端采用电气隔离设计,产品稳定性高,抗干扰能力强;
- 模块自身无需编址,带载设备需编址,采用分支布线(不支持环形布线);
- 带载现场探测设备数量≤252个。
1.2 适用范围
可广泛应用于民商用及工业等对通讯距离有延长要求的场所。
1.3 型号组成
2 工作原理
模块内嵌微处理器,通过微处理器实现与火灾报警控制器通讯、接收输入指令判断、状态指示灯控制等。供电采用高速MCU管理通讯转换,通过电气隔离技术接收和反馈回路信息,输入信号快速转换到模块输出端口,实现回路通讯协议的中继功能。
3 性能参数
环境特性
| 工作温度 | -10~+55℃ |
|---|---|
| 贮存温度 | -20~+65℃ |
| 相对湿度 | ≤95%(40℃±2℃无凝露) |
电气特性
| 工作电压 | DC24V |
|---|---|
| 工作电流 | 17mA(总线24V) |
| 输出容量 | 输出电流:2.5A 带载探测器数量≤252个 |
| 确认灯 | 正常运行:“运行”指示灯常亮 输入回路短路或者断路:“输入故障”指示灯常亮,“运行”指示灯闪亮 输出回路短路:“输出故障”指示灯常亮,“运行”指示灯常亮 |
通讯特性
| 线制 | 四线制 |
|---|---|
| 总线输入距离 | ≤1000m(RVS 2×1.0mm²) |
| 总线输出距离 | ≤1000m(RVS 2×1.0mm²)(不支持级联使用) |
兼容性
JBF-21SF-C(62协议)、JBF-52S0X(62协议)、JBF-63S、JBF-61S30(62协议)、JBF-62S20-4、JBF-PWMS(62协议)、FW2105控制器
机械特性
| 外观 | 喷塑, 驼沙纹-70, 灰白 |
|---|---|
| 外壳材质 | 冷轧板 |
| 产品质量 | 约400g |
| 外形尺寸 | 185mm×75mm×34mm(宽×高×厚) |
4 安装调试
4.1 安装说明/步骤
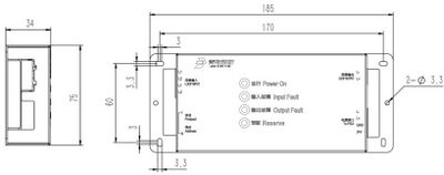
- 中继模块固定在模块箱中(使用M3螺钉),安装孔距为170mm × 60mm,外形及安装尺寸如图1所示(单位mm)。
图1 外形及安装尺寸
- 施工中回路总线建议采用阻燃双绞线RVS,导线截面积不小于1.0mm²。
- 端子接线图方法如下所示(实物接线端子标注如下图):
L1、L2:回路总线输入,无极性
L+、L-:回路总线输出,配接有极性设备时需区分正负极
电源端口24V、GND:DC24V电源输入端
电源端口 L+、L-:配接电源箱回路总线端
图2 接线示意图
4.2 调试方法
- 将模块上电,运行指示灯正常(“运行”灯绿色常亮)。
- 操作控制器进行自动登记,确认模块输出带载的设备登记正常,并测试模块所接现场设备工作正常,调试完毕。
- 现场设备报警以后,控制器复位后,模块后所接报警设备恢复正常监视状态。
- 拨码开关第一bit位至第八bit OFF时,连接标准62协议的现场部件。
注:如果模块回路输入端断开或者短路,则“输入故障”指示灯常亮,“运行”指示灯闪亮; 如果模块回路输出端短路,则“输出故障”指示灯常亮,“运行”指示灯常亮。
5 故障分析与排除
| 故障现象 | 原因分析 | 排除方法 |
|---|---|---|
| 运行指示灯不亮 | DC24V接触不良 | 重新接线 |
| 运行指示灯不亮 | DC24V电源异常 | 确认供电电压是否正常,无过压、欠压 |
| 运行指示灯不亮 | 电路元器件损坏 | 维修,更换模块 |
| 输入故障灯常亮 | 输入回路线断路或短路 | 确认输入回路线断路或短路 |
| 输出故障灯常亮 | 输出回路线短路 | 确认输出回路线短路 |
| 不能登记现场部件或运行灯不亮 | 输出回路线开路 | 检查线路 |
| 不能登记现场部件或运行灯不亮 | 电路元器件损坏 | 维修,更换模块 |
6 保养、维护
定期进行输入状态检测和报警试验,建议每半年一次。
7 开箱及检查
打开包装后,本产品应该包括:
| 项目 | 数量 |
|---|---|
| JBF5136C中继模块 | 1个 |
| 产品使用说明书 | 1份 |
| 2P插拔端子 | 1个 |
| 4P插拔绿端子 | 2个 |
如发现任意项有缺失或有损坏,请速与当地经销商联系。
8 注意事项、免责声明
- 在使用中,必须严格按照本说明书的描述进行安装与调试。
- 本公司保留对本说明书的最终解释权。