JBF62D-42输入/输出接口模块

接线图
参考资料
检验报告
高清图片
1 概述
JBF62D-42 输入/输出接口模块(以下简称模块)是本公司开发的应用于防火门监控系统的现场部件,用于对外接电动闭门器或电动门吸等设备进行状态监测。该模块专门针对双常开门设计,为双路输出、单路输入接口,占用一个回路地址点。该接口模块适用于上电关门或断电关门的电动闭门器等设备。
1.1 产品特点
- 内置微处理器。
- 采用SMT表面贴装工艺。
- DC24V直流电源输入,DC24V有源继电器输出。
- 工作电压范围广,可在DC13-28V范围内正常工作。
- 通信采用二总线技术,无极性要求,在保证低功耗的同时使传输距离最远达1500m。
- 施工中建议使用双绞线,导线截面积不小于1.5mm2。
- 回路信号处理电路与输出检测信号处理电路实现电气隔离,接口稳定性高,抗干扰能力强。
- 电子编码方式,可通过专用电子编码器编址或防火门监控器在线编址。
- 本接口采用易于客户施工、维护的插拔式结构,先安装底座,线路检查完成后再装主体进行开通调试。
- 具备完善的故障检测功能。
1.2 适用范围
- 适用于宾馆客房、办公楼、图书馆、影剧院邮政大楼等公共场所。
1.3 型号组成
2 工作原理
该模块内嵌微处理器,微处理器实现与防火门监控器的通讯、电源掉电检测、输出控制、应答信号逻辑状态判断、输入和输出线路故障检测、状态指示灯控制等功能。具备两路控制输出,一路反馈输入,可以同时控制双常开门的两个闭门器。该模块占用一个编码地址,编址范围1-252。接收防火门监控器的启动命令,输出继电器动作并点亮对应的“输出动作”指示灯;在接收到外接设备传来的应答信号后,将信息传送到防火门监控器并点亮对应的“输入动作”指示灯。左右门关闭时间间隔出厂默认值为6秒,该时间间隔可用编码器或监控器调节,调节范围为2-10秒。
3 性能参数
环境特性
| 工作温度 | -10~+55℃ |
| 贮存温度 | -20~+65℃ |
| 相对湿度 | ≤95%(无凝露) |
防爆特性
防爆标志 不涉及
电气特性
| 工作电压 | DC18-28V,联动电源提供 |
| 回路总线 | DC13-28V,调制型,控制器提供 |
| 射频电磁场辐射 抗扰度 | 30V/M |
| 监视电流 | ≤0.6mA(DC24V) |
| 报警电流 | ≤1.2mA(DC24V) |
| 输出容量 | 0.2A/DC24V |
| 确认灯 | 监视状态:“输入动作”灯每4秒闪亮一次,“输出动作”灯每4秒闪亮一次。 动作状态:“输入动作”灯红色常亮,“输出动作”灯红色常亮。 故障状态:输入端发生故障“输入动作”指示灯每4秒连续闪亮两次; 输出端发生故障“输出动作”指示灯每4秒连续闪亮两次。 |
通讯特性
| 线制 | 四线制,信号线无极性,24V电源线有极性 |
| 编址范围 | 1~252 |
| 编址方式 | 专用电子编码器、监控器在线编址 |
| 最远传输距离 | 1500m |
兼容性
JBF62S 系列防火门监控器
机械特性
| 外 观 | PANTONE Warm Gray 1 C (米白色) |
| 外壳材质 | ABS(塑料) |
| 产品质量 | 127g |
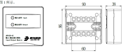
| 外形尺寸 | (长×宽×高)90mm×86mm×38mm(含底座) |
探测特性
保护面积 不涉及
认证特性
消防认证
执行标准
1) GB 29364-2012 《防火门监控器》
4 安装调试
4.1 安装说明/步骤
- 模块采用明装方式。
- 布线施工后,通过预埋盒或使用膨胀螺栓将底座固定在墙上(使用 M4 螺钉),安装孔距为 60mm。如图 1 所示。
图 1 外形及安装尺寸图
- 回路总线采用不小于 2×1.5mm2 双绞线。电源采用不小于 2×1.5mm2 双绞线。
- 安装之前用编码器对其写入相应地址码(1-252),此编码应与工程软件中的编码相一致。
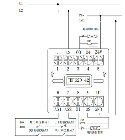
- 将总线 L1、L2 接在端子 1、2 上,接线无级性。
- 只能在线路检查后、调试之前安装,以防止因不恰当安装作业造成损失。
- 模块端子图例如图 2 所示:
图 2 端子图
L1(端子 1)、L2(端子 2):接通回路总线,无极性;
24V(端子 5)、GND(端子 10):接 24V 直流电源,有极性。
输入功能:
AS1(端子 6)、AS2(端子 7):接应答(无源触点)。
连接在 AS1 和 AS2 上的监视设备的动合端必须并联 10KΩ 终端电阻。
输出功能:
持续输出 DC24V:O1(端子 8)、GND(端子 10):接被控设备 1: O3(端子 3)、GND(端子 10);接被控设备 2。模块正常监视时,O1 端与 O3 持续输出 DC24V,启动后 O1/O3 端停止输出 DC24V。被控设备 1 与被控设备 2 之间的启动间隔默认为 6S。接线方式见图 3。
图 3 接线示意图
启动后输出 DC24V:O1(端子 8)和 O2(端子 9):接被控设备 1:O3(端子 3)和 O4(端子4):接被控设备 2。此时被控设备需串接二极管后与 10kΩ 电阻并联后接到 O1 与 O2/O3 与 O4 端之间,二极管正极与 O2/O4 端相连。启动后,O2/O4 端输出 DC24V。接线方式见图 4。
图4 接线示意图
4.2 调试方法
- 首先使用电子编码器对模块进行编码。
- 将其连接到防火门监控器中,对其进行登记。
- 进入手动启停设备界面,输入要启动的模块地址并启动,模块输出动作指示灯常亮,闭门器动作。模块接收到关门到位信号,输入指示灯常亮。
- 防火门监控器复位,打开常开门,模块恢复正常监视状态。
5 故障分析与排除
| 故障现象 | 原因分析 | 排除方法 | 备注 |
|---|---|---|---|
| 输入动作指示灯连 续2次闪亮报故障 | 接触不良 | 重新接线 | |
| 接线错误 | 按标签上的指示接线 | ||
| 漏接终端电阻 | 输入端接入10kΩ电阻 | ||
| 电路元器件损坏 | 更换模块 | ||
| 输出动作指示连续 闪亮2次报故障 | 接触不良 | 重新接线 | |
| 接线错误 | 按标签上的指示接线 | ||
| 输出线路断短路 | 测试输出端线路状态 | ||
| 断电重新编址或连 续编址编不上 | 模块内部电容电量未 释放尽 | 等待1分钟后重新编址 | |
| 不能登记 | 未编址 | 使用专用编码器对现场部件编址 | |
| 编码地址范围错误 | 参照编码器说明书重新编址 |
6 保养、维护
定期进行输入和输出状态检测和继电器动作试验,建议每半年一次。
7 开箱及检查
整箱包装打开后,本产品应该包括:
输入/输出接口模块(不含底座) 200只 产品使用说明书 20份
如发现任意项有缺失或有损坏,请速与我们联系,我们将立即补全产品的缺失项,或者在确定是非人为因素造成的破损下,无条件的为客户更换新的产品。
8 注意事项、免责声明
- 在使用中,必须严格按照本说明书的描述进行安装与调试。
- 本公司保留对本说明书的最终解释权。

