J-ZFJC-E5W-16B4-Ex 集电壁挂防爆型双头照明灯

参考资料
文件:J-ZFJC-E5W-16B4-Ex消防应急照明灯具说明书A4 1722329264563.pdf
检验报告
文件:J-ZFJC-E5W-16B4-Ex 检验报告.pdf ID610.pdf
认证证书
文件:J-ZFJC-E5W-16B4-Ex 认证证书.pdf ID610.pdf
高清图片
一、灯具特点及注意事项
本灯具设计满足GB 17945-2010《消防应急照明和疏散指示系统》要求。。本灯具为专用灯具,采用低压供电,严禁接入AC220V/DC216V强电,接入强电将造成灯具损毁。
- 灯具符合Ex de II C T6 Gb等级防爆标准,适用于可能发生爆炸的环境
- 灯具防护等级为IP67,灯具内部已做密封处理,满足潮湿场合使用
- 远程指令合控制,亮灯、灭灯功能
- 高光效LED光源,能耗极低,恒流驱动,发光稳定
- 带独立地址编码,完备的自动检测功能
- 本产品需要配合防爆管盖及防爆罩等相关配件(用户自备)使用
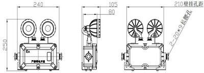
二、技术参数及灯具尺寸
额定电压: DC24V 或 DC36V 工作方式: 非持续型
主电功耗: 5W 安装方式: 壁挂
光 通 量: >50lm 防护等级: IP67
光源类型: LED 适用电缆外径: Ф9\*Ф14
光源参数: DC6.0V 引入口规格: 1/2NP7
防爆标志: Ex d II B T6 Gb / Ex tD A21 IP67 T80℃
灯具外形和尺寸(单位:mm):
三、型号说明
四、使用说明
- 该灯具受集中控制系统控制,灯具可接收由系统发来的指令改变灯具的工作状态,同时系统可对灯具的各种状态进行监视。
- 本系列应急灯具必须和我公司配套的消防应急专用电源配合使用;不可独立使用。
五、灯具地址
出厂地址:我公司灯具出厂前已写入出厂地址,地址码见灯具二维码标签:8 位
编码地址:需现场编码,使用编码器输入 1-999(详细编码请参考现场编码器说明书)
按实际需求记录出厂地址或编码地址,并记录在在施工图纸所对应的指定位置,并将整理好的施工图纸妥善存档,用于后续的系统调试。
注:
- 不能安装未记入地址编码的灯具;
- 灯具的编码操作请参阅我公司产品使用;
- 使用编码器编码时,同一电源下,灯具编码不可重复。
六、接线及安装说明
将灯具两个电源线分别接入智能疏散专用两线系统,确保线路连接牢固工整接线示意图如下:
警告:安装设备前,请务必切断回路电源,电线接头需做防水、绝缘处理。
安装说明:
- 严格按照设计图纸在指定安装位置安装,严格按照灯具孔距打孔。
- 依照上图接线示意,将灯具引出线与电源线连接好,安装固定牢靠。
- 配套防爆管安装方法:详见防爆管说明书。注:防爆管及相关配件需用户自备
安装示意图如下:
七、维修保养和常见问题
本产品为消防产品,应由受过培训的专业人员进行安装、调试和维修:灯具应安装或贮存于通风、干燥、无腐蚀环境的地方,以免内部元器件受潮,应尽量避免灯具受到摩擦、敲击和冲击,以防止外壳产生变形、破损等损坏现象。
常见问题 | 解决方法 |
---|---|
控制器显示灯具通讯故障 | 确保灯具安装方向、灯具接线、控制器系统中 的ID号码正确 |
八、安全使用注意事项
- 使用前,请您务必详细阅读此说明书,方可接通电源。
- 本产品必须由具有专业资格的人员进行安装、调试和维修作业,保内保外维修,均可以联系我公司售后服务部门,用户不要自行拆开或维修,以防发生意外。
- 安装设备前,请务必切断回路电源,电线接头需做防水、绝缘处理。
- 本系列消防应急照明灯具防护等级为IP67,灯具内部已进行密封处理;请按照实际使用环境选择相匹配IP防护等级的产品;安装环境不匹配易导致的产品性能出现问题。
- 本产品需要配合爆管等相关配件(用户自备)使用。
- 如果您对安装或使用还有疑问,请向销售商咨询。