JBF-AZZ1 安装立柱

参考资料
高清图片
1、概述
JBF-FHZ1 防护罩是本公司研发设计的用于配接本安型手动报警按钮,本安型消火栓按钮以及手报消防护盒等产品的装置,可独立壁挂安装也可与安装立柱 JBF-AZZ1 配接安装,适用于室外空旷露天地带。
1.1 产品特点
- JBF-FHZ1 型防护罩能够独立壁挂安装于室外墙壁上,安装方便,具有一定的防雨功能;
- 同时也能够与 JBF-AZZ1 安装柱配接,独立安装在室外空旷地带,作为现场报警设备(火灾手动报警按钮等)的安装依托;
- 防护罩内部背板能够灵活拆卸,方便拆装;且背板预留多种规格尺寸的安装孔,可兼容多种设备的安装使用;
- 防护罩内部以及防护罩与安装立柱连接处方便走线,利于设备安装;
- JBF-FHZ1 型防护罩配合防护盒 JBF-FHH 使用,可满足 IP65 的防护要求。
1.2 适用范围
- 可独立壁挂安装于室外墙壁上;
- 可与安装立柱 JBF-AZZ1 配接使用安装在室外空旷地带;
- 可兼容多种设备安装使用,如手报消防防护盒 JBF-FHH、手动火灾报警按钮 J-SAP-JBF4121A-Ex、消火栓按钮 JBF4123A-Ex 等多种产品。
1.3 型号组成
2 产品参数
2.1 机械特性
| 外 观 | RAL3003宝石红色 |
| 材质 | Q235 |
| 产品质量 | 2588g |
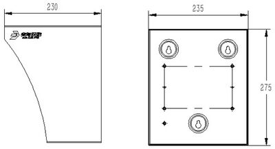
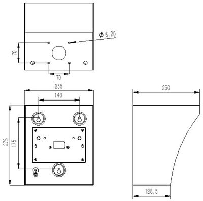
| 外形尺寸 | 235mm×230mm×275mm |
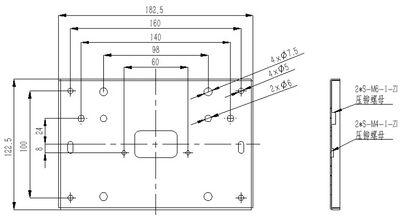
| 壁挂安装尺寸 | 140mm(水平)×175mm(竖直),固定孔Ф6mm |
图1 外形图
3 安装
3.1 防护罩安装说明/步骤
- JBF-FHZ1防护罩布线施工后,通过膨胀螺栓或螺钉将防护罩固定在安装立柱JBF-AZZ1上或墙上(使用M6螺钉),水平安装孔距为140mm,竖直安装孔距为175mm,外形及安装尺寸如图1与图2所示。
- 背板支架与防护盒、隔报、手报、消报系列产品通过螺钉或螺栓安装完成后,共同组装到防护罩上,如图2所示。
- 背板预留的各种孔的尺寸如图3所示。
图 2 安装尺寸图
图 3 背板尺寸图
➢ JBF-AZZ1(安装立柱)
1、概述
JBF-AZZ1安装立柱是本公司开发设计的用于配接防护罩JBF-FHZ1的装置。
1.1 产品特点
- 能够安装在室外露天空旷地带;
- 灵活配接JBF-FHZ1防护罩;
- 立柱结构简单,性能稳定,方便拆装,耐腐蚀性能好。
1.2 适用范围
- 适用于安装在室外露天空旷地带等场所;
- JBF-AZZ1安装立柱与JBF-FHZ1防护罩配接一同使用。
1.3 型号组成
2 产品参数
2.1 机械特性
| 外 观 | RAL3003宝石红色 |
| 材质 | Q235 |
| 产品质量 | 3760g |
| 外形尺寸 | Φ48mm×1200mm |
| 连接板尺寸 | 100mm×100mm×4mm,安装孔大小Φ6.2mm |
| 底板尺寸 | 180mm×180mm×4mm,固定孔大小Φ12mm |
图1 外形图
3 安装
3.1 立柱安装说明/步骤
- JBF-AZZ1安装立柱布线施工后,通过螺栓安装到地面上,底板安装孔距为130mm,外形及安装尺寸如图1所示。
- JBF-AZZ1安装立柱与JBF-FHZ1防护罩通过螺栓连接(使用M6螺栓,螺母),如图2所示。
图2 安装示意图
➢ JBF-FHZ1 防护罩与 JBF-AZZ1 安装立柱配接使用图:
➢ 产品开箱及检查
JBF-FHZ1防护罩开箱及检查
打开包装后,本产品应该包括:
| 防护罩外壳 | 1只 |
| 背板支架 | 1只 |
| 接地片 | 1只 |
| 安装螺栓(M6×14) | 2个 |
| 安装螺钉(M4×16) | 7个 |
| 产品使用说明书 | 1份 |
如发现任意项有缺失或有损坏,请速与我们联系,我们将立即补全产品的缺失项,或者在确定是非人为因素造成的破损下,无条件的为客户更换新的产品。
JBF-AZZ1安装立柱开箱及检查
打开包装后,本产品应该包括:
| 安装立柱 | 1只 |
| 安装螺母(M6) | 4只 |
| 弹簧垫圈(M6) | 4只 |
| 安装螺栓(M6×14) | 4个 |
| 产品使用说明书 | 1份 |
如发现任意项有缺失或有损坏,请速与我们联系,我们将立即补全产品的缺失项,或者在确定是非人为因素造成的破损下,无条件的为客户更换新的产品。
➢ 注意事项、免责声明
- 在使用中,必须严格按照本说明书的描述进行安装。
- 本公司保留对本说明书的最终解释权。