JBF-CTZ6-100C 剩余电流互感器

参考资料
文件:JBF-CTZ6系列剩余电流互感器使用说明书 V1.0.pdf
检验报告
高清图片
1 概述
JBF-CTZ6 系列剩余电流互感器与本公司组合式电气火灾监控探测器配接使用,用于测量监控线缆或铜排电路中的剩余电流。该系列剩余电流互感器采用穿心结构,贯穿孔为圆形或矩形;
1.1 产品特点
- 外壳采用高强度塑胶,防火等级为 UL-V0;
- 超声波焊接密封,绝缘性能优良,稳定性好;
- 铁芯采用优质的米晶,线性度好,灵敏度高,平衡性优异,抗干扰能力强。
1.2 适用范围
- JBF-CTZ6 系列剩余电流互感器可被广泛应用于危险品场所、高层建筑、公共场所及住宅楼宇的单元供电系统。JBF-CTZ6 剩余电流互感器的设计制造和检定符合以下国家标准:GB 14287.2-2014《电气火灾监控系统》第二部分:剩余电流式电气火灾监控探测器--附录 A
1.3 型号组成
2 工作原理
检测主电路的剩余电流,将一次回路的剩余电流变换成二次回路的检测电流提供给信号处理单元进行状态判别。
3 性能参数
环境特性
| 工作温度 | -10--+55℃ |
| 贮存温度 | -20--+65℃ |
| 相对湿度 | ≤95%(无凝露) |
防爆特性
防爆标志 不涉及
电气特性
| 工作频率 | 50Hz~60Hz |
| 额定一次电流 | 1A |
| 额定二次电流 | 0.5mA |
| 准确度 | 1级 |
| 输出方式 | 2P-M3螺孔 |
| 负载 | 196Ω |
| 比差 | <1.0% |
| 线性范围 | 5%~120% |
| 工频耐压 | 3.5kV/5mA/1min |
| 绝缘电阻 | 500V/100MΩ/1min |
通讯特性
| 线制 | 不涉及 |
| 编址范围 | 不涉及 |
| 编址方式 | 不涉及 |
| 最远传输距离 | 不涉及 |
兼容性
不涉及
机械特性
| 外 观 | 红色(Pantone Q510-5-3) |
| 外壳材质 | ABS |
| 产品质量 | JBF-CTZ6-100C: 370±50g |
| 外形尺寸 | 详见第 4 节 |
认证特性
消防认证
执行标准
1) GB 14287.2-2014《电气火灾监控系统》第二部分:剩余电流式电气火灾监 控探测器--附录 A
4 安装调试
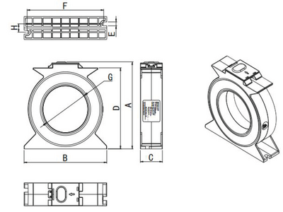
JBF-CTZ6 系列剩余电流互感器设计尺寸如下所示:
| 产品型号 | 尺寸(mm) | ||||||||
|---|---|---|---|---|---|---|---|---|---|
| A | B | C | D | E | F | G | H | I | |
| JBF-CTZ6 线缆系列 | |||||||||
| JBF-CTZ6-100 | 100±1 | 100±1 | 32±1 | 92±1 | 5.5±0.5 | 91±1 | 45±1 | 11.5±0.5 | / |
| JBF-CTZ6-250 | 121±1 | 120±1 | 32±1 | 113±1 | 5.5±0.5 | 111±1 | 65±1 | 11.5±0.5 | / |
| JBF-CTZ6-400 | 139±1 | 138±1 | 32±1 | 131±1 | 5.5±0.5 | 129±1 | 80±1 | 11.5±0.5 | / |
| JBF-CTZ6-630 | 169±1 | 169±1 | 32±1 | 161±1 | 5.5±0.5 | 160±1 | 105±1 | 11.5±0.5 | / |
| JBF-CTZ6 铜排系列 | |||||||||
| JBF-CTZ6-100C | 88±1 | 189±1 | 37.5±1 | 79±1 | 5.5±0.5 | 176±1 | 128±1 | 12±0.5 | 32±1 |
| JBF-CTZ6-250C | 96±1 | 212±1 | 37.5±1 | 84±1 | 5.5±0.5 | 200±1 | 150±1 | 12±0.5 | 38±1 |
| JBF-CTZ6-400C | 120±1 | 289±1 | 37.5±1 | 108±1 | 5.5±0.5 | 277±1 | 210±1 | 12±0.5 | 45±1 |
| JBF-CTZ6-630C | 126±1 | 330±1 | 37.5±1 | 114±1 | 5.5±0.5 | 318±1 | 250±1 | 12±0.5 | 50±1 |
| JBF-CTZ6-1000C | 158±1 | 427±1 | 47.5±1 | 146±1 | 5.5±0.5 | 415±1 | 325±1 | 12±0.5 | 60±1 |
JBF-CTZ6 线缆系列
JBF-CTZ6 钢排系列
- 根据主电路电缆或钢排规格,选择合适的剩余电流互感器型号(主回路电流仅做参考)。
- 按照外形尺寸图尺寸参数,垂直在安装衬板上。
- 将剩余电流互感器的安装孔与安装衬板上的安装孔对齐,用 M5 的螺栓穿过安装孔,在安装板的背部用M5螺母拧紧螺栓。
JBF-CTZ6线缆和钢排系列安装示意图
- 将剩余电流互感器顶部的盖板取下,将连接线通过2P-M3螺钉拧紧盖好盖板。将连接线另一端连接至电气火灾监控探测器输入端。
- 将主回路电缆正确的穿入剩余电流互感器贯穿孔。因剩余电流互感器对于TT、IT、TN-S、TN-C-S均使用,故要在使用过程中根据现场实际正确安装接线。接线示意图如下:
TT系统接线示意图
IT系统接线示意图
TN-S系统接线示意图
TN-C-S系统接线示意图
5 注意事项、免责声明
- 本产品应安装在户内干燥的环境中,安装时应确保设备安装牢固。
- 安装剩余电流互感器时应确保被检测供电线缆回路必须全部穿过剩余电流互感器贯穿孔,等电位线(或接地线)不可穿过剩余电流互感器贯穿孔。
- 剩余电流互感器与探测器之间的连接不允许开路。
- 剩余电流互感器的所有安装应符合产品本身适用的环境条件,同时也要符合施工规范要求。
- 本公司保留对本说明书的最终解释权。