JBF-WR111无线中继器

参考资料
高清图片
1 概述
JBF-WR111 无线中继器是针对为青鸟消防的无线终端设备与 JBF-WG101 无线网关通讯连接而设计的一款无线中转器。其主要功能是当无线感烟探测器安装位置超出 JBF-WG101 无线网关的通讯接收范围时,将无线感烟探测器发送的无线数据转发给 JBF-WG101 无线网关,达到延长无线终端与JBF-WG101 无线网关之间通信距离的目的。
1.1 产品特点
- 无线系统采用树状拓扑结构组网,JBF-WR111 具有注册功能。
- 内部具有数据缓存功能,探测器集中发送数据时可以有效避免堵塞。
- 直流供电,供电电压工作范围 DC12~30V/0.5A,无极性。
1.2 适用范围
- 中继器安装于现场,用于对现场 JBF-WG101 无线网关无线通讯距离不足的场所,用以延长通讯距离;
- 适用于在普通住宅、学校宿舍、别墅、古建筑及小型商场、家居、歌舞厅等场所。
1.3 型号组成
2 工作原理
本产品通过接收现场无线设备信息,同步透传至JBF-WG101无线网关,完成设备心跳、火警、故障等信息的上报,同时也可接收JBF-WG101无线网关的下行复位、启动等命令,完成对现场设备的控制。
3 性能参数
环境特性
| 工作温度 | -10~+55℃ |
| 贮存温度 | -20~+65℃ |
| 相对湿度 | ≤95%(无凝露) |
防爆特性
防爆标志 不涉及
电气特性
| 工作电压 | DC12V-30V |
| 监视电流 | 40mA |
| 报警电流 | 45mA |
| 确 认 灯 | 监视状态下状态灯绿灯闪亮 故障状态时故障灯黄灯常亮 中继器发送数据时,发射指示灯绿灯闪烁 中继器接收到信息时,接收指示灯闪烁; 接收到信息的信号强度强,绿灯 闪烁; 接收到信息的信号强度中,黄灯闪烁; 接收到信息的信号强度差, 红灯闪烁 单点注册模式:注册指示灯绿灯慢闪 连续注册模式:注册指示灯绿灯快闪 |
通讯特性
| 线制 | 不涉及 |
| 带载数量 | 30 |
| 注册方式 | JBF-WR111需在JBF-WG101上注册登记 |
| 最远传输距离 | JBF-WR111与JBF-WG101之间:视距1200m JBF-WR111与无线终端之间:视距1200m |
兼容性
兼容青鸟边缘专网系统无线产品
机械特性
| 外观 | 驼骏203低光,灰白 |
| 外壳材质 | 1.0mm镀锌板 |
| 产品质量 | 627g |
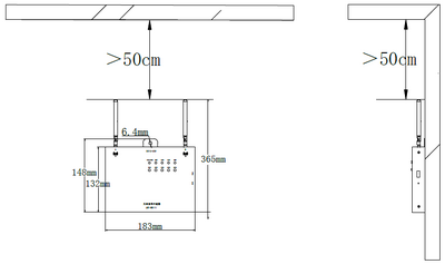
| 外形尺寸 | L183mm×W148mm×H27mm |
探测特性
保护面积 不涉及
认证特性
不涉及
执行标准
1) *参照《无线联网火灾报警系统通用技术要求》
4安装调试
4.1安装说明/步骤
- 将2P接线端子接在DC12~30V/0.5A电源适配器上;
- 安装天线,将两只胶棒天线分别安装在无线中继器两个天线端子上(A型、B型天线分别按照中继器指示位置安装);
- 测试现场网络环境,找到无线中继器安装的合适位置(现场测试时,保留一只探测器与中继器通讯,将探测器登记在中继器上后,到达探测器安装位置,短按探测器按键3次,查看中继器上接收闪烁颜色,闪烁绿或黄灯时,表示信号正常;闪烁红灯或不闪灯时,表示信号弱或没有收到信息,中继器需更换位置。如现场1个中继器不能满足所有现场设备在JBF-WG101控制器或中继器上传输信号值均为正常时,需增加中继器);
- 将无线中继器使用螺钉(建议使用ST5.5×25mm自攻螺钉)安装在所选位置上;
注:无线中继器安装位置需远离强电磁干扰设备,并且需保证天线安装应保持与地面垂直,天线距离天花板距离不小于50cm,应保证天线周围至少有一侧无遮挡。
4.2 调试方法
- 中继器在JBF-WG101上注册
JBF-WG101长按“注册”按键3s以上,注册指示灯绿灯慢闪(60s内网关未收到设备注册信息,自动退出单点注册模式)
中继器上“调试”按键连续3次,若中继器未在网关上注册:注册指示灯绿灯常亮,按“确认”按键,此时蜂鸣器蜂鸣一声后,注册指示灯绿灯闪烁5次后熄灭,即完成注册;若中继器已在网关上注册:中继器按3次调试键后,蜂鸣器连续蜂鸣三声,提示设备重复注册,注册指示灯熄灭,网关退出单次注册模式;若中继器注册失败:蜂鸣器连续蜂鸣两声,提示设备注册失败,注册指示灯熄灭,网关退出单次注册模式;
注:中继器必须在网关上注册之后,才能进入注册模式注册设备;
注:中继器在注册时,需先恢复出厂设置(长按右侧“复位”按键,所有指示灯同时点亮后松开按键,中继器恢复出厂设置完成),如中继器在其他网关上注册过并且未恢复出厂设置,在新的网关上无法注册;
- 设备在JBF-WG101网关上注册
长按网关“注册”按键3s以上,网关注册指示灯绿灯慢闪(60s内网关未收到设备注册信息,自动退出单点注册模式);
按烟感“自检”按键连续3次,网关注册指示灯绿灯常亮,此时按“确认”按键,网关蜂鸣器蜂鸣一声后,注册指示灯绿灯闪烁5次后熄灭,即完成注册。
注:现场设备必须在网关上注册之后才能在中继器上注册成功;
- 中继器单点注册现场设备
长按“注册”按键3s以上,注册指示灯绿灯慢闪(60s内中继器未收到设备注册信息,自动退出单点注册模式);
按设备“自检”按键连按 3 次,若设备未在中继器上注册:注册指示灯绿灯常亮,按“确认”按键,此时蜂鸣器蜂鸣一声后,注册指示灯绿灯闪烁 5 次后熄灭,即完成注册;若设备已在中继器上注册:设备按 3 次自检键后,蜂鸣器连续蜂鸣三声,提示设备重复注册,注册指示灯熄灭,中继器退出单次注册模式;若设备注册失败:蜂鸣器连续蜂鸣两声,提示设备注册失败,注册指示灯熄灭,中继器退出单次注册模式;
中继器进入单点注册模式时,按“取消”按键,立即退出单点注册模式。
- 中继器连续注册现场设备
长按“注册”按键 3s 以上,注册指示灯绿灯慢闪,中继器进入单点注册模式,10s 内快速按2 次(间隔不超过 1s)“确认”按键,注册指示灯绿灯快闪,此时中继器进入连续注册模式;
按设备“自检”按键连按 3 次,此时如设备未在中继器上注册,中继器蜂鸣一声,设备注册成功。如设备注册失败,中继器蜂鸣器连续蜂鸣两声,提示注册失败。如设备已在中继器上注册,中继器连续蜂鸣三声,提示重复注册;注册失败及重复注册不退出连续注册模式;
连续注册模式下,中继器 30min 自动退出连续注册模式;连续注册模式下,两次注册设备时间间隔超过 2min 后,中继器自动退出连续注册模式;
中继器进入连续注册模式时,按“取消”按键,立即退出连续注册模式。
注:连续注册模式下,现场设备需尽可能高中继器近,该模式下为防止其他非本网关下设备误注册,因此信号值强度需大于-60dBm 设备才能注册成功,如果该模式下设备未能注册成功,可尝试再高中继器尽可能的近点之后再重新注册;
5 故障分析与排除
| 故障现象 | 原因分析 | 排除方法 | 备注 |
|---|---|---|---|
| 黄色故障灯常亮 | 现场设备通讯故障 | 查看火灾报警控制器上是否报出 现场设备(该设备在中继器上已注 册)通讯故障, 检查对应现场设备 是否有电,或者摘下设备拿到中继 器附近测试设备是否能上线 |
|
| 与网关通讯故障 | 检查火灾报警控制器上该中继器 是否显示为故障状态 |
6 保养、维护
定期测试中继器上传信号值是否正常(JBF-WR111 中继器快速短按“调试”按键 3 下,在JBF-WG101上查看接收灯闪烁情况,闪烁绿灯或黄灯为信号正常,闪烁红灯或者不闪烁,表示信号差,重复测试并且检查天线是否接触良好),建议每半年一次。
7 开箱及检查
打开包装后,本产品应该包括:
| 无线中继器 | 1 只 |
| 产品使用说明书 | 1 份 |
| 电源适配器 | 1 个 |
| 胶棒天线 | 2 根(A 型、B 型天线各一根) |
| 2P 插拔绿端子 | 1 个 |
如发现任意项有缺失或有损坏,请速与我们联系,我们将立即补全产品的缺失项,或者在确定是非人为因素造成的破损下,无条件的为客户更换新的产品。
8 注意事项、免责声明
- 在使用中,必须严格按照本说明书的描述进行安装与调试。
- 本公司保留对本说明书的最终解释权。