JBF-WR112二级无线中继器

参考资料
文件:JBF ASM-JBF-WR112使用说明书(折页版)2022-04-26-V1 0.pdf
高清图片
1 概述
JBF-WR112 无线中继器(二级中继器)是针对为青鸟消防的无线终端设备与 JBF-WR111 无线中继器(以下统称为一级中继器)通讯连接而设计的一款无线中转器。其主要功能是当无线感烟探测器安装位臵超出JBF-WR111的通讯接收范围时,将无线感烟探测器发送的无线数据实时转发给一级中继器,达到延长无线终端与一级中继器之间通信距离的目的。
1.1 产品特点
- JBF-WR112 定期自动同步一级中继器注册信息,实时转収现场部件及一级中继器信息。
- 内部具有数据缓存功能,探测器集中収送数据吅可以有效避免堵塞。
- 直流供电,供电电压工作范围 DC12~30V/12W,无极性。
1.2 适用范围
- 中继器安装于现场,用于对现场无线通讯距离不足的场所,用以延长通讯距离;
- 适用于在普通住宅、学校宿舍、别墅、古建筑及小型商场、家居、歌舞厅等场所。
1.3 型号组成
2 工作原理
本产品通过接收现场无线设备信息,同步透传至一级中继器,完成设备心跳、火警、故障等信息的上报,同时也可接收一级中继器的下行复位、启动等命令,完成对现场设备的控制。
3 性能参数
环境特性
工作温度 | -10~+55℃ |
贮存温度 | -20~+65℃ |
相对湿度 | ≤95%(无凝露) |
防爆特性
防爆标志 不涉及
电气特性
工作电压 | DC12V-30V |
监视电流 | 40mA |
报警电流 | 45mA |
确认灯 | 监视状态下状态灯绿灯闪亮;故障状态时故障灯黄灯常亮;中继器发送数据时,发射指示灯绿灯闪烁;中继器接收到信息时,接收指示灯闪烁:接收到信息的信号强度强,绿灯闪烁;接收到信息的信号强度中,黄灯闪烁;接收到信息的信号强度差,红灯闪烁。未完成与一级中继器消息同步时,注册灯绿灯常亮。 |
通讯特性
线制 | 不涉及 |
带载数量 | 29 |
注册方式 | JBF-WR112 需在网关和一级中继器上注册登记 |
最远传输距离 | JBF-WR112 与一级中继器之间:视距 1200m;JBF-WR112 与无线终端之间:视距 1200m |
兼容性
兼容青鸟边缘专网系统无线产品
机械特性
外观 | 驼策 203 低光,灰白 |
外壳材质 | 1.0mm 镀锌板 |
产品质量 | 627g |
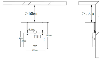
外形尺寸 | L183mm×W148mm×H27mm |
探测特性
保护面积 不涉及
认证特性
不涉及
执行标准
1) *参照《无线联网火灾报警系统通用技术要求》
4 安装调试
4.1 安装说明/步骤
- 将 2P 接线端子接在 DC12~30V/0.5A 电源适配器上;
- 安装天线,将两只胶棒天线分别安装在无线中继器两个天线端子上(A 型、B 型天线分别按照中继器指示位置安装);
- 测试现场网络环境,找到无线中继器安装的合适位置(JBF-WR112 在一级中继器上注册后,待消息同步完成,先选取一级中继器带载设备居中位置,使用一级中继器下信号质量较差的设备分别测试,设备自检后查看 JBF-WR112 上接收闪烁颜色,闪烁绿或黄灯时,表示信号正常;闪烁红灯或不闪灯时,表示信号弱或没有收到信息,中继器需更换位置。);
- 将无线中继器使用螺钉(建议使用 ST5.5×25mm 自攻螺钉)安装在所选位置上:、
注:无线中继器安装位置需远离强电磁干扰设备,并且需保证天线安装应保持与地面垂直,天线距离天花板距离不小于 50cm,应保证天线周围至少有一侧无遮挡。
4.2 调试方法
JBF-WR112 在网关上注册
网关长按“注册”按键 3s 以上,注册指示灯绿灯慢闪(60s 内网关未收到设备注册信息,自动退出单点注册模式)
JBF-WR112 上 “调试”按键连按 3 次,若 JBF-WR112 未在网关上注册;网关注册指示灯绿灯常亮,按“确认”按键,此时蜂鸣器蜂鸣一声后,网关注册指示灯绿灯闪烁 5 次后熄灭,即完成注册;若 JBF-WR112 已在网关上注册;JBF-WR112 按 3 次调试键后,蜂鸣器连续蜂鸣三声,提示设备重复注册,网关注册指示灯熄灭,网关退出单次注册模式;若 JBF-WR112注册失败;蜂鸣器连续蜂鸣两声,提示设备注册失败,网关注册指示灯熄灭,网关退出单次注册模式;
注:JBF-WR112 在注册时,需先恢复出厂设置(长按右侧“复位”按键,所有指示灯同时点亮后松开按键,JBF-WR112 恢复出厂设置完成),如 JBF-WR112 在其他网关上注册过并且未恢复出厂设置,在新的网关上无法注册;
JBF-WR112 在一级中继器中继器上注册
一级中继器长按“注册”按键 3s 以上,注册指示灯绿灯慢闪(60s 内网关未收到设备注册信息,自动退出单点注册模式)
JBF-WR112 上 “调试”按键连按 3 次,若 JBF-WR112 未在一级中继器上注册;一级中继器注册指示灯绿灯常亮,按“确认”按键,此时蜂鸣器蜂鸣一声后,一级中继器注册指示灯绿灯闪烁 5 次后熄灭,即完成注册;若 JBF-WR112 已在一级中继器上注册;JBF-WR112 按 3次调试键后,蜂鸣器连续蜂鸣三声,提示设备重复注册,一级中继器上注册指示灯熄灭,一级中继器退出单次注册模式;若 JBF-WR112 注册失败;蜂鸣器连续蜂鸣两声,提示设备注册失败,一级中继器注册指示灯熄灭,一级中继器退出单次注册模式。
JBF-WR112 在一级中继器上注册完成后,自动与一级中继器同步注册设备信息,JBF-WR112注册指示灯常亮,待同步完成后,注册指示灯熄灭。
注:JBF-WR112 必须在网关上注册之后才能在一级中继器上注册成功;
注:一个一级中继器上只能注册一个 JBF-WR112,JBF-WR112 占用一个网关地址,同时也占用一个一级中继器地址。
注:一级中继器上注册新现场部件后,JBF-WR112 会定期自动与一级中继器同步设备信息。
5 故障分析与排除
故障现象 | 原因分析 | 排除方法 | 备注 |
---|---|---|---|
黄色故障灯 常亮 | 现场设备通讯故障 | 查看火灾报警控制器(配接 JBF-WG101) /青鸟云(配接 JBF-WG102)上是否报出现场设备(该设备在中继器上已注册)通讯故障, 检查对应现场设备是否有电,或者摘下设备拿到中继器附近测试设备是 否能上线 |
|
与一级中继器通讯 故障 | 检查火灾报警控制器(配接 JBF-WG101) /青鸟云(配接 JBF-WG102)上该中继器是否显示为故障状态 |
6 保养、维护
定期测试中继器上传信号值是否正常(JBF-WR112中继器快速短按“调试”按键3下,在一级中继器和网关上查看接收灯闪烁情况,闪烁绿灯或黄灯为信号正常,闪烁红灯或者不闪烁,表示信号差,重复测试并且检查天线是否接触良好),建议每半年一次。
7 开箱及检查
打开包装后,本产品应该包括:
无线中继器 |
产品使用说明书 |
电源适配器 |
胶棒天线 |
2P插拔绿端子 |
如发现任意项有缺失或有损坏,请速与我们联系,我们将立即补全产品的缺失项,或者在确定是非人为因素造成的破损下,无条件的为客户更换新的产品。
8 注意事项、免责声明
- 在使用中,必须严格按照本说明书的描述进行安装与调试。
- 本公司保留对本说明书的最终解释权。