JBF62D-31输入接口模块

参考资料
文件:JBF ASM-JBF62D-31 说明书V1.0.pdf
检验报告
高清图片
1 概述
JBF62D-31 输入接口模块(以下简称模块)是本公司开发的应用于防火门系统的现场部件。登记为常闭门时,通过输入接口模块监视门碰开关的状态进而可以实现监视常闭防火门的状态;登记为输入接口时,可用于接收无源触点反馈信号作为报警信号使用。
1.1 产品特点
- 内置微处理器。
- 采用 SMT 表面贴装工艺。
- 工作电压范围广,可在 DC13-28V 范围内正常工作。
- 通信采用二总线技术,无极性要求,在保证低功耗的同时使传输距离最远达 1500m。
- 施工中建议使用双绞线,导线截面积不小于 1.5mm2。
- 采用青鸟消防自主研发的朱鸱芯片,抗干扰能力强,稳定性高。
- 电子编码方式,可通过专用电子编码器编址或防火门监控器在线编址。
- 采用易于客户施工、维护的插拔式结构。先安装底座,线路检查完成后再装主体进行开通调试。
- 具备状态监测和多种故障检测功能。
1.2 适用范围
- 适用于高层住宅、办公楼、图书馆、影剧院邮政大楼等公共场所。
1.3 型号组成
2 工作原理
模块内嵌微处理器,微处理器实现与防火门监控器通讯、输入信号逻辑状态判断、输入线路故障检测、状态指示灯控制等功能。模块占用一个编码地址,编址范围 1-252。
3 性能参数
环境特性
| 工作温度 | -10~+55℃ |
| 贮存温度 | -20~+65℃ |
| 相对湿度 | ≤95%(无凝露) |
防爆特性
防爆标志 不涉及
电气特性
| 工作电压 | DC13V-28V,调制型,控制器提供 |
| 射频电磁场辐射 抗扰度 | 30V/M |
| 监视电流 | ≤0.25mA(DC24V) |
| 报警电流 | ≤0.6mA(DC24V) |
| 确认灯 | 监视状态:“输入动作”指示灯每 4 秒闪亮一次 故障状态:“输入动作”指示灯每 4 秒连续闪亮两次 反馈状态:“输入动作”指示灯常亮 |
通讯特性
| 线制 | 二线制(无极性) |
| 编址范围 | 1~252 |
| 编址方式 | 专用电子编码器、监控器在线编址 |
| 最远传输距离 | 1500m |
兼容性
JBF-62S 系列防火门监控器
机械特性
| 外观 | PANTONE Warm Gray 1 C (米白色) |
| 外壳材质 | ABS(塑料) |
| 产品质量 | 105g |
| 外形尺寸 | (长×宽×高)90mm×86mm×38mm(含底座) |
| 保护面积 | 不涉及 |
认证特性
消防认证
执行标准
1) GB29364-2012《防火门监控器》
4 安装调试
4.1 安装说明/步骤
模块采用明装方式。
布线施工后,通过预埋盒或使用膨胀螺栓将底座固定在墙上(使用M4螺钉),安装孔距为60mm。如图1所示。
图1 外形及安装尺寸图
回路总线采用不小于2×1.5mm2双绞线。
安装之前用编码器对其写入相应地址码,此编码应与工程软件中的编码相一致。
将总线接在L1、L2端子1、2上,接线无极性。
只能在线路检查后、调试之前安装,以防止因不恰当安装作业造成损失。
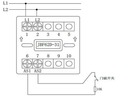
模块端子图例如图2所示:
图2 端子图
L1(端子1)、L2(端子2):接回路总线,无极性;
输入功能----登记为常闭门时:
AS1(端子6)、AS2(端子7):接应答(无源触点)。
连接在AS1和AS2上的闭门器或门磁开关的动合端必须串联10KΩ终端电阻。
接线示意图3如下:
图3接线示意图
- 输入功能----登记为输入接口时:
AS1(端子6)、AS2(端子7):接应答(无源触点)。
连接在AS1和AS2上的闭门器或门磁开关的动合端必须并联10KΩ终端电阻。
接线示意图4如下:
图4接线示意图
4.2调试方法
- 首先使用电子编码器对模块进行编码。
- 将其连接到防火门监控器中,对其进行登记。
- 打开常闭门,防火门监控器报常闭门故障;异常打开。
- 关闭常闭门,模块恢复正常监视状态。
5 故障分析与排除
| 故障现象 | 原因分析 | 排除方法 | 备注 |
|---|---|---|---|
| 输入动作指示灯连 续2次闪亮,报故 障。 | 接触不良 | 重新接线 | |
| 接线错误 | 按标签上的指示接线 | ||
| 漏接终端电阻 | 被控设备应答端接入10KΩ终端 电阻 | ||
| 电路元器件损坏 | 更换模块 | ||
| 断电重新编址或连 续编址编不上 | 模块内部电容电量未 释放尽 | 等待1分钟后重新编址 |
6 保养、维护
定期进行输入动作试验,建议每半年一次。
7 开箱及检查
整箱包装打开后,应该包括:
| 输入接口模块(不含底座) | 200只 |
| 产品使用说明书 | 20份 |
如发现任意项有缺失或有损坏,请速与我们联系,我们将立即补全产品的缺失项,或者在确定是非人为因素造成的破损下,无条件的为客户更换新的产品。
8 注意事项、免责声明
- 在使用中,必须严格按照本说明书的描述进行安装与调试。
- 本公司保留对本说明书的最终释权。

