JBF6331 输入模块
参考资料
检验报告
认证证书
1 概述
JBF6331输入模块(以下简称模块)是青鸟消防股份有限公司开发的可接收无源触点信号的模块,可接收被监视设备动作后提供的无源动合信号或无源动断信号,通过输入动作指示灯常亮来示意用户,并将动作信号传送到消防联动控制器。
1.1 产品特点
- 内置青鸟消防自研的火灾报警专用微处理器“朱鹦”;
- 射频电磁场辐射抗扰度能力大于 80 V/m;
- 有极性二总线产品,支持远距离通讯,通讯距离 ≤1500 米;
- 总线电路与反馈信号处理电路间电气隔离,抗干扰能力强;
- 反馈信号同周期分时多次采集、综合判断,减少误报概率;
- 内置短路隔离器,可自动隔离回路中的故障(短路)线路;
- 与控制器连接,支持环路、支路等多种方式;
- 可设置成输入或者中继类型;
- 采用阻燃材料,阻燃等级UL94V-0。
1.2 适用范围
- 应用设计遵照国家标准GB50116-2013《火灾自动报警系统设计规范》。
- 适用于高端酒店、写字楼、候机楼、轨道交通等公共场所。
1.3 型号组成
2 工作原理
模块内嵌微处理器,在接收到外接设备动作信号后,将信号传送到消防联动控制器并点亮“输入动作”指示灯。
3 性能参数
环境特性
| 工作温度 | -10 ~ +55℃ |
| 贮存温度 | -20 ~ +65℃ |
| 相对湿度 | ≤95%RH (40℃ ± 2℃无凝露) |
防爆特性
| 防爆标志 | 不涉及 |
电气特性
| 工作电压 | DC13 ~ 28V, 调制型, 控制器提供。 |
| 监视电流 | ≤0.3mA (DC24V) |
| 动作电流 | ≤0.7mA (DC24V) |
| 确认灯 | 监视状态: “输入动作”指示灯每4秒红色闪亮一次。动作状态: “输入动作”指示灯红色常亮。故障状态: “输入动作”指示灯不亮。隔离器动作状态: “输入动作”指示灯每0.25秒红色闪亮一次。 |
| 短路隔离 | 内嵌隔离器, 短路后隔离器自动动作, 隔离故障线路。 |
通讯特性
| 线制 | 有极性,二总线。 |
| 编址范围 | 1~252 |
| 编址方式 | 编码器编址方式 |
| 最远传输距离 | 1500m(导线截面积≥1.0mm2) |
机械特性
| 外观 | PANTONE Warm Gray 1 C 米白色 |
| 外壳材质 | 塑料,阻燃材料,阻燃等级 UL94V-0。 |
| 产品质量 | 124g |
| 外形尺寸 | 90mm×86mm×38mm (宽×高×厚) (含底座) |
认证特性
| 消防产品自愿性认证 |
- GB16806-2006《消防联动控制系统》
4 安装调试
4.1 安装说明/步骤
- 外形及安装尺寸如图1所示:(单位:mm)
图1 外形及安装尺寸图
- 安装之前用编码器对其写入相应地址码(1~252),并与编码表中的编码一致。
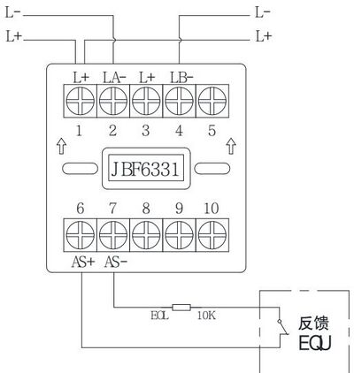
- 模块端子图例如图2所示:
图2 端子图
- 回路总线有极性:共正极、断负极接线。回路接线分为支路接法、环路接法,示意图如下:
支路接法
环路接法
- 输入功能:
监视无源闭合应答的现场设备时:AS+(端子6)、AS-(端子7)接应答(无源触点)。连接在AS+和AS-上的监视设备的动合端必须并联 10KΩ 终端电阻。接线示意图如图3。
图3 接线方式:监视无源闭合应答的现场设备
监视无源断开应答的现场设备时:AS+(端子6)、AS-(端子7)接应答(无源触点),连接在AS+和AS-上的监视设备的动开端必须串联 10KΩ 终端电阻。接线示意图如图4。
图4 接线方式:监视无源断开应答的现场设备
4.2 调试方法
- 首先使用电子编码器对模块进行编码;
- 模块安装好后操作控制器对其进行登记;
- 被控设备动作,模块收到被控设备的无源反馈信号后输入动作指示灯变为红色常亮;
- 复位被监视设备,模块恢复正常监视状态。
5 故障分析与排除
| 故障现象 | 原因分析 | 排除方法 | 备注 |
|---|---|---|---|
| 输入指示灯不亮,报故障 | 接触不良 | 重新接线 | |
| 接线错误 | 按标签上的指示重新接线 | ||
| 漏接终端电阻 | 被控设备应答端接入10KΩ终端电阻 | ||
| 断电重新编址或连续编址编不上 | 模块内部电容电量未释放尽 | 等待1分钟后重新编址 | |
| 上电后状态柱高或报反馈 | 总线上有重码的现场部件 | 拔掉该模块,若该地址还有设备在线,需排查重码设备。 | |
| 应答端短路或终端电阻过小 | 确保应答端正确接入10KΩ电阻 | ||
| 应答端误接DC24V电源 | 重新接线 | ||
| 不能登记 | 未编址 | 使用专用编码器对现场部件编址 | |
| 编码地址范围错误 | 编址范围1~252 |
6 保养、维护
- 定期进行输入状态检测,建议每半年一次。
- 根据GB29837-2013《火灾探测报警产品的维修保养与报废》相关规定,产品使用寿命一般不超过12年。
7 开箱及检查
整箱包装打开后,本产品应该包括:
| 输入模块(不含底座) |
| 产品使用说明书 |
如发现任意项有缺失或有损坏,请与当地经销商联系。
8 注意事项、免责声明
- 在使用中,必须严格按照本说明书的描述进行安装与调试。
- 本公司保留对本说明书的最终解释权。

